Visão geral
Este é um servomotor AC rotativo com redutor (motorredutor) da linha MELSERVO J5 da Mitsubishi Electric. Possui um eixo chavetado, feedback absoluto integrado de 26 bits e um redutor padrão com relação de 1/29.
O motor oferece uma potência nominal de saída de 7000W (7kW) e uma velocidade rotacional nominal de 2000rpm, com um torque nominal de 33.4Nm. A classe de tensão de alimentação é de 200Vac e a corrente nominal é de 28A quando utilizado com um amplificador de 200Vac.
Projetado para ambientes industriais, o motor possui grau de proteção IP67, garantindo resistência à poeira e à água. Sua faixa de temperatura ambiente para operação é de 0 a 60°C. O modelo tem montagem em flange de 176x176mm.
Principais recursos
- Servomotor AC rotativo com redutor
- Feedback absoluto integrado de 26 bits
- Redutor padrão com relação 1/29
- Eixo chavetado
- Estrutura totalmente fechada com resfriamento natural (TENC)
- Inércia média / Capacidade de média potência
- Grau de proteção IP67
- Encoder absoluto sem bateria
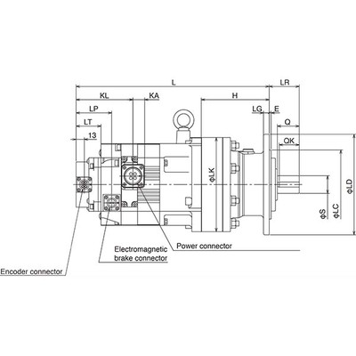
- Conexões rápidas (one-touch lock) para cabos do encoder, freios eletromagnéticos e alimentação
Especificações
| Parâmetro | Valor |
|---|---|
| Marca primária | Mitsubishi Electric |
| Função principal | Servomotor AC |
| Série / nome da família do produto | Série MELSERVO J5 |
| Nome do sub-alcance | Série HK-ST |
| Funções | Servomotor AC rotativo com redutor / motorredutor |
| Design | Eixo chavetado, feedback absoluto integrado (26 bits), redutor padrão 1/29, estrutura totalmente fechada com resfriamento natural (TENC), capacidade de média inércia / média potência, resfriamento natural. |
| Tensão de alimentação (AC) | Classe 200Vac |
| Corrente nominal | 28A (com amplificador de 200Vac) |
| Potência ativa nominal (kW) | 7000W / 7kW |
| Velocidade de rotação | 2000rpm / 3000rpm (máxima) |
| Torque | 33.4Nm nominal |
| Torque máximo | 100.2Nm |
| Momento de inércia | 0.0146kg.m² (146kg.cm²) |
| Modo de montagem | Montagem em flange 176x176mm |
| Resolução | Feedback de 26 bits (equivalente a 67108864ppr) |
| Grau de proteção | IP67 |
| Dimensões | A430mm x L430mm x P656.5mm |
| Altura líquida (mm) | 430 mm |
| Largura líquida (mm) | 430 mm |
| Profundidade líquida (mm) | 656.5 mm |
| Temperatura ambiente para operação | 0…+60 °C |
| Temperatura ambiente para armazenamento | -25°C…+70 °C |
| Carga radial máxima | 13426 N |
| Carga axial máxima | 13720 N |
| Corrente máxima | 102 A |
| Código de pedido / SKU do fabricante | HK-ST702G1 1/29 |
| Status do produto do fabricante | Comercializado |
| Equivalente a | HKST702G1129 |
| Em conformidade com padrões | Marcação CE, TUV Rheinland, UKCA, cURus, EN60034-1, EN61800-3, EN63000, UL, CSA |
| Benefícios | Encoder de posição absoluto sem bateria, cabos para encoder, freios eletromagnéticos e alimentação equipados com conector de travamento rápido (one-touch lock). |
| Relação de engrenagem | 1/29 (redutor) |
Documentos
Acessórios recomendados incluem amplificadores MR-J5-700A-RJ, MR-J5-700G-RJ e MR-J5-700G-RJN1. Cabos para encoder estão disponíveis em diversas extensões e com opções de vida útil para flexão.
Para mais informações ou para discutir suas necessidades de automação, entre em contato conosco.



