Servo Motor AC Geared Mitsubishi MELSERVO J4 7kW 22-bit 400V 1/5 Flange 33.4Nm – HG-SR7024G5 1/5

Consulte as Condições de Fornecimento

Servo Motor AC Geared Mitsubishi MELSERVO J4 HG-SR7024G5 1/5 7kW 22-bit 400V 1/5 Flange 33.4Nm HG-SR7024G5 1/5 — Mitsubishi Electric

SKU: HG-SR7024G5 1/5 Categoria: Marca:

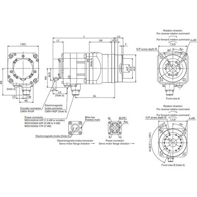
Servo Motor AC MELSERVO J4 HG-SR7024G5 1/5 7kW Este servo motor AC com engrenagem e eixo reto da linha MELSERVO J4 da Mitsubishi Electric, modelo HG-SR7024G5 1/5, oferece alta precisão com feedback absoluto de 22 bits e uma caixa de engrenagens de relação 1/5 com saída por flange. Projetado para aplicações que exigem desempenho robusto, ele opera na classe de tensão de 400 Vac e fornece torque nominal de 33.4 Nm. Destaca-se pela sua capacidade de potência de 7000W (7kW) e velocidade rotacional de até 2000rpm, com um torque máximo de 100Nm. O design de carcaça com flange de 170x170mm facilita a montagem, e o grau de proteção IP44 garante resistência a poeira e respingos d’água, tornando-o adequado para ambientes industriais diversos. O HG-SR7024G5 1/5 incorpora um codificador absoluto de 22 bits, proporcionando uma resolução equivalente a 4.194.304 pulsos por revolução, o que resulta em controle de posição extremamente preciso. A presença de 2 conectores tipo MS simplifica a conexão dos cabos de alimentação e encoder.

Especificações

Parâmetro Valor
Primary brand Mitsubishi Electric
Main function AC servo motor
Product series / family name MELSERVO J4 series
Sub-range name HG-SR series
Functions AC geared rotary servo motor / gearmotor
Design straight shaft built-in absolute feedback encod. (22-bit) 1/5 high-precision gearhead (flange output) medium inertia / medium power capacity natural cooling
Supply voltage (AC) 400Vac class
Rated current 13A
Rated active power (kW) 7000W / 7kW
Rotational speed 2000rpm 3000rpm (maximum)
Torque 33.4Nm nominal
Maximum torque 100Nm
Moment of inertia 0.0161kg.m2 (161kg.cm2)
Connection type 2 x MS-type connectors
Efficiency 77-92%
Mounting mode 170x170mm flange mounting (grbx. output)
Resolution 22-bit (equivalent to 4194304ppr) feedback
Degree of protection IP44
Dimensions H228.9mm x W176mm x D420.5mm
Net Height (mm) 228.9 mm
Net Width (mm) 176 mm
Net Depth (mm) 420.5 mm
Ambient air temperature for operation 0…+40 °C
Ambient air temperature for storage -15°C…+70 °C
Maximum radial load 2058 N
Maximum axial load 980 N
Maximum current 59 A
Order code / Manufacturer SKU HG-SR7024G5 1/5
Manufacturer product status Commercialized
Equivalent to HGSR7024G515
Compliant with standard(s) CE marking TUV Rheinland cULus UL KC EN61800-3 EN60034-1 EN62061 SILCL3 EN50581 UL1004-1 UL1004-6 CSA KC EAC
Gear ratio 1/5 (gearhead)
Backlash 3arcminutes (0.05°) maximum
Recommended accessories for standard 1-axis use amplifiers – MR-J4-700GF4 – MR-J4-700GF4-RJ – MR-J4-700B4 – MR-J4-700B4-RJ – MR-J4-DU900B4 – MR-J4-DU900B4-RJ – MR-J4-700A4 – MR-J4-700A4-RJ Use amplifier motor cables as follows – Encoder cable for HG-SR and HG-SR (direct connection type) — Standard bending life –> 2m ( MR-J3ENSCBL2M-L ) – Encoder cable for HG-SR and HG-SR (direct connection type) — Standard bending life –> 2m ( MR-J3ENSCBL2M-L ) –> 5m ( MR-J3ENSCBL5M-L ) –> 10m ( MR-J3ENSCBL10M-L ) –> 20m ( MR-J3ENSCBL20M-L ) –> 30m ( MR-J3ENSCBL30M-L ) — Long bending life –> 2m ( MR-J3ENSCBL2M-H ) –> 5m ( MR-J3ENSCBL5M-H ) –> 10m ( MR-J3ENSCBL10M-H ) –> 15m ( MR-J3ENSCBL15M-H ) –> 17m ( MR-J3ENSCBL17M-H ) –> 20m ( MR-J3ENSCBL20M-H ) –> 30m ( MR-J3ENSCBL30M-H ) –> 40m ( MR-J3ENSCBL40M-H ) –> 50m ( MR-J3ENSCBL50M-H or MR-J3ENS4CBL50M-H ) –> 60m ( MR-J3ENSCBL60M-H or MR-J3ENS4CBL60M-H ) –> 80m ( MR-J3ENS4CBL80M-H ) –> 90m ( MR-J3ENS4CBL90M-H ) –> 100m ( MR-J3ENS4CBL100M-H ) – Power supply cable cables (straight type connector) — Standard bending life –> 2m ( MR-J3P7-2M ) –> 5m ( MR-J3P7-5M ) –> 7m ( MR-J3P7-7M ) –> 10m ( MR-J3P7-10M ) –> 15m ( MR-J3P7-15M ) –> 20m ( MR-J3P7-20M ) –> 25m ( MR-J3P7-25M ) –> 30m ( MR-J3P7-30M ) –> 50m ( MR-J3P7-50M ) – Power supply cable; Shielded type cables (straight type connector) — Long bending life –> 2m ( MR-J3PWS7-2M ) –> 5m ( MR-J3PWS7-5M ) –> 10m ( MR-J3PWS7-10M ) –> 15m ( MR-J3PWS7-15M ) –> 20m ( MR-J3PWS7-20M ) –> 25m ( MR-J3PWS7-25M ) –> 30m ( MR-J3PWS7-30M ) –> 40m ( MR-J3PWS7-40M ) –> 50m ( MR-J3PWS7-50M ) – Power supply cable for HG-SR/HG-JR/HG-UR series to MR-J4W2/MR-J4W3 series amplifier — Standard bending life –> 2m ( SC-EPWS2CBL2M-L ) –> 5m ( SC-EPWS2CBL5M-L ) –> 10m ( SC-EPWS2CBL10M-L ) –> 20m ( SC-EPWS2CBL20M-L ) –> 30m ( SC-EPWS2CBL30M-L ) — Long bending life –> 2m ( SC-EPWS2CBL2M-H ) –> 5m ( SC-EPWS2CBL5M-H ) –> 10m ( SC-EPWS2CBL10M-H ) –> 20m ( SC-EPWS2CBL20M-H ) –> 30m ( SC-EPWS2CBL30M-H )

Documentos

Entre em Contato

Marca

Mitsubishi Electric