Visão geral
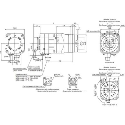
Este é um servo motor rotativo AC com engrenagem, também conhecido como motorredutor, fabricado pela Mitsubishi Electric, pertencente à série MELSERVO J4. Ele é equipado com um eixo reto, freio eletromecânico integrado e um encoder absoluto de 22 bits para feedback de alta precisão.
O motor possui uma caixa de engrenagens de alta precisão com relação 1/11 e saída tipo flange. Sua capacidade nominal é de 2000W (2kW), com velocidade rotacional nominal de 2000 RPM e torque nominal de 9.5 Nm. O grau de proteção é IP44, sendo adequado para operação em temperaturas ambientes de 0 a 40°C.
O design inclui resfriamento natural, dois conectores tipo MS e é projetado para montagem em flange de 120x120mm na saída da caixa de engrenagens. O backlash máximo é de 3 minutos de arco (0.05°).
Principais recursos
- Servo motor rotativo AC com engrenagem
- Eixo reto
- Freio eletromecânico integrado
- Encoder absoluto de 22 bits
- Caixa de engrenagens de alta precisão (relação 1/11)
- Saída tipo flange
- Potência nominal de 2kW
- Velocidade nominal de 2000 RPM
- Torque nominal de 9.5 Nm
- Resfriamento natural
- Conectores tipo MS
- Proteção IP44
Especificações
| Parâmetro | Valor |
|---|---|
| Marca principal | Mitsubishi Electric |
| Função principal | Servo motor AC |
| Série / nome da família do produto | MELSERVO J4 series |
| Nome da subgama | HG-SR series |
| Funções | Servo motor rotativo AC com engrenagem / motorredutor |
| Projeto | Eixo reto, freio e/m integrado, encoder absoluto embutido (22 bits), caixa de engrenagens de alta precisão 1/11 (saída flangeada), inércia/potência média, resfriamento natural |
| Tensão de alimentação (AC) | Classe 200Vac |
| Corrente nominal | 9.6A |
| Potência ativa nominal (kW) | 2000W / 2kW |
| Velocidade de rotação | 2000rpm (nominal) 3000rpm (máxima) |
| Torque | 9.5Nm nominal |
| Torque máximo | 28.6Nm |
| Momento de inércia | 0.00609kg.m² (60.9kg.cm²) |
| Tipo de conexão | 2 conectores tipo MS |
| Eficiência | 77-92% |
| Modo de montagem | Montagem flangeada 120x120mm (saída da caixa de engrenagens) |
| Resolução | Feedback de 22 bits (equivalente a 4194304ppr) |
| Grau de proteção | IP44 |
| Dimensões | A228.9mm x L176mm x P352mm |
| Altura líquida (mm) | 228.9 mm |
| Largura líquida (mm) | 176 mm |
| Profundidade líquida (mm) | 352 mm |
| Temperatura ambiente para operação | 0…+40 °C |
| Temperatura ambiente para armazenamento | -15°C…+70 °C |
| Carga radial máxima | 2058 N |
| Carga axial máxima | 980 N |
| Corrente máxima | 31 A |
| Código de pedido / SKU do fabricante | HG-SR202BG5 1/11 |
| Status do produto do fabricante | Comercializado |
| Equivalente a | HGSR202BG5111 |
| Em conformidade com a(s) norma(s) | Marcação CE, TUV Rheinland, cULus, UL, KC, EN61800-3, EN60034-1, EN62061 SILCL3, EN50581, UL1004-1, UL1004-6, CSA, KC, EAC |
| Relação de engrenagem | 1/11 (caixa de engrenagens) |
| Folga (backlash) | Máximo de 3 minutos de arco (0.05°) |
Documentos
Acessórios recomendados incluem amplificadores das séries MR-J4 e cabos de conexão para encoder e alimentação. Verifique a documentação completa para compatibilidade e seleção de cabos adequados.
Entre em contato conosco para mais informações sobre este produto.



