Visão geral
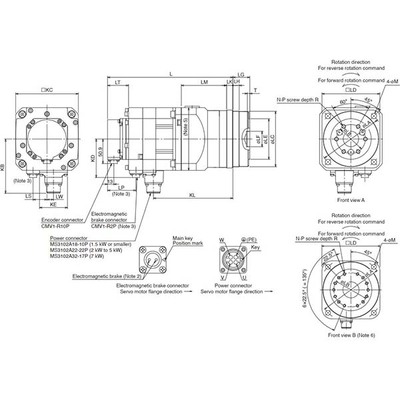
O servo motor AC com engrenagem rotativo MELSERVO J4, modelo HG-SR2024G5, é uma solução robusta da Mitsubishi Electric projetada para aplicações industriais de alta performance. Possui um eixo reto com feedback absoluto integrado de 22 bits e um redutor de alta precisão com relação de 1/45 e saída flangeada.
Este motor oferece uma capacidade de potência nominal de 2000W (2kW), com uma classe de tensão de alimentação de 400Vac. O torque nominal é de 9.5Nm, e a velocidade rotacional nominal atinge 2000rpm, com uma velocidade máxima de 3000rpm. O design com resfriamento natural garante operação contínua em ambientes desafiadores.
A carcaça possui um padrão de montagem flangeado de 170x170mm, com um grau de proteção IP44. O backlash máximo é de 3 minutos de arco (0.05°), assegurando movimentos precisos. Para conectividade, conta com 2 conectores tipo MS e é classificado para operação em temperaturas ambientes de 0 a 40°C.
Principais recursos
- Servo motor AC com engrenagem rotativo
- Feedback absoluto de 22 bits
- Redutor de alta precisão com relação 1/45
- Eixo reto
- Saída flangeada
- Potência nominal de 2kW
- Tensão de alimentação 400Vac
- Torque nominal de 9.5Nm
- Velocidade rotacional nominal de 2000rpm
- Montagem flangeada 170x170mm
- Backlash máximo de 3′ (0.05°)
- Grau de proteção IP44
- 2 conectores tipo MS
- Operação em ambiente de 0 a 40°C
Especificações
| Parâmetro | Valor |
|---|---|
| Marca principal | Mitsubishi Electric |
| Função principal | Servo motor AC |
| Série de produtos / nome da família | MELSERVO J4 series |
| Nome da subgama | HG-SR series |
| Funções | Servo motor AC com engrenagem rotativo / motorredutor |
| Design | Eixo reto com codificador de feedback absoluto integrado (22 bits), redutor de alta precisão 1/45 (saída flangeada), inércia média / capacidade de potência média, resfriamento natural |
| Tensão de alimentação (AC) | Classe 400Vac |
| Corrente nominal | 4.9A |
| Potência ativa nominal (kW) | 2000W / 2kW |
| Velocidade de rotação | 2000rpm, 3000rpm (máxima) |
| Torque | 9.5Nm nominal |
| Torque máximo | 28.6Nm |
| Momento de inércia | 0.00522kg.m² (52.2kg.cm²) |
| Tipo de conexão | 2 conectores tipo MS |
| Eficiência | 77-92% |
| Modo de montagem | Montagem flangeada 170x170mm (saída do redutor) |
| Resolução | Feedback de 22 bits (equivalente a 4194304ppr) |
| Grau de proteção | IP44 |
| Dimensões | A228.9mm x L176mm x P340.5mm |
| Altura líquida (mm) | 228.9 mm |
| Largura líquida (mm) | 176 mm |
| Profundidade líquida (mm) | 340.5 mm |
| Temperatura do ar ambiente para operação | 0…+40 °C |
| Temperatura do ar ambiente para armazenamento | -15°C…+70 °C |
| Carga radial máxima | 2058 N |
| Carga axial máxima | 980 N |
| Corrente máxima | 17 A |
| Código de pedido / SKU do fabricante | HG-SR2024G5 1/45 |
| Status do produto do fabricante | Comercializado |
| Equivalente a | HGSR2024G5145 |
| Em conformidade com padrões | Marcação CE, TUV Rheinland, cULus, UL, KC, EN61800-3, EN60034-1, EN62061 SILCL3, EN50581, UL1004-1, UL1004-6, CSA, KC, EAC |
| Relação de engrenagem | 1/45 (redutor) |
| Backlash | Máximo de 3 minutos de arco (0.05°) |
Documentos
Este produto é compatível com os amplificadores e cabos de conexão listados nas especificações, garantindo uma integração completa no seu sistema. Consulte a documentação técnica para detalhes sobre compatibilidade e instalação.
Para mais informações ou para discutir suas necessidades de automação, entre em contato conosco:




