Principais recursos
- Servo motor AC rotativo com engrenagem e eixo reto
- Feedback absoluto embutido de 22 bits
- Redutor de alta precisão com relação 1/33 e saída flangeada
- Classe de tensão de alimentação 400Vca
- Torque nominal de 7.2Nm
- Velocidade rotacional nominal de 2000rpm
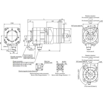
- Montagem em flange de 170x170mm
- Jogo máximo (backlash) de 3 minutos de arco (0.05°)
- Grau de proteção IP44
- Conectores tipo MS
Especificações
| Parâmetro | Valor |
|---|---|
| Marca principal | Mitsubishi Electric |
| Função principal | Servo motor AC |
| Série/família de produto | MELSERVO J4 series |
| Nome da subgama | HG-SR series |
| Funções | Servo motor AC rotativo com engrenagem / motor-redutor |
| Projeto | Eixo reto com codificador de feedback absoluto embutido (22 bits) e redutor de alta precisão 1/33 (saída flangeada), inércia média/capacidade de potência média, refrigeração natural. |
| Tensão de alimentação (CA) | Classe 400Vca |
| Corrente nominal | 4.7A |
| Potência ativa nominal (kW) | 1500W / 1.5kW |
| Velocidade de rotação | 2000rpm 3000rpm (máxima) |
| Torque | 7.2Nm nominal |
| Torque máximo | 21.5Nm |
| Momento de inércia | 0.00207kg.m2 (20.7kg.cm2) |
| Tipo de conexão | 2 x conectores tipo MS |
| Eficiência | 77-92% |
| Modo de montagem | Montagem em flange de 170x170mm (saída do redutor) |
| Resolução | Feedback de 22 bits (equivalente a 4194304ppr) |
| Grau de proteção | IP44 |
| Dimensões | A177.5mm x L130mm x P322.5mm |
| Altura líquida (mm) | 177.5 mm |
| Largura líquida (mm) | 130 mm |
| Profundidade líquida (mm) | 322.5 mm |
| Temperatura ambiente para operação | 0…+40 °C |
| Temperatura ambiente para armazenamento | -15°C…+70 °C |
| Carga radial máxima | 980 N |
| Carga axial máxima | 490 N |
| Corrente máxima | 17 A |
| Código de pedido / SKU do fabricante | HG-SR1524G5 1/33 |
| Status do produto do fabricante | Comercializado |
| Equivalente a | HGSR1524G5133 |
| Em conformidade com norma(s) | Marcação CE, TUV Rheinland, cULus, UL, KC, EN61800-3, EN60034-1, EN62061 SILCL3, EN50581, UL1004-1, UL1004-6, CSA, KC, EAC |
| Relação de engrenagem | 1/33 (redutor) |
| Jogo (Backlash) | Máximo de 3 minutos de arco (0.05°) |
Documentos
Acessórios recomendados e cabos de conexão (encoder e alimentação) estão detalhados na documentação. Consulte a documentação para informações sobre compatibilidade com amplificadores da série MR-J4 e cabos de conexão específicos.
Para mais informações, entre em contato conosco.



