Servo Motor AC Geared Mitsubishi MELSERVO J4 HG-SR1524BG5 1/5 1.5kW 400V com Freio e Encoder Absoluto 22-bit

Consulte as Condições de Fornecimento

Servo Motor AC Geared Mitsubishi MELSERVO J4 HG-SR1524BG5 1/5 1.5kW 400V com Freio e Encoder Absoluto 22-bit — Mitsubishi Electric

SKU: HG-SR1524BG5 1/5 Categoria: Marca:

Motor Servo AC com Redutor HG-SR1524BG5 1.5kW Servo Motor AC Geared Mitsubishi HG-SR1524BG5 1/5 1.5kW 400V com freio e encoder absoluto 22-bit.

Visão geral

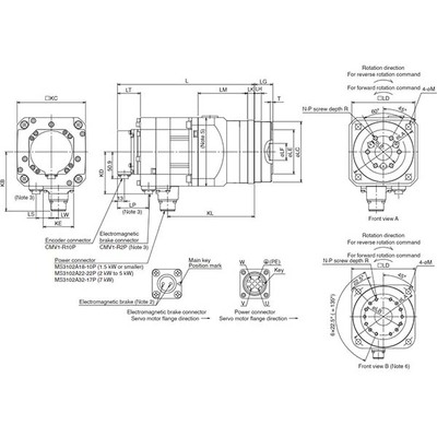
Este é um servo motor rotativo AC com redutor da série MELSERVO J4 da Mitsubishi Electric. Projetado para aplicações de alta precisão, ele integra um freio eletromagnético e um encoder absoluto de 22 bits para feedback detalhado.

O motor possui um redutor de alta precisão com relação de 1/5 e saída por flange, garantindo desempenho confiável em ambientes industriais. Sua construção inclui um eixo reto e oferece resfriamento natural, sendo adequado para operação contínua.

Principais recursos

  • Servo motor AC rotativo com redutor
  • Freio eletromagnético integrado
  • Encoder absoluto de 22 bits integrado
  • Redutor de alta precisão com relação 1/5
  • Eixo reto
  • Montagem por flange de 90x90mm
  • Classe de tensão de alimentação 400Vac
  • Proteção IP44
  • Conectores tipo MS

Especificações

Parâmetro Valor
Marca principal Mitsubishi Electric
Função principal Servo motor AC
Série / nome da família do produto MELSERVO J4 series
Nome da sub-gama HG-SR series
Funções Servo motor AC rotativo com redutor / motorredutor
Projeto Eixo reto, freio e/m embutido, codificador absoluto embutido (22 bits), redutor de alta precisão 1/5 (saída flangeada), inércia média / capacidade de potência média, resfriamento natural
Tensão de alimentação (AC) Classe 400Vac
Corrente nominal 4.7A
Potência ativa nominal (kW) 1500W / 1.5kW
Velocidade de rotação 2000rpm, 3000rpm (máxima)
Torque nominal 7.2Nm
Torque máximo 21.5Nm
Momento de inércia 0.00189kg.m² (18.9kg.cm²)
Tipo de conexão 2 x conectores tipo MS
Eficiência 77-92%
Modo de montagem Montagem por flange de 90x90mm (saída do redutor)
Resolução Feedback de 22 bits (equivalente a 4194304ppr)
Grau de proteção IP44
Dimensões A177.5mm x L130mm x P303mm
Altura líquida (mm) 177.5 mm
Largura líquida (mm) 130 mm
Profundidade líquida (mm) 303 mm
Temperatura do ar ambiente para operação 0…+40 °C
Temperatura do ar ambiente para armazenamento -15°C…+70 °C
Carga radial máxima 980 N
Carga axial máxima 490 N
Corrente máxima 17 A
Código de pedido / SKU do fabricante HG-SR1524BG5 1/5
Status do produto do fabricante Comercializado
Equivalente a HGSR1524BG515
Em conformidade com a(s) norma(s) Marcação CE, TUV Rheinland, cULus, UL, KC, EN61800-3, EN60034-1, EN62061 SILCL3, EN50581, UL1004-1, UL1004-6, CSA, KC, EAC
Relação de engrenagem 1/5 (redutor)
Folga (backlash) Máximo de 3 minutos de arco (0.05°)

Documentos

Este produto é compatível com os amplificadores e cabos listados na seção de acessórios recomendados. Verifique a compatibilidade específica com seus requisitos de aplicação. Entre em contato conosco para mais informações.

Marca

Mitsubishi Electric