Servo Motor AC Geared MELSERVO J5 Mitsubishi Electric HK-ST52BG1H 1/11 500W 200Vac 2000rpm Freio Encoder 26-bit IP67

Consulte as Condições de Fornecimento

Visão geral

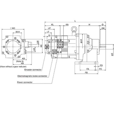
Este é um servomotor rotativo AC acionado por engrenagem / motor de engrenagem com eixo com chaveta, freio eletromecânico

SKU: HK-ST52BG1H 1/11 Categoria: Marca:

Principais recursos

  • Servomotor rotativo AC acionado por engrenagem / motor de engrenagem
  • Eixo com chaveta
  • Freio eletromecânico integrado
  • Feedback absoluto integrado (codificador de 26 bits)
  • Caixa de engrenagens padrão de relação 1/11
  • Proteção IP67
  • Codificador de posição absoluto sem bateria
  • Conectores de engate rápido para encoder, freios e alimentação

Especificações

Parâmetro Valor
Marca principal Mitsubishi Electric
Função principal Servomotor AC
Série / nome da família do produto Série MELSERVO J5
Nome da subgama Série HK-ST
Funções Servomotor rotativo AC acionado por engrenagem / motor de engrenagem
Projeto Eixo com chaveta, freio eletromecânico integrado, codificador absoluto integrado (26 bits), caixa de engrenagens padrão 1/11, montagem em pés, estrutura de refrigeração natural totalmente fechada (TENC), capacidade de inércia média / potência média, refrigeração natural.
Tensão de alimentação (AC) Classe 200Vac
Corrente nominal 3A (com amplificador de 200Vac)
Potência ativa nominal (kW) 500W / 0,5kW
Velocidade de rotação 2000rpm, 4000rpm (máxima)
Torque 2,4Nm nominal
Torque máximo 7,2Nm
Momento de inércia 0,000854kg.m² (8,54kg.cm²)
Modo de montagem Flange de 130x130mm com montagem em pés (saída da caixa de engrenagens)
Resolução Feedback de 26 bits (equivalente a 67108864ppr)
Grau de proteção IP67
Dimensões A219mm x L180mm x P355mm
Altura líquida (mm) 219 mm
Largura líquida (mm) 180 mm
Profundidade líquida (mm) 355 mm
Temperatura do ar ambiente para operação 0…+60 °C
Temperatura do ar ambiente para armazenamento -25°C…+70 °C
Carga radial máxima 2391 N
Carga axial máxima 1470 N
Corrente máxima 11 A
Código de pedido / SKU do fabricante HK-ST52BG1H 1/11
Status do produto do fabricante Comercializado
Equivalente a HKST52BG1H111
Em conformidade com a(s) norma(s) Marcação CE, TUV Rheinland, UKCA, cURus, EN60034-1, EN61800-3, EN63000, UL, CSA
Benefícios Codificador de posição absoluto sem bateria; cabos para o codificador, freios eletromagnéticos e alimentação equipados com engate rápido.
Relação de engrenagem 1/11 (caixa de engrenagens)

Documentos

Acessórios recomendados incluem amplificadores das séries MR-J5 (como MR-J5-60A-RJ, MR-J5-70G-RJ, MR-J5W2-77G) e cabos codificadores (MR-J3ENSCBL2M-L, MR-J3ENSCBL5M-H, etc.) e cabos para codificador de carga (MR-EKCBL2M-H).

Entre em contato para mais informações.

Documentos

Marca

Mitsubishi Electric