Visão geral
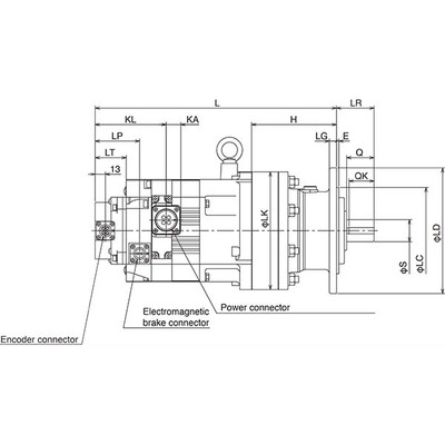
Motor servo rotativo AC com engrenagem (servomotor/engrenagem) da Mitsubishi Electric, série MELSERVO J5, modelo HK-ST102BG1 1/43. Possui eixo com chaveta, freio eletromagnético integrado e feedback absoluto (encoder) de 26 bits.
Este servomotor é projetado para aplicações industriais que exigem precisão e confiabilidade, oferecendo uma estrutura totalmente fechada com resfriamento natural. O redutor padrão de relação 1/43 otimiza o torque e a velocidade para diversas tarefas.
Com tensão de alimentação na classe de 200V AC, corrente nominal de 5.3A e torque nominal de 4.8Nm, o HK-ST102BG1 1/43 atinge 2000 RPM nominais e é adequado para ambientes com temperatura de 0 a 60 °C, com proteção IP67.
Principais recursos
- Motor servo rotativo AC com engrenagem (servomotor/engrenagem)
- Eixo com chaveta
- Freio eletromagnético integrado
- Encoder absoluto de 26 bits integrado
- Redutor padrão 1/43
- Estrutura TENC (Totalmente Fechada com Resfriamento Natural)
- Inércia e potência médias
- Resfriamento natural
- Proteção IP67
- Encoder absoluto sem bateria
- Conectores com trava de um toque para encoder, freios eletromagnéticos e alimentação
Especificações
| Parâmetro | Valor |
|---|---|
| Marca principal | Mitsubishi Electric |
| Função principal | Servo motor AC |
| Série/família de produtos | MELSERVO J5 series |
| Nome da sub-gama | HK-ST series |
| Funções | Motor servo rotativo AC com engrenagem / engrenagem |
| Design | Eixo com chaveta, freio eletromagnético integrado, encoder absoluto (26 bits) integrado, redutor padrão 1/43, estrutura TENC (Totalmente Fechada com Resfriamento Natural), capacidade de média inércia / média potência, resfriamento natural |
| Tensão de alimentação (AC) | 200Vac class |
| Corrente nominal | 5.3A (com amplificador 200Vac) |
| Potência ativa nominal (kW) | 1000W / 1kW |
| Velocidade de rotação | 2000rpm, 4000rpm (máxima) |
| Torque | 4.8Nm nominal |
| Torque máximo | 14.4Nm |
| Momento de inércia | 0.00131kg.m² (13.1kg.cm²) |
| Modo de montagem | Montagem em flange de 130x130mm |
| Resolução | Encoder de 26 bits (equivalente a 67108864ppr) |
| Grau de proteção | IP67 |
| Dimensões | A260mm x L260mm x P432mm |
| Altura líquida (mm) | 260 mm |
| Largura líquida (mm) | 260 mm |
| Profundidade líquida (mm) | 432 mm |
| Temperatura do ar ambiente para operação | 0…+60 °C |
| Temperatura do ar ambiente para armazenamento | -25°C…+70 °C |
| Carga radial máxima | 6047 N |
| Carga axial máxima | 3920 N |
| Corrente máxima | 18 A |
| Código de pedido / SKU do fabricante | HK-ST102BG1 1/43 |
| Status do produto do fabricante | Comercializado |
| Equivalente a | HKST102BG1143 |
| Em conformidade com norma(s) | Marcação CE, TUV Rheinland, UKCA, cURus, EN60034-1, EN61800-3, EN63000, UL, CSA |
| Benefícios | Encoder de posição absoluto sem bateria; cabos para o encoder, freios eletromagnéticos e alimentação são equipados com trava de um toque |
| Relação de engrenagem | 1/43 (redutor) |
Documentos
Este produto é compatível com amplificadores das séries MR-J5. Para cabos de encoder e outros acessórios, consulte a documentação técnica detalhada. Não há informações sobre substituições explícitas disponíveis.
Entre em contato para mais informações sobre este produto.




