Visão geral
Motor Spindle com eixo reto e encoder absoluto integrado, tipo 2, da série SJ-V da Mitsubishi Electric. Este motor é projetado para aplicações de máquinas operatrizes, oferecendo alta performance e confiabilidade.
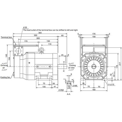
Com uma saída nominal de 2200W (2.2kW) e torque nominal de 9.5Nm, opera em uma classe de tensão de alimentação de 200Vac e velocidade rotacional nominal de 1500rpm. Seu design robusto inclui um flange de 174x174mm com montagem por pés e grau de proteção IP44, adequando-se a ambientes operacionais de 0 a 40°C.
Este modelo é uma solução eficiente para atender às diversas necessidades de máquinas operatrizes, com foco em desempenho e durabilidade.
Principais recursos
- Eixo reto com encoder absoluto integrado
- Saída nominal de 2.2kW
- Torque nominal de 9.5Nm
- Velocidade rotacional nominal de 1500rpm
- Flange de 174x174mm com montagem por pés
- Grau de proteção IP44
- Operação em temperatura ambiente de 0 a 40°C
Especificações
| Parâmetro | Valor |
|---|---|
| Marca principal | Mitsubishi Electric |
| Função principal | Servomotor CA |
| Série / nome da família do produto | Série SJ-V |
| Funções | Motor Spindle |
| Projeto | Eixo reto com encoder absoluto integrado, tipo 2, inércia média |
| Tensão de alimentação (CA) | Classe 200Vac |
| Potência ativa nominal (kW) | 2200W / 2.2kW |
| Velocidade de rotação | 1500rpm / 10000rpm (máxima) |
| Torque | 9.5Nm nominal |
| Momento de inércia | 0.007kg.m² (7kg.cm²) |
| Modo de montagem | Flange de 174x174mm com montagem por pés |
| Grau de proteção | IP44 |
| Dimensões | A238mm x L186mm x P360mm |
| Altura líquida (mm) | 238 mm |
| Largura líquida (mm) | 186 mm |
| Profundidade líquida (mm) | 360 mm |
| Temperatura ambiente para operação | 0…+40 °C |
| Temperatura ambiente para armazenamento | -20°C…+65 °C |
| Carga radial máxima | 980 N |
| Código de pedido / SKU do fabricante | SJ-V2.2-01T(M) |
| Status do produto do fabricante | Comercializado |
| Benefícios | Motores Spindle de alto desempenho. Uma vasta gama de motores Spindle está disponível e pronta para suportar as necessidades diversificadas de máquinas operatrizes. |
Documentos
O fabricante é a Mitsubishi Electric.
Entre em contato para mais informações sobre este produto.



