Visão geral
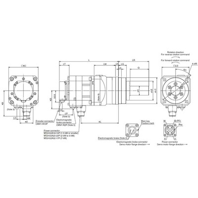
Este é um servomotor rotativo CA com redutor, modelo HG-SR202G7K da série MELSERVO J4 da Mitsubishi Electric. Equipado com um eixo com chaveta e feedback absoluto de 22 bits integrado, este motor oferece alta precisão em suas operações. O redutor de precisão 1/5 garante uma relação de transmissão robusta para aplicações que exigem torque e controle superiores.
Com uma potência nominal de 2000W (2kW) e uma classe de tensão de 200Vac, este motor é adequado para diversas aplicações industriais. Ele opera em uma faixa de velocidade rotacional de até 2000rpm, com um torque nominal de 9.5Nm. O design de resfriamento natural e a proteção IP44 garantem confiabilidade em ambientes operacionais desafiadores.
Principais recursos
- Servomotor rotativo CA com redutor
- Feedback absoluto de 22 bits integrado
- Redutor de precisão com relação 1/5
- Potência nominal de 2000W (2kW)
- Tensão de alimentação 200Vac
- Torque nominal de 9.5Nm
- Velocidade rotacional nominal de 2000rpm
- Montagem em flange de 120x120mm
- Folga máxima de 3 minutos de arco (0.05°)
- Grau de proteção IP44
- Conectores tipo MS
- Faixa de temperatura ambiente de 0 a 40°C
Especificações
| Parâmetro | Valor |
|---|---|
| Marca principal | Mitsubishi Electric |
| Função principal | Servomotor CA |
| Série / nome da família do produto | MELSERVO J4 series |
| Nome da subgama | HG-SR series |
| Funções | Servomotor rotativo CA com redutor |
| Projeto | Eixo com chaveta, feedback absoluto integrado de 22 bits, redutor de alta precisão 1/5 (saída pelo eixo), inércia média/capacidade de potência média, resfriamento natural |
| Tensão de alimentação (CA) | Classe 200Vac |
| Corrente nominal | 9.6A |
| Potência ativa nominal (kW) | 2000W / 2kW |
| Velocidade de rotação | 2000rpm 3000rpm (máxima) |
| Torque | 9.5Nm nominal |
| Torque máximo | 28.6Nm |
| Momento de inércia | 0.00517kg.m² (51.7kg.cm²) |
| Tipo de conexão | 2 x conectores tipo MS |
| Eficiência | 77-92% |
| Modo de montagem | Montagem em flange de 120x120mm (saída pelo redutor) |
| Resolução | Feedback de 22 bits (equivalente a 4194304ppr) |
| Grau de proteção | IP44 |
| Dimensões | A228.9mm x L176mm x P400.5mm |
| Altura líquida (mm) | 228.9 mm |
| Largura líquida (mm) | 176 mm |
| Profundidade líquida (mm) | 400.5 mm |
| Temperatura ambiente para operação | 0…+40 °C |
| Temperatura ambiente para armazenamento | -15°C…+70 °C |
| Carga radial máxima | 2058 N |
| Carga axial máxima | 980 N |
| Corrente máxima | 31 A |
| Código de pedido / SKU do fabricante | HG-SR202G7K 1/5 |
| Status do produto do fabricante | Comercializado |
| Equivalente a | HGSR202G7K15 |
| Em conformidade com as normas | Marca CE, TUV Rheinland, cULus, UL, KC, EN61800-3, EN60034-1, EN62061 SILCL3, EN50581, UL1004-1, UL1004-6, CSA, KC, EAC |
| Relação de transmissão | 1/5 (redutor) |
| Folga | Máximo de 3 minutos de arco (0.05°) |
Documentos
Este produto é um servomotor rotativo com redutor. Verifique a compatibilidade com os amplificadores e cabos recomendados nas especificações do fabricante.
Para mais informações sobre nossos produtos e soluções, entre em contato conosco.




