Principais recursos
- Acoplado a redutor de alta precisão com relação 1/21
- Encoder absoluto embutido de 26 bits
- Potência nominal de 1.5kW
- Tensão de alimentação de 200V AC
- Torque nominal de 8.4Nm
- Velocidade rotacional nominal de 2000rpm
- Grau de proteção IP67
- Montagem em flange de 130x130mm
- Estrutura Totally Enclosed Natural Cooling (TENC)
- Codificador de posição absoluto sem bateria
- Conexões de um toque para encoder, freios eletromagnéticos e energia
Especificações
| Parâmetro | Valor |
|---|---|
| Marca principal | Mitsubishi Electric |
| Função principal | Servomotor AC |
| Série / nome da família do produto | Série MELSERVO J5 |
| Nome da sub-gama | Série HK-ST |
| Funções | Servomotor AC rotativo acoplado a redutor / motorredutor |
| Projeto | Eixo reto com encoder absoluto embutido (26 bits) e redutor de alta precisão 1/21 (saída flangeada), estrutura Totally Enclosed Natural Cooling (TENC), capacidade de inércia média / potência média, refrigeração natural |
| Tensão de alimentação (AC) | Classe 200Vac |
| Corrente nominal | 9.3A |
| Potência ativa nominal (kW) | 1500W / 1.5kW |
| Velocidade rotacional | 2000rpm 3000rpm (máxima) |
| Torque | 8.4Nm nominal |
| Torque máximo | 25.1Nm |
| Momento de inércia | 0.00171kg.m² (17.1kg.cm²) |
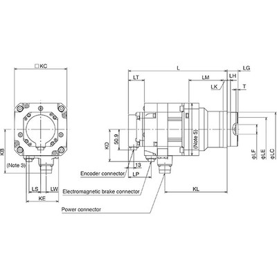
| Modo de montagem | Montagem em flange de 130x130mm |
| Resolução | Feedback de 26 bits (equivalente a 67108864ppr) |
| Grau de proteção | IP67 |
| Dimensões | A173.8mm x L130mm x P313.5mm |
| Altura líquida (mm) | 173.8 mm |
| Largura líquida (mm) | 130 mm |
| Profundidade líquida (mm) | 313.5 mm |
| Temperatura do ar ambiente para operação | 0…+60 °C |
| Temperatura do ar ambiente para armazenamento | -25°C…+70 °C |
| Carga radial máxima | 2558 N |
| Carga axial máxima | 8845 N |
| Corrente máxima | 32 A |
| Código de pedido / SKU do fabricante | HK-ST152G5 1/21 |
| Status do produto do fabricante | Comercializado |
| Equivalente a | HKST152G5121 |
| Em conformidade com as normas | Marcação CE, TUV Rheinland, UKCA, cURus, EN60034-1, EN61800-3, EN63000, UL, CSA |
| Benefícios | Codificador de posição absoluto sem bateria, cabos para o encoder, freios eletromagnéticos e energia equipados com trava de um toque |
| Relação de engrenagem | 1/21 (redutor) |
Documentos
Este produto é compatível com os amplificadores e cabos de motor recomendados listados nas especificações.
Entre em contato conosco para mais informações sobre este produto.




