Visão geral
Este é um servomotor rotativo AC com redutor, pertencente à série MELSERVO J5 da Mitsubishi Electric. Ele integra um encoder absoluto de 26 bits e um redutor com relação de 1/29.
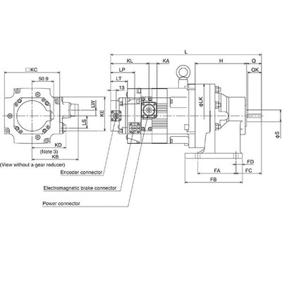
O motor possui um eixo com chaveta e apresenta uma estrutura totalmente fechada com resfriamento natural. É classificado com grau de proteção IP67, sendo adequado para operação em ambientes com temperaturas de 0 a 60°C.
Principais recursos
- Servomotor rotativo AC com redutor integrado.
- Encoder absoluto de 26 bits (equivalente a 67.108.864 pulsos/rotação).
- Redutor com relação 1/29.
- Eixo com chaveta.
- Montagem com flange de 176x176mm e pés.
- Estrutura totalmente fechada e resfriamento natural (TENC).
- Alta capacidade de torque.
- Encoder absoluto sem bateria.
- Conectores com trava de toque único para encoder, freios e alimentação.
Especificações
| Parâmetro | Valor |
|---|---|
| Marca principal | Mitsubishi Electric |
| Função principal | Servomotor AC |
| Série / família do produto | MELSERVO J5 series |
| Nome da sub-gama | HK-ST series |
| Funções | Servomotor rotativo AC com redutor / motorredutor |
| Projeto | Eixo com chaveta, encoder absoluto integrado (26 bits), redutor padrão 1/29, montagem com pés, estrutura totalmente fechada com resfriamento natural (TENC), inércia média / capacidade de potência média, resfriamento natural. |
| Tensão de alimentação (CA) | Classe 200VCA |
| Corrente nominal | 16A (com amplificador de 200VCA) |
| Potência ativa nominal (kW) | 3500W / 3,5kW |
| Velocidade de rotação | 2000rpm (nominal) / 3500rpm (máxima) |
| Torque nominal | 16,7Nm |
| Torque máximo | 50,1Nm |
| Momento de inércia | 0,00616kg.m² (61,6kg.cm²) |
| Modo de montagem | Flange de 176x176mm com montagem por pés (saída do redutor) |
| Resolução | Encoder de 26 bits (equivalente a 67.108.864 pulsos/rotação) |
| Grau de proteção | IP67 |
| Dimensões | A341mm x L410mm x P512mm |
| Altura líquida (mm) | 341 mm |
| Largura líquida (mm) | 410 mm |
| Profundidade líquida (mm) | 512 mm |
| Temperatura ambiente para operação | 0…+60 °C |
| Temperatura ambiente para armazenamento | -25°C…+70 °C |
| Carga radial máxima | 7291 N |
| Carga axial máxima | 6860 N |
| Corrente máxima | 52 A |
| Código de pedido / SKU do fabricante | HK-ST352G1H 1/29 |
| Status do produto do fabricante | Comercializado |
| Equivalente a | HKST352G1H129 |
| Em conformidade com as normas | Marcação CE, TUV Rheinland, UKCA, cURus, EN60034-1, EN61800-3, EN63000, UL, CSA |
| Vantagens | Encoder absoluto sem bateria, cabos do encoder, freios eletromagnéticos e alimentação equipados com trava de toque único. |
| Relação de engrenagem | 1/29 (redutor) |
Documentos
Acessórios recomendados incluem amplificadores das séries MR-J5-350 e MR-J5-500, além de cabos de encoder compatíveis. Consulte o catálogo para detalhes específicos de seleção e dimensionamento.
Para mais informações e suporte técnico, entre em contato conosco.




