Servo Motor Rotativo AC com Redutor 1/5 MELSERVO J4 Mitsubishi Electric HG-SR352G7K 1/5 3,5kW 22-bit 200Vac 16,7Nm

Consulte as Condições de Fornecimento

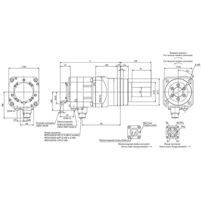
Servo Motor Rotativo AC Mitsubishi Electric 3,5kW Este servo motor rotativo AC com redutor, pertencente à série MELSERVO J4 da Mitsubishi Electric, modelo

SKU: HG-SR352G7K 1/5 Categoria: Marca:

Visão geral

O servo motor rotativo AC com redutor, parte da renomada série MELSERVO J4 da Mitsubishi Electric, combina um motor de alta performance com um redutor de precisão para aplicações exigentes. Equipado com um eixo estriado e feedback absoluto de 22 bits, este motor garante controle de posição extremamente preciso.

Destaca-se pela sua capacidade de operar com tensões de 200Vac, fornecendo torque nominal de 16,7Nm e velocidade rotacional nominal de 2000rpm. O redutor integrado com relação 1/5 e folga máxima de 3 minutos de arco (0,05°) o torna ideal para sistemas que requerem movimentos suaves e exatos.

Com classificação de proteção IP44 e montagem por flange de 120x120mm, este servo motor é robusto e adequado para ambientes operacionais que variam de 0 a 40°C. Inclui dois conectores tipo MS para facilitar a integração em sistemas existentes.

Principais recursos

  • Servo motor rotativo AC com redutor
  • Feedback absoluto de 22 bits
  • Redutor de alta precisão com relação 1/5
  • Potência nominal de 3500W / 3,5kW
  • Torque nominal de 16,7Nm
  • Velocidade rotacional nominal de 2000rpm
  • Montagem por flange de 120x120mm
  • Folga máxima de 3 minutos de arco (0,05°)
  • Grau de proteção IP44
  • Conectores tipo MS
  • Faixa de temperatura operacional de 0…+40°C

Especificações

Parâmetro Valor
Marca principal Mitsubishi Electric
Função principal Servo motor AC
Série / família de produtos Série MELSERVO J4
Nome da sub-gama Série HG-SR
Funções Servo motor rotativo AC com redutor
Design Eixo estriado com codificador de feedback absoluto integrado (22 bits), redutor de alta precisão 1/5 (saída de eixo), inércia média / capacidade de potência média, refrigeração natural
Tensão de alimentação (AC) Classe 200Vac
Corrente nominal 14A
Potência ativa nominal (kW) 3500W / 3,5kW
Velocidade de rotação 2000rpm (nominal), 3000rpm (máxima)
Torque 16,7Nm nominal
Torque máximo 50,1Nm
Momento de inércia 0,00835kg.m² (83,5kg.cm²)
Tipo de conexão 2 x conectores tipo MS
Eficiência 77-92%
Modo de montagem Montagem por flange de 120x120mm (saída do redutor)
Resolução Feedback de 22 bits (equivalente a 4194304ppr)
Grau de proteção IP44
Dimensões A228,9mm x L176mm x P424,5mm
Altura líquida (mm) 228,9 mm
Largura líquida (mm) 176 mm
Profundidade líquida (mm) 424,5 mm
Temperatura ambiente para operação 0…+40 °C
Temperatura ambiente para armazenamento -15°C…+70 °C
Carga radial máxima 2058 N
Carga axial máxima 980 N
Corrente máxima 45 A
Código de pedido / SKU do fabricante HG-SR352G7K 1/5
Status do produto do fabricante Comercializado
Equivalente a HGSR352G7K15
Em conformidade com as normas Marca CE, TUV Rheinland, cULus, UL, KC, EN61800-3, EN60034-1, EN62061 SILCL3, EN50581, UL1004-1, UL1004-6, CSA, KC, EAC
Relação de engrenagem 1/5 (redutor)
Folga Máximo de 3 minutos de arco (0,05°)

Documentos

Este servo motor é compatível com os amplificadores da série MR-J4 e requer cabos de encoder e de alimentação específicos. Consulte a documentação para a lista completa de acessórios recomendados e comprimentos de cabo disponíveis. Entre em contato conosco para mais informações sobre este produto. https://mokka-sensors.com.br/#contato

Marca

Mitsubishi Electric

Carrinho de compras