Visão geral
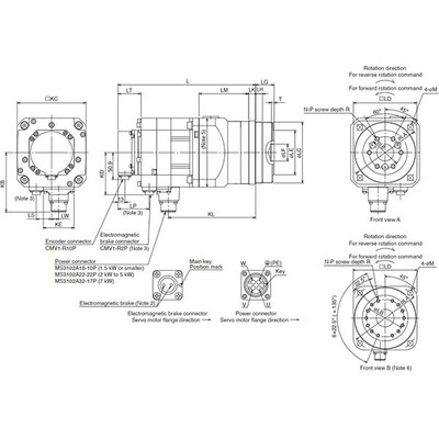
Este servomotor AC com engrenagens e eixo reto é equipado com feedback absoluto de 22 bits integrado. Possui um redutor de alta precisão com relação de transmissão de 1/45 e saída de flange, pertencente à série MELSERVO J4 da Mitsubishi Electric.
Oferece uma saída nominal de 500W (0.5kW) e uma relação de engrenagem de 1/45. O feedback de 22 bits equivale a 4.194.304 pulsos por revolução, garantindo alta resolução e precisão em sua operação. A corrente nominal é de 2.9A, com tensão de alimentação na classe de 200Vac.
O torque nominal é de 2.4Nm, e a velocidade de rotação nominal atinge 2000rpm. O modelo conta com montagem em flange de 120x120mm na saída do redutor e uma folga máxima (backlash) de 3 minutos de arco (0.05°). O grau de proteção é IP44, e o equipamento é classificado para operar em temperaturas ambientes de 0 a 40°C. É equivalente ao código HGSR52G5145.
Principais recursos
- Servomotor AC com engrenagens e eixo reto
- Feedback absoluto integrado de 22 bits
- Redutor de alta precisão com relação 1/45
- Saída de flange
- Montagem em flange de 120x120mm
- Grau de proteção IP44
- Conectores tipo MS
Especificações
| Parâmetro | Valor |
|---|---|
| Marca Principal | Mitsubishi Electric |
| Função Principal | Servomotor AC |
| Série / Família de Produtos | Série MELSERVO J4 |
| Nome da Sub-linha | Série HG-SR |
| Funções | Servomotor AC com engrenagens / Motorredutor |
| Projeto | Eixo reto, feedback absoluto integrado (22 bits), redutor de alta precisão 1/45 (saída de flange), inércia média / capacidade de potência média, refrigeração natural |
| Tensão de Alimentação (AC) | Classe 200Vac |
| Corrente Nominal | 2.9A |
| Potência Ativa Nominal (kW) | 500W / 0.5kW |
| Velocidade de Rotação | 2000rpm, 3000rpm (máxima) |
| Torque Nominal | 2.4Nm |
| Torque Máximo | 7.2Nm |
| Momento de Inércia | 0.000996kg.m² (9.96kg.cm²) |
| Tipo de Conexão | 2 x conectores tipo MS |
| Eficiência | 77-92% |
| Modo de Montagem | Montagem em flange de 120x120mm (saída do redutor) |
| Resolução | Feedback de 22 bits (equivalente a 4194304ppr) |
| Grau de Proteção | IP44 |
| Dimensões | A177.5mm x L130mm x P260.5mm |
| Altura Líquida (mm) | 177.5 mm |
| Largura Líquida (mm) | 130 mm |
| Profundidade Líquida (mm) | 260.5 mm |
| Temperatura Ambiente para Operação | 0…+40 °C |
| Temperatura Ambiente para Armazenamento | -15°C…+70 °C |
| Carga Radial Máxima | 980 N |
| Carga Axial Máxima | 490 N |
| Corrente Máxima | 9 A |
| Código de Pedido / SKU do Fabricante | HG-SR52G5 1/45 |
| Status do Produto do Fabricante | Comercializado |
| Equivalente a | HGSR52G5145 |
| Em conformidade com a(s) norma(s) | Marcação CE, TUV Rheinland, cULus, UL, KC, EN61800-3, EN60034-1, EN62061 SILCL3, EN50581, UL1004-1, UL1004-6, CSA, KC, EAC |
| Relação de Engrenagem | 1/45 (redutor) |
| Folga (Backlash) | Máximo de 3 minutos de arco (0.05°) |
Documentos
Este produto é comercializado pela Mitsubishi Electric e pode ter acessórios recomendados, como amplificadores e cabos, listados nas especificações detalhadas. Para informações sobre compatibilidade e substituição, consulte a documentação técnica do fabricante.
Entre em contato conosco para saber mais sobre este produto.


