Servo Motor Geared AC MELSERVO J5 Mitsubishi HK-ST152G1H Servo Motor Geared AC MELSERVO J5 Mitsubishi Electric HK-ST152G1H 1/17 de 1.5kW, 200V, com feedback absoluto de 26 bits. Ideal para aplicações industriais. ## Visão geral Este é um servomotor rotativo AC com redutor, da série MELSERVO J5 da Mitsubishi Electric. Equipado com um eixo estriado e um codificador absoluto embutido de 26 bits, este motor combina desempenho e precisão para diversas aplicações industriais. Possui um redutor padrão com relação de transmissão de 1/17, oferecendo um torque nominal de 8.4Nm. O motor opera em uma classe de tensão de 200V AC, com uma corrente nominal de 9.3A e potência de saída nominal de 1500W (1.5kW). A resolução do feedback de 26 bits equivale a 67.108.864 pulsos por revolução, garantindo um posicionamento extremamente preciso. Seu design com flange de 130x130mm e montagem com pés no redutor, juntamente com a proteção IP67, confere robustez e adaptabilidade a ambientes desafiadores. ### Principais recursos * Servomotor rotativo AC com redutor * Eixo estriado * Codificador absoluto embutido de 26 bits * Redutor padrão com relação 1/17 * Proteção contra ingresso de poeira e água IP67 * Estrutura totalmente fechada com refrigeração natural (TENC) * Inércia média / capacidade de média potência * Codificador absoluto sem bateria * Cabos de encoder, freios eletromagnéticos e alimentação equipados com trava de um toque. ### Especificações | Parâmetro | Valor | | :——————————– | :———————————————————— | | Marca principal | Mitsubishi Electric | | Função principal | Servomotor AC | | Série / nome da família do produto | Série MELSERVO J5 | | Nome da sub-gama | Série HK-ST | | Funções | Servomotor rotativo AC com redutor / motorredutor | | Design | Eixo estriado, codificador absoluto embutido (26 bits), redutor padrão 1/17, montagem com pés, refrigeração natural totalmente fechada (TENC), inércia média / capacidade de média potência, refrigeração natural. | | Tensão de alimentação (AC) | Classe 200Vac | | Corrente nominal | 9.3A | | Potência ativa nominal (kW) | 1500W / 1.5kW | | Velocidade de rotação | 2000rpm / 3000rpm (máxima) | | Torque | 8.4Nm nominal | | Torque máximo | 25.1Nm | | Momento de inércia | 0.00127kg.m² (12.7kg.cm²) | | Modo de montagem | Tamanho de flange 130x130mm com montagem com pés (saída do redutor) | | Resolução | Feedback de 26 bits (equivalente a 67108864ppr) | | Grau de proteção | IP67 | | Dimensões | A252mm x L230mm x P356mm | | Altura líquida (mm) | 252 mm | | Largura líquida (mm) | 230 mm | | Profundidade líquida (mm) | 356 mm | | Temperatura do ar ambiente para operação | 0…+60 °C | | Temperatura do ar ambiente para armazenamento | -25°C…+70 °C | | Carga radial máxima | 3646 N | | Carga axial máxima | 2940 N | | Corrente máxima | 32 A | | Código do pedido / SKU do fabricante | HK-ST152G1H 1/17 | | Status do produto do fabricante | Comercializado | | Equivalente a | HKST152G1H117 | | Em conformidade com as normas | Marcação CE, TUV Rheinland, UKCA, cURus, EN60034-1, EN61800-3, EN63000, UL, CSA | | Relação de engrenagem | 1/17 (redutor) | ### Documentos * [Mitsubishi Electric – MELSERVO J5 series – Catalogue.pdf](https://cdn.kyklo.co/assets/W1siZiIsIjIwMjIvMDIvMTAvMTQvNTAvMzIvZTdhOWNmMmYtZGMwMy00MmY5LThkYjAtNWJhMDE0NjE1YTBiL01pdHN1YmlzaGklMjBFbGVjdHJpYyUyMC0lMjBNRUxTRVJWTyUyMEo1JTIwc2VyaWVzJTIwLSUyMENhdGFsb2d1ZS5wZGYiXV0?sha=e046f8c1c2704252) — Para mais informações técnicas ou para discutir suas necessidades, entre em contato conosco. [https://mokka-sensors.com.br/#contato](https://mokka-sensors.com.br/#contato)
Especificações
| Parâmetro | Valor |
|---|---|
| Primary brand | Mitsubishi Electric |
| Main function | AC servo motor |
| Product series / family name | MELSERVO J5 series |
| Sub-range name | HK-ST series |
| Functions | AC geared rotary servo motor / gearmotor |
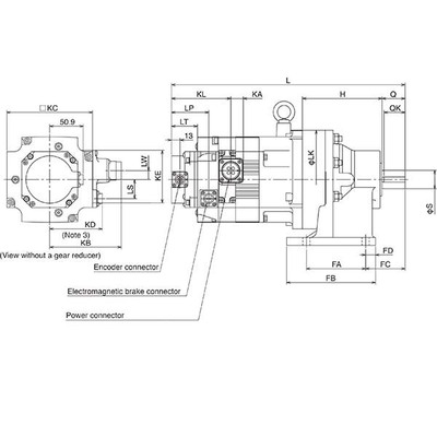
| Design | keyed shaft built-in absolute feedback encod. (26-bit) 1/17 standard gearhead foot mounting Totally Enclosed Natural Cooling (TENC) structure medium inertia / medium power capacity natural cooling |
| Supply voltage (AC) | 200Vac class |
| Rated current | 9.3A |
| Rated active power (kW) | 1500W / 1.5kW |
| Rotational speed | 2000rpm 3000rpm (maximum) |
| Torque | 8.4Nm nominal |
| Maximum torque | 25.1Nm |
| Moment of inertia | 0.00127kg.m2 (12.7kg.cm2) |
| Mounting mode | 130x130mm flange size with foot mounting (grbx. output) |
| Resolution | 26-bit (equivalent to 67108864ppr) feedback |
| Degree of protection | IP67 |
| Dimensions | H252mm x W230mm x D356mm |
| Net Height (mm) | 252 mm |
| Net Width (mm) | 230 mm |
| Net Depth (mm) | 356 mm |
| Ambient air temperature for operation | 0…+60 °C |
| Ambient air temperature for storage | -25°C…+70 °C |
| Maximum radial load | 3646 N |
| Maximum axial load | 2940 N |
| Maximum current | 32 A |
| Order code / Manufacturer SKU | HK-ST152G1H 1/17 |
| Manufacturer product status | Commercialized |
| Equivalent to | HKST152G1H117 |
| Compliant with standard(s) | CE marking TUV Rheinland UKCA cURus EN60034-1 EN61800-3 EN63000 UL CSA |
| Benefits | batteryless absolute position encoder the cables for the encoder; the electromagnetic brakes and the pwr. are equipped with one-touch lock |
| Gear ratio | 1/17 (gearhead) |
| Recommended accessories | for standard torque use amplifiers – MR-J5-200A-RJ – MR-J5-200G-RJ – MR-J5-200G-RJN1 – MR-J5-350A-RJ – MR-J5-350G-RJ – MR-J5-350G-RJN1 Use amplifier motor cables as follows – Encoder cable for HK-ST — Standard bending life –> 2m ( MR-J3ENSCBL2M-L ) –> 5m ( MR-J3ENSCBL5M-L ) — Long bending life –> 2m ( MR-J3ENSCBL2M-H ) –> 5m ( MR-J3ENSCBL5M-H ) –> 10m ( MR-J3ENSCBL10M-H ) –> 15m ( MR-J3ENSCBL15M-H ) –> 17m ( MR-J3ENSCBL17M-H ) –> 20m ( MR-J3ENSCBL20M-H ) –> 30m ( MR-J3ENSCBL30M-H ) –> 40m ( MR-J3ENSCBL40M-H ) –> 50m ( MR-J3ENSCBL50M-H ) –> 60m ( MR-J3ENSCBL60M-H ) – Encoder cable for connecting a load-side encoder — Standard bending life –> 2m ( MR-EKCBL2M-H ) –> 5m ( MR-EKCBL5M-H ) |



