Servo Motor Geared AC MELSERVO J5 3.5kW 1/6 200V Servo Motor Geared AC MELSERVO J5 Mitsubishi Electric HK-ST352BG1H 1/6 3.5kW 200Vac 16.7Nm 26-bit com Freio. Ideal para aplicações industriais. —
Visão geral
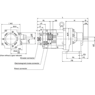
Este é um servomotor rotativo CA com engrenagem e freio eletromagnético integrado, da série MELSERVO J5 da Mitsubishi Electric. Possui um eixo com chaveta, feedback absoluto de 26 bits e uma caixa de engrenagens padrão com redução de 1/6. O motor oferece uma potência nominal de saída de 3500W (3.5kW) e um torque nominal de 16.7Nm, com uma relação de redução de 1/6. O feedback absoluto de 26 bits garante alta precisão na posição, equivalente a 67.108.864 pulsos por rotação. A tensão de alimentação é da classe de 200VCA.
Principais recursos
- Servomotor rotativo CA com engrenagem
- Eixo com chaveta
- Freio eletromagnético integrado
- Feedback absoluto de 26 bits
- Caixa de engrenagens padrão 1/6
- Montagem com flange de 176x176mm e pés
- Grau de proteção IP67
- Opera em temperaturas ambientes de 0…+60°C
Especificações
| Parâmetro | Valor |
|---|---|
| Marca principal | Mitsubishi Electric |
| Função principal | Servomotor CA |
| Série / nome da família do produto | Série MELSERVO J5 |
| Nome da subgama | Série HK-ST |
| Funções | Servomotor rotativo CA com engrenagem / motorredutor |
| Design | Eixo com chaveta, freio eletromagnético integrado, codificador absoluto integrado (26 bits), caixa de engrenagens padrão 1/6, montagem com pés, estrutura de resfriamento natural totalmente fechada (TENC), capacidade de inércia média / potência média, resfriamento natural |
| Tensão de alimentação (CA) | Classe 200VCA |
| Corrente nominal | 16A (com amplificador de 200VCA) |
| Potência ativa nominal (kW) | 3500W / 3.5kW |
| Velocidade de rotação | 2000rpm (nominal) / 3500rpm (máxima) |
| Torque nominal | 16.7Nm |
| Torque máximo | 50.1Nm |
| Momento de inércia | 0.00671kg.m² (67.1kg.cm²) |
| Modo de montagem | Flange de 176x176mm com montagem com pés (saída da caixa de engrenagens) |
| Resolução | Feedback de 26 bits (equivalente a 67108864ppr) |
| Grau de proteção | IP67 |
| Dimensões | A295mm x L330mm x P494mm |
| Altura líquida (mm) | 295 mm |
| Largura líquida (mm) | 330 mm |
| Profundidade líquida (mm) | 494 mm |
| Temperatura do ar ambiente para operação | 0…+60 °C |
| Temperatura do ar ambiente para armazenamento | -25°C…+70 °C |
| Carga radial máxima | 3332 N |
| Carga axial máxima | 3920 N |
| Corrente máxima | 52 A |
| Código de pedido / SKU do fabricante | HK-ST352BG1H 1/6 |
| Status do produto do fabricante | Comercializado |
| Equivalente a | HKST352BG1H16 |
| Em conformidade com norma(s) | Marcação CE, TUV Rheinland, UKCA, cURus, EN60034-1, EN61800-3, EN63000, UL, CSA |
| Benefícios | Codificador de posição absoluto sem bateria; os cabos para o codificador, os freios eletromagnéticos e a alimentação são equipados com trava de um toque. |
| Relação de engrenagem | 1/6 (caixa de engrenagens) |
Documentos
Este produto é compatível com os amplificadores da série MR-J5. Consulte a documentação para detalhes sobre cabos recomendados e acessórios. Entre em contato




