Servo Motor Geared AC MELSERVO J5 1.5kW 200V IP67 Servo Motor Geared AC MELSERVO J5 Mitsubishi Electric HK-ST152BG1H 1/35, 1.5kW, 200V, Encoder 26-bit, Freio, IP67.
Visão geral
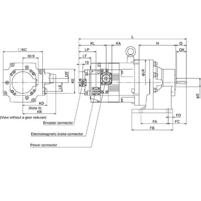
Este é um servomotor rotativo AC com engrenagens, também conhecido como motor de engrenagem. Ele integra um freio eletromagnético embutido e um encoder absoluto de 26 bits para feedback de posição preciso. Possui um redutor padrão com relação de transmissão de 1/35, eixo estriado (com chaveta) e é projetado para montagem com pés.
Fabricado pela Mitsubishi Electric, parte da série MELSERVO J5, este motor oferece uma potência nominal de 1500W (1.5kW) e é adequado para aplicações que requerem torque nominal de 8.4Nm e uma velocidade rotacional nominal de 2000rpm. Sua construção robusta garante um grau de proteção IP67, tornando-o resistente a poeira e imersão temporária em água, e é classificado para operar em temperaturas ambientes de 0 a 60°C.
Principais recursos
- Servomotor rotativo AC com engrenagens
- Freio eletromagnético integrado
- Encoder absoluto de 26 bits
- Redutor padrão com relação de 1/35
- Eixo estriado (com chaveta)
- Montagem com pés
- Grau de proteção IP67
- Estrutura com resfriamento natural totalmente fechada (TENC)
- Encoder absoluto sem bateria
- Conexões de encoder, freio e alimentação com trava de um toque
Especificações
| Parâmetro | Valor |
|---|---|
| Marca principal | Mitsubishi Electric |
| Função principal | Servomotor AC |
| Série / Nome da família do produto | Série MELSERVO J5 |
| Nome do sub-range | Série HK-ST |
| Funções | Servomotor AC rotativo com engrenagens / motor de engrenagem |
| Projeto | Eixo estriado, freio eletromagnético embutido, encoder absoluto embutido (26 bits), redutor padrão 1/35, montagem com pés, estrutura com resfriamento natural totalmente fechada (TENC), inércia média / capacidade de potência média, resfriamento natural |
| Tensão de alimentação (AC) | Classe 200V |
| Corrente nominal | 9.3A |
| Potência ativa nominal (kW) | 1500W / 1.5kW |
| Velocidade de rotação | 2000rpm, 3000rpm (máxima) |
| Torque | 8.4Nm nominal |
| Torque máximo | 25.1Nm |
| Momento de inércia | 0.0016kg.m² (16kg.cm²) |
| Modo de montagem | Flange de 130x130mm com montagem por pés (saída do redutor) |
| Resolução | Encoder de 26 bits (equivalente a 67108864ppr) |
| Grau de proteção | IP67 |
| Dimensões | A295mm x L330mm x P443mm |
| Altura líquida (mm) | 295 mm |
| Largura líquida (mm) | 330 mm |
| Profundidade líquida (mm) | 443 mm |
| Temperatura do ar ambiente para operação | 0…+60 °C |
| Temperatura do ar ambiente para armazenamento | -25°C…+70 °C |
| Carga radial máxima | 6047 N |
| Carga axial máxima | 3920 N |
| Corrente máxima | 32 A |
| Código de pedido / SKU do fabricante | HK-ST152BG1H 1/35 |
| Status do produto do fabricante | Comercializado |
| Equivalente a | HKST152BG1H135 |
| Em conformidade com as normas | Marcação CE, TUV Rheinland, UKCA, cURus, EN60034-1, EN61800-3, EN63000, UL, CSA |
| Benefícios | Encoder de posição absoluto sem bateria, cabos para o encoder, freios eletromagnéticos e alimentação equipados com trava de um toque |
| Relação de engrenagem | 1/35 (redutor) |
Documentos
Este produto é compatível com os amplificadores recomendados listados nas especificações.
Entre em contato para mais informações.


