Servo Motor Geared AC MELSERVO J4 Mitsubishi HG-SR702BG5 1/5 7kW 200Vac 22-bit Freio Flangeado

Consulte as Condições de Fornecimento

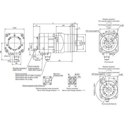
Visão geral

O Servo Motor AC com Engrenagem MELSERVO J4 série HG-SR702BG5 é um servomotor rotativo com eixo reto, freio eletromagnético

SKU: HG-SR702BG5 1/5 Categoria: Marca:

Principais recursos

  • Servomotor AC rotativo com engrenagem / motorredutor
  • Eixo reto
  • Freio eletromagnético integrado
  • Encoder absoluto integrado (22 bits)
  • Redutor de alta precisão com relação 1/5 (saída flangeada)
  • Refrigeração natural
  • Alta capacidade de torque nominal e máximo
  • Conectores tipo MS
  • Grau de proteção IP44

Especificações

Parâmetro Valor
Marca principal Mitsubishi Electric
Função principal Servomotor AC
Série / nome da família do produto MELSERVO J4 series
Nome do sub-range HG-SR series
Funções Servomotor AC rotativo com engrenagem / motorredutor
Design Eixo reto, freio e/m integrado, encoder absoluto integrado (22 bits), redutor de alta precisão 1/5 (saída flangeada), inércia média / capacidade de potência média, refrigeração natural
Tensão de alimentação (AC) Classe 200Vac
Corrente nominal 26A
Potência ativa nominal (kW) 7000W / 7kW
Velocidade de rotação 2000rpm, 3000rpm (máxima)
Torque nominal 33.4Nm
Torque máximo 100Nm
Inércia do momento 0.0171kg.m² (171kg.cm²)
Tipo de conexão 2 conectores tipo MS
Eficiência 77-92%
Modo de montagem Montagem flangeada 170x170mm (saída do redutor)
Resolução Feedback de 22 bits (equivalente a 4194304ppr)
Grau de proteção IP44
Dimensões A228.9mm x L176mm x P470mm
Altura líquida (mm) 228.9 mm
Largura líquida (mm) 176 mm
Profundidade líquida (mm) 470 mm
Temperatura ambiente para operação 0…+40 °C
Temperatura ambiente para armazenamento -15°C…+70 °C
Carga radial máxima 2058 N
Carga axial máxima 980 N
Corrente máxima 83 A
Código de pedido / SKU do fabricante HG-SR702BG5 1/5
Status do produto do fabricante Comercializado
Equivalente a HGSR702BG515
Em conformidade com normas Marca CE, TUV Rheinland, cULus, UL, KC, EN61800-3, EN60034-1, EN62061 SILCL3, EN50581, UL1004-1, UL1004-6, CSA, KC, EAC
Relação de engrenagem 1/5 (redutor)
Folga (backlash) Máximo de 3 minutos de arco (0.05°)

Documentos

Este produto é compatível com os amplificadores da série MR-J4. Para detalhes sobre cabos de encoder, alimentação e freio, consulte a documentação técnica fornecida.

Entre em contato para mais informações.

Fale Conosco

Marca

Mitsubishi Electric