Visão geral
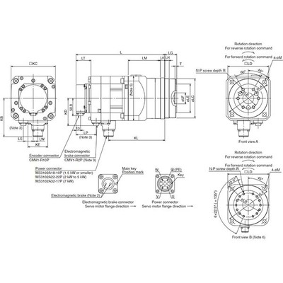
O servo motor rotativo AC com redutor HG-SR502G5 1/11 é um componente da série MELSERVO J4 da Mitsubishi Electric. Ele combina um motor servo AC com um redutor de precisão de alta relação de transmissão (1/11), oferecendo um eixo de saída de flange. Este motor é equipado com um feedback absoluto de 22 bits embutido, garantindo alta resolução e precisão posicional.
Projetado para aplicações que exigem torque elevado e controle preciso, este equipamento possui uma capacidade nominal de saída de 5000W (5kW), com um torque nominal de 23.9Nm e velocidade rotacional de 2000rpm. A classe de tensão de alimentação é de 200Vac. Sua construção inclui um eixo reto, resfriamento natural e proteção IP44, com dois conectores tipo MS para as conexões elétricas.
O HG-SR502G5 1/11 é ideal para a indústria que busca performance e confiabilidade em sistemas de automação, oferecendo uma solução integrada de motor e redutor. Seu design de inércia média o torna adequado para diversas aplicações de servo controle.
Principais recursos
- Servo motor rotativo AC com redutor de precisão
- Feedback absoluto de 22 bits integrado
- Redutor de alta precisão com relação 1/11 e saída de flange
- Potência nominal de 5kW
- Torque nominal de 23.9Nm
- Velocidade rotacional nominal de 2000rpm
- Tensão de alimentação de 200Vac
- Montagem em flange de 170x170mm
- Folga máxima de 3 minutos de arco (0.05°)
- Grau de proteção IP44
- Conectores tipo MS
Especificações
| Parâmetro | Valor |
|---|---|
| Marca principal | Mitsubishi Electric |
| Função principal | Servomotor AC |
| Série / Nome da família do produto | Série MELSERVO J4 |
| Nome da sub-gama | Série HG-SR |
| Funções | Servomotor AC com redutor rotativo / Motorredutor |
| Projeto | Eixo reto com codificador de feedback absoluto integrado (22 bits), redutor de alta precisão 1/11 (saída de flange), inércia média / capacidade de potência média, resfriamento natural |
| Tensão de alimentação (AC) | Classe 200Vac |
| Corrente nominal | 22A |
| Potência ativa nominal (kW) | 5000W / 5kW |
| Velocidade de rotação | 2000rpm 3000rpm (máxima) |
| Torque | 23.9Nm nominal |
| Torque máximo | 71.6Nm |
| Momento de inércia | 0.0108kg.m2 (108kg.cm2) |
| Tipo de conexão | 2 x conectores tipo MS |
| Eficiência | 77-92% |
| Modo de montagem | Montagem em flange de 170x170mm (saída do redutor) |
| Resolução | Feedback de 22 bits (equivalente a 4194304ppr) |
| Grau de proteção | IP44 |
| Dimensões | A228.9mm x L176mm x P380.5mm |
| Altura líquida (mm) | 228.9 mm |
| Largura líquida (mm) | 176 mm |
| Profundidade líquida (mm) | 380.5 mm |
| Temperatura do ar ambiente para operação | 0…+40 °C |
| Temperatura do ar ambiente para armazenamento | -15°C…+70 °C |
| Carga radial máxima | 2058 N |
| Carga axial máxima | 980 N |
| Corrente máxima | 70 A |
| Código de pedido / SKU do fabricante | HG-SR502G5 1/11 |
| Status do produto do fabricante | Comercializado |
| Equivalente a | HGSR502G5111 |
| Em conformidade com a(s) norma(s) | Marcação CE, TUV Rheinland, cULus, UL, KC, EN61800-3, EN60034-1, EN62061 SILCL3, EN50581, UL1004-1, UL1004-6, CSA, KC, EAC |
| Relação de engrenagem | 1/11 (redutor) |
| Folga | Máxima de 3 minutos de arco (0.05°) |
| Acessórios recomendados | Para uso em 1 eixo padrão, amplificadores – MR-J4-500GF – MR-J4-500GF-RJ – MR-J4-500B – MR-J4-500B-RJ – MR-J4-500A – MR-J4-500A-RJ; Utilize cabos amplificador motor conforme a seguir: Cabos de encoder para HG-SR e HG-SR (tipo de conexão direta) — Vida útil padrão para flexão –> 2m (MR-J3ENSCBL2M-L) – Cabos de encoder para HG-SR e HG-SR (tipo de conexão direta) — Vida útil padrão para flexão –> 2m (MR-J3ENSCBL2M-L) –> 5m (MR-J3ENSCBL5M-L) –> 10m (MR-J3ENSCBL10M-L) –> 20m (MR-J3ENSCBL20M-L) –> 30m (MR-J3ENSCBL30M-L) — Vida útil longa para flexão –> 2m (MR-J3ENSCBL2M-H) –> 5m (MR-J3ENSCBL5M-H) –> 10m (MR-J3ENSCBL10M-H) –> 15m (MR-J3ENSCBL15M-H) –> 17m (MR-J3ENSCBL17M-H) –> 20m (MR-J3ENSCBL20M-H) –> 30m (MR-J3ENSCBL30M-H) –> 40m (MR-J3ENSCBL40M-H) –> 50m (MR-J3ENSCBL50M-H ou MR-J3ENS4CBL50M-H) –> 60m (MR-J3ENSCBL60M-H ou MR-J3ENS4CBL60M-H) –> 80m (MR-J3ENS4CBL80M-H) –> 90m (MR-J3ENS4CBL90M-H) –> 100m (MR-J3ENS4CBL100M-H) – Cabos de alimentação (conector tipo reto) — Vida útil padrão para flexão –> 2m (MR-J3P10-2M) –> 5m (MR-J3P10-5M) –> 10m (MR-J3P10-10M) –> 15m (MR-J3P10-15M) –> 20m (MR-J3P10-20M) –> 25m (MR-J3P10-25M) –> 30m (MR-J3P10-30M) – Cabos de alimentação; Cabos tipo blindado (conector tipo reto) — Vida útil longa para flexão –> 2m (MR-J3PWS10-2M) –> 5m (MR-J3PWS10-5M) –> 10m (MR-J3PWS10-10M) –> 15m (MR-J3PWS10-15M) –> 20m (MR-J3PWS10-20M) –> 25m (MR-J3PWS10-25M) –> 30m (MR-J3PWS10-30M) – Cabo de alimentação para a série HG-SR/HG-JR/HG-UR para amplificador série MR-J4W2/MR-J4W3 — Vida útil padrão para flexão –> 2m (SC-EPWS2CBL2M-L) –> 5m (SC-EPWS2CBL5M-L) –> 10m (SC-EPWS2CBL10M-L) –> 20m (SC-EPWS2CBL20M-L) –> 30m (SC-EPWS2CBL30M-L) — Vida útil longa para flexão –> 2m (SC-EPWS2CBL2M-H) –> 5m (SC-EPWS2CBL5M-H) –> 10m (SC-EPWS2CBL10M-H) –> 20m (SC-EPWS2CBL20M-H) –> 30m (SC-EPWS2CBL30M-H) |
Documentos
Este produto é um componente da série MELSERVO J4 da Mitsubishi Electric. Para informações sobre compatibilidade e substituições, consulte a documentação técnica fornecida.
Entre em contato para mais informações sobre este e outros produtos.



