Servo Motor Geared AC MELSERVO J4 Mitsubishi HG-SR5024BG5 1/11 5kW 400V com Freio e Encoder Absoluto 22-bit

Consulte as Condições de Fornecimento

Servo Motor Geared AC MELSERVO J4 Mitsubishi HG-SR5024BG5 1/11 5kW 400V com Freio e Encoder Absoluto 22-bit — Mitsubishi Electric

SKU: HG-SR5024BG5 1/11 Categoria: Marca:

Servo Motor Mitsubishi HG-SR5024BG5: Potência e Precisão Servo motor Mitsubishi Electric MELSERVO J4 HG-SR5024BG5 1/11 de 5kW, 400V, com freio e encoder absoluto 22-bit. Ideal para aplicações de alta precisão.

Visão geral

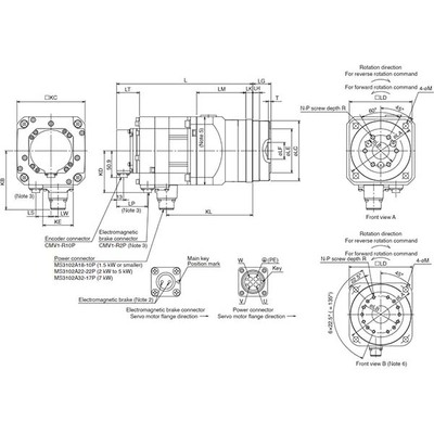
O servo motor AC rotativo com engrenagens HG-SR5024BG5 1/11 da Mitsubishi Electric, parte da série MELSERVO J4, é uma solução robusta projetada para aplicações industriais exigentes. Este motor de 5kW de potência nominal é equipado com um freio eletromagnético integrado e feedback absoluto de 22 bits, garantindo posicionamento preciso e confiabilidade operacional.

A unidade possui uma caixa de engrenagens de alta precisão com relação de redução de 1/11 e saída de flange, juntamente com um eixo reto. O design com refrigeração natural e grau de proteção IP44 o tornam adequado para ambientes operacionais diversos, suportando temperaturas de 0 a 40°C.

Principais recursos

  • Motor AC rotativo com engrenagens
  • Freio eletromagnético (e/m brake) integrado
  • Encoder absoluto de 22 bits integrado
  • Caixa de engrenagens de alta precisão (relação 1/11)
  • Potência nominal de 5kW
  • Tensão de alimentação de 400V
  • Torque nominal de 23.9 Nm
  • Velocidade nominal de 2000 rpm
  • Montagem por flange de 170×170 mm
  • Folga máxima de 3 minutos de arco (0.05°)
  • Grau de proteção IP44
  • Conectores tipo MS

Especificações

Parâmetro Valor
Marca principal Mitsubishi Electric
Função principal Servomotor AC
Série / nome da família de produtos Série MELSERVO J4
Nome da sub-gama Série HG-SR
Funções Servomotor AC rotativo com engrenagens / motorredutor
Projeto Eixo reto, freio e/m integrado, encoder absoluto de 22 bits integrado, caixa de engrenagens de alta precisão 1/11 (saída flangeada), inércia média / capacidade de potência média, refrigeração natural
Tensão de alimentação (AC) Classe 400Vac
Corrente nominal 11A
Potência ativa nominal (kW) 5000W / 5kW
Velocidade de rotação 2000rpm, 3000rpm (máxima)
Torque nominal 23.9Nm
Torque máximo 71.6Nm
Momento de inércia 0.0117kg.m2 (117kg.cm2)
Tipo de conexão 2 conectores tipo MS
Eficiência 77-92%
Modo de montagem Montagem por flange de 170×170 mm (saída grbx.)
Resolução Feedback de 22 bits (equivalente a 4194304ppr)
Grau de proteção IP44
Dimensões A228.9mm x L176mm x P430mm
Altura líquida (mm) 228.9 mm
Largura líquida (mm) 176 mm
Profundidade líquida (mm) 430 mm
Temperatura ambiente para operação 0…+40 °C
Temperatura ambiente para armazenamento -15°C…+70 °C
Carga radial máxima 2058 N
Carga axial máxima 980 N
Corrente máxima 42 A
Código de pedido / SKU do fabricante HG-SR5024BG5 1/11
Status do produto do fabricante Comercializado
Equivalente a HGSR5024BG5111
Em conformidade com normas Marca CE, TUV Rheinland, cULus, UL, KC, EN61800-3, EN60034-1, EN62061 SILCL3, EN50581, UL1004-1, UL1004-6, CSA, KC, EAC
Relação de engrenagem 1/11 (caixa de engrenagens)
Folga Máximo de 3 minutos de arco (0.05°)

Documentos

Para o uso padrão em eixo único, são recomendados amplificadores compatíveis. Cabos de encoder e de alimentação específicos para a série MELSERVO J4 são necessários. Consulte a documentação técnica para especificações detalhadas sobre os cabos de energia e de freio disponíveis, incluindo opções para maior vida útil em aplicações de dobra.

Entre em contato para mais informações sobre este produto.

Entre em contato

Marca

Mitsubishi Electric