Servo Motor Geared AC MELSERVO J4 Mitsubishi HG-SR2024G5 1/11 2kW 400V 22-bit 1/11 Flange

Consulte as Condições de Fornecimento

Confira o servo motor Mitsubishi Electric HG-SR2024G5 1/11, um potente motor de engrenagem AC MELSERVO J4 com 2kW de potência e feedback de alta resolução.

SKU: HG-SR2024G5 1/11 Categoria: Marca:

Visão geral

O servo motor de engrenagem rotativo AC MELSERVO J4, modelo HG-SR2024G5 1/11, da Mitsubishi Electric, é um componente de alta performance projetado para aplicações que exigem precisão e confiabilidade.

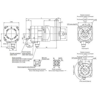
Este motor possui um eixo reto e feedback absoluto integrado com resolução de 22 bits, além de uma caixa de engrenagens de precisão com relação 1/11 e saída de flange. Com potência nominal de 2000W (2kW) e torque nominal de 9.5Nm, ele opera em classe de tensão de 400Vac.

A construção inclui engrenagem de alta precisão, resultando em um baixo backlash máximo de 3 minutos de arco (0.05°). O grau de proteção é IP44 e a montagem é realizada em flange de 120x120mm. Inclui 2 conectores tipo MS e é projetado para operação em temperaturas ambientes de 0 a 40°C.

Principais recursos

  • Servo motor de engrenagem rotativo AC
  • Feedback absoluto integrado (22 bits)
  • Caixa de engrenagens de alta precisão (relação 1/11)
  • Saída de flange
  • Potência nominal de 2000W / 2kW
  • Torque nominal de 9.5Nm
  • Tensão de alimentação 400Vac
  • Velocidade rotacional de 2000rpm
  • Backlash máximo de 3 minutos de arco (0.05°)
  • Grau de proteção IP44
  • Montagem em flange de 120x120mm

Especificações

Parâmetro Valor
Marca principal Mitsubishi Electric
Função principal Servo motor AC
Série/família do produto MELSERVO J4 series
Nome da sub-gama HG-SR series
Funções Servo motor de engrenagem rotativo AC / motorredutor
Projeto Eixo reto com codificador absoluto embutido (22 bits) caixa de engrenagens 1/11 de alta precisão (saída flangeada) inércia média / capacidade de potência média resfriamento natural
Tensão de alimentação (AC) Classe 400Vac
Corrente nominal 4.9A
Potência ativa nominal (kW) 2000W / 2kW
Velocidade de rotação 2000rpm 3000rpm (máxima)
Torque 9.5Nm nominal
Torque máximo 28.6Nm
Momento de inércia 0.00512kg.m² (51.2kg.cm²)
Tipo de conexão 2 conectores tipo MS
Eficiência 77-92%
Modo de montagem Montagem em flange de 120x120mm (saída caixa de engrenagens)
Resolução Feedback de 22 bits (equivalente a 4194304ppr)
Grau de proteção IP44
Dimensões A228.9mm x L176mm x P302.5mm
Altura líquida (mm) 228.9 mm
Largura líquida (mm) 176 mm
Profundidade líquida (mm) 302.5 mm
Temperatura do ar ambiente para operação 0…+40 °C
Temperatura do ar ambiente para armazenamento -15°C…+70 °C
Carga radial máxima 2058 N
Carga axial máxima 980 N
Corrente máxima 17 A
Código de pedido / SKU do fabricante HG-SR2024G5 1/11
Status do produto do fabricante Comercializado
Equivalente a HGSR2024G5111
Em conformidade com normas Marcação CE TUV Rheinland cULus UL KC EN61800-3 EN60034-1 EN62061 SILCL3 EN50581 UL1004-1 UL1004-6 CSA KC EAC
Relação de engrenagem 1/11 (caixa de engrenagens)
Backlash Máximo de 3 minutos de arco (0.05°)

Documentos

O servo motor HG-SR2024G5 1/11 é compatível com os amplificadores da série MR-J4 e utiliza cabos específicos para encoder e alimentação. Consulte a documentação para detalhes sobre compatibilidade e cabos recomendados.

Para mais informações, entre em contato conosco.

Fale conosco

Marca

Mitsubishi Electric