Motor Servo Mitsubishi HG-SR152BG5 1/33: Potência e Precisão Servo motor rotativo AC acionado por engrenagem com eixo reto, freio eletromagnético e encoder absoluto de 22 bits integrado. Pertence à série MELSERVO J4 da Mitsubishi Electric, oferecendo alta precisão com redutor de 1/33 e saída por flange. Principais recursos * Motor servo rotativo AC com engrenagem * Eixo reto * Freio eletromagnético integrado * Encoder absoluto de 22 bits integrado * Redutor de alta precisão com relação 1/33 * Montagem em flange de 170x170mm * Proteção IP44 * 2 conectores tipo MS Especificações | Parâmetro | Valor | | :———————————- | :——————————————————————————————————- | | Marca principal | Mitsubishi Electric | | Função principal | Motor servo AC | | Série/família do produto | MELSERVO J4 series | | Sub-gama | HG-SR series | | Funções | Motor servo rotativo AC com engrenagem / motor de engrenagem | | Tensão de alimentação (AC) | Classe 200Vac | | Corrente nominal | 9.4A | | Potência ativa nominal | 1500W / 1.5kW | | Velocidade rotacional | 2000rpm / 3000rpm (máxima) | | Torque nominal | 7.2Nm | | Torque máximo | 21.5Nm | | Momento de inércia | 0.00229kg.m² (22.9kg.cm²) | | Tipo de conexão | 2 conectores tipo MS | | Eficiência | 77-92% | | Modo de montagem | Montagem em flange 170x170mm (saída do redutor) | | Resolução | Feedback de 22 bits (equivalente a 4194304ppr) | | Grau de proteção | IP44 | | Dimensões | A177.5mm x L130mm x P357mm | | Altura líquida (mm) | 177.5 mm | | Largura líquida (mm) | 130 mm | | Profundidade líquida (mm) | 357 mm | | Temperatura ambiente para operação | 0…+40 °C | | Temperatura ambiente para armazenamento | -15°C…+70 °C | | Carga radial máxima | 980 N | | Carga axial máxima | 490 N | | Corrente máxima | 29 A | | Código de pedido / SKU do fabricante | HG-SR152BG5 1/33 | | Status do produto do fabricante | Comercializado | | Equivalente a | HGSR152BG5133 | | Em conformidade com norma(s) | Marcação CE, TUV Rheinland, cULus, UL, KC, EN61800-3, EN60034-1, EN62061 SILCL3, EN50581, UL1004-1, UL1004-6, CSA, KC, EAC | | Relação de engrenagem | 1/33 (redutor) | | Folga (backlash) | Máximo de 3 minutos de arco (0.05°) | Documentos * [Mitsubishi Electric – MELSERVO J4 series – Catalogue.pdf](https://cdn.kyklo.co/assets/W1siZiIsIjIwMjIvMDIvMTAvMTUvMDQvMjgvNTZlMGQzODAtNWQ4ZC00NTI5LTg0ZmEtZjFjOTQwMWZlZjEyL01pdHN1YmlzaGklMjBFbGVjdHJpYyUyMC0lMjBNRUxTRVJWTyUyMEo0JTIwc2VyaWVzJTIwLSUyMENhdGFsb2d1ZS5wZGYiXV0?sha=5401ce98f40052fe) Observações Este produto é equivalente a HGSR152BG5133. Para uso padrão em um eixo, são recomendados os seguintes amplificadores e cabos: amplificadores da série MR-J4 e cabos de encoder/alimentação/freio específicos. Entre em contato para mais informações sobre este produto.
Especificações
| Parâmetro | Valor |
|---|---|
| Primary brand | Mitsubishi Electric |
| Main function | AC servo motor |
| Product series / family name | MELSERVO J4 series |
| Sub-range name | HG-SR series |
| Functions | AC geared rotary servo motor / gearmotor |
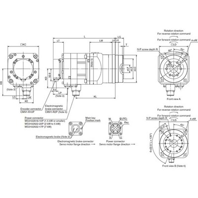
| Design | straight shaft built-in e/m brake built-in absolute feedback encod. (22-bit) 1/33 high-precision gearhead (flange output) medium inertia / medium power capacity natural cooling |
| Supply voltage (AC) | 200Vac class |
| Rated current | 9.4A |
| Rated active power (kW) | 1500W / 1.5kW |
| Rotational speed | 2000rpm 3000rpm (maximum) |
| Torque | 7.2Nm nominal |
| Maximum torque | 21.5Nm |
| Moment of inertia | 0.00229kg.m2 (22.9kg.cm2) |
| Connection type | 2 x MS-type connectors |
| Efficiency | 77-92% |
| Mounting mode | 170x170mm flange mounting (grbx. output) |
| Resolution | 22-bit (equivalent to 4194304ppr) feedback |
| Degree of protection | IP44 |
| Dimensions | H177.5mm x W130mm x D357mm |
| Net Height (mm) | 177.5 mm |
| Net Width (mm) | 130 mm |
| Net Depth (mm) | 357 mm |
| Ambient air temperature for operation | 0…+40 °C |
| Ambient air temperature for storage | -15°C…+70 °C |
| Maximum radial load | 980 N |
| Maximum axial load | 490 N |
| Maximum current | 29 A |
| Order code / Manufacturer SKU | HG-SR152BG5 1/33 |
| Manufacturer product status | Commercialized |
| Equivalent to | HGSR152BG5133 |
| Compliant with standard(s) | CE marking TUV Rheinland cULus UL KC EN61800-3 EN60034-1 EN62061 SILCL3 EN50581 UL1004-1 UL1004-6 CSA KC EAC |
| Gear ratio | 1/33 (gearhead) |
| Backlash | 3arcminutes (0.05°) maximum |
| Recommended accessories | for standard 1-axis use amplifiers – MR-J4-200GF – MR-J4-200GF-RJ – MR-J4-200B – MR-J4-200B-RJ – MR-J4-200A – MR-J4-200A-RJ Use amplifier motor cables as follows – Encoder cable for HG-SR and HG-SR (direct connection type) — Standard bending life –> 2m ( MR-J3ENSCBL2M-L ) – Encoder cable for HG-SR and HG-SR (direct connection type) — Standard bending life –> 2m ( MR-J3ENSCBL2M-L ) –> 5m ( MR-J3ENSCBL5M-L ) –> 10m ( MR-J3ENSCBL10M-L ) –> 20m ( MR-J3ENSCBL20M-L ) –> 30m ( MR-J3ENSCBL30M-L ) — Long bending life –> 2m ( MR-J3ENSCBL2M-H ) –> 5m ( MR-J3ENSCBL5M-H ) –> 10m ( MR-J3ENSCBL10M-H ) –> 15m ( MR-J3ENSCBL15M-H ) –> 17m ( MR-J3ENSCBL17M-H ) –> 20m ( MR-J3ENSCBL20M-H ) –> 30m ( MR-J3ENSCBL30M-H ) –> 40m ( MR-J3ENSCBL40M-H ) –> 50m ( MR-J3ENSCBL50M-H or MR-J3ENS4CBL50M-H ) –> 60m ( MR-J3ENSCBL60M-H or MR-J3ENS4CBL60M-H ) –> 80m ( MR-J3ENS4CBL80M-H ) –> 90m ( MR-J3ENS4CBL90M-H ) –> 100m ( MR-J3ENS4CBL100M-H ) – Power supply cable cables (straight type connector) — Standard bending life –> 2m ( MR-J3P2-2M ) –> 3m ( MR-J3P2-3M ) –> 5m ( MR-J3P2-5M ) –> 10m ( MR-J3P2-10M ) –> 15m ( MR-J3P2-15M ) –> 20m ( MR-J3P2-20M ) –> 25m ( MR-J3P2-25M ) –> 30m ( MR-J3P2-30M ) –> 40m ( MR-J3P2-40M ) –> 50m ( MR-J3P2-50M ) – Power supply cable; Shielded type cables (straight type connector) — Long bending life –> 2m ( MR-J3PWS2-2M ) –> 5m ( MR-J3PWS2-5M ) –> 10m ( MR-J3PWS2-10M ) –> 15m ( MR-J3PWS2-15M ) –> 17m ( MR-J3PWS2-17M ) –> 20m ( MR-J3PWS2-20M ) –> 25m ( MR-J3PWS2-25M ) –> 30m ( MR-J3PWS2-30M ) –> 40m ( MR-J3PWS2-40M ) – Power supply cable for HG-SR/HG-JR/HG-UR series to MR-J4W2/MR-J4W3 series amplifier — Standard bending life –> 2m ( SC-EPWS2CBL2M-L ) –> 5m ( SC-EPWS2CBL5M-L ) –> 10m ( SC-EPWS2CBL10M-L ) –> 20m ( SC-EPWS2CBL20M-L ) –> 30m ( SC-EPWS2CBL30M-L ) — Long bending life –> 2m ( SC-EPWS2CBL2M-H ) –> 5m ( SC-EPWS2CBL5M-H ) –> 10m ( SC-EPWS2CBL10M-H ) –> 20m ( SC-EPWS2CBL20M-H ) –> 30m ( SC-EPWS2CBL30M-H ) – Brake cable; shield type for HG-SR/JR/RR/UR series — standard –> 2m ( MR-J3BK-2M ) –> 5m ( MR-J3BK-5M ) –> 10m ( MR-J3BK-10M ) –> 15m ( MR-J3BK-15M ) –> 20m ( MR-J3BK-20M ) –> 25m ( MR-J3BK-25M ) –> 30m ( MR-J3BK-30M ) –> 40m ( MR-J3BK-40M ) –> 50m ( MR-J3BK-50M ) – Brake cables for HG-SR/JR/RR/UR series — Long bending life –> 2m ( MR-J3BRKS1-2M ) –> 5m ( MR-J3BRKS1-5M ) –> 10m ( MR-J3BRKS1-10M ) –> 15m ( MR-J3BRKS1-15M ) –> 20m ( MR-J3BRKS1-20M ) –> 25m ( MR-J3BRKS1-25M ) –> 30m ( MR-J3BRKS1-30M ) –> 40m ( MR-J3BRKS1-40M ) –> 50m ( MR-J3BRKS1-50M ) |




