Visão geral
O servo motor rotativo ac com engrenagem MELSERVO J4 da Mitsubishi Electric, modelo HG-SR52G5 1/33, é uma solução de alta precisão projetada para aplicações industriais exigentes. Ele combina um motor ac servo com uma caixa de engrenagens integrada, oferecendo desempenho confiável e compacto.
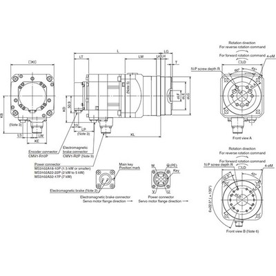
Este motor possui um eixo reto e feedback absoluto de 22 bits, garantindo precisão na localização e controle de movimento. A caixa de engrenagens de precisão com relação 1/33, saída por flange, contribui para a entrega de torque nominal de 2.4Nm, com uma velocidade nominal de 2000rpm. A classificação de proteção IP44 assegura resistência a poeira e respingos.
Principais recursos
- Servo motor ac com engrenagem rotativo
- Eixo reto com codificador absoluto embutido (22 bits)
- Caixa de engrenagens de alta precisão 1/33 (saída por flange)
- Potência nominal de 500W
- Torque nominal de 2.4Nm
- Velocidade rotacional nominal de 2000rpm
- Classe de tensão de alimentação de 200Vac
- Conectores tipo MS duplos
- Montagem em flange de 120x120mm
- Folga máxima de 3 minutos de arco (0.05°)
- Grau de proteção IP44
Especificações
| Parâmetro | Valor |
|---|---|
| Marca principal | Mitsubishi Electric |
| Função principal | Servo motor ac |
| Série/família do produto | MELSERVO J4 series |
| Nome da sub-gama | HG-SR series |
| Funções | Servo motor ac com engrenagem / motorredutor rotativo |
| Projeto | Eixo reto com codificador absoluto embutido (22 bits), caixa de engrenagens 1/33 de alta precisão (saída por flange), inércia média / capacidade de potência média, refrigeração natural |
| Tensão de alimentação (AC) | Classe 200Vac |
| Corrente nominal | 2.9A |
| Potência ativa nominal (kW) | 500W / 0.5kW |
| Velocidade rotacional | 2000rpm / 3000rpm (máxima) |
| Torque | 2.4Nm nominal |
| Torque máximo | 7.2Nm |
| Momento de inércia | 0.000996kg.m² (9.96kg.cm²) |
| Tipo de conexão | 2 x conectores tipo MS |
| Eficiência | 77-92% |
| Modo de montagem | Montagem em flange de 120x120mm (saída da caixa de engrenagens) |
| Resolução | Feedback de 22 bits (equivalente a 4194304ppr) |
| Grau de proteção | IP44 |
| Dimensões | A177.5mm x L130mm x P260.5mm |
| Altura líquida (mm) | 177.5 mm |
| Largura líquida (mm) | 130 mm |
| Profundidade líquida (mm) | 260.5 mm |
| Temperatura ambiente para operação | 0…+40 °C |
| Temperatura ambiente para armazenamento | -15°C…+70 °C |
| Carga radial máxima | 980 N |
| Carga axial máxima | 490 N |
| Corrente máxima | 9 A |
| Código de pedido / SKU do fabricante | HG-SR52G5 1/33 |
| Status do produto do fabricante | Comercializado |
| Equivalente a | HGSR52G5133 |
| Em conformidade com a(s) norma(s) | Marca CE, TUV Rheinland, cULus, UL, KC, EN61800-3, EN60034-1, EN62061 SILCL3, EN50581, UL1004-1, UL1004-6, CSA, KC, EAC |
| Relação de engrenagem | 1/33 (caixa de engrenagens) |
| Folga | Máximo de 3 minutos de arco (0.05°) |
Documentos
Este produto é equivalente ao HGSR52G5133. Para mais informações sobre compatibilidade ou modelos substitutos, entre em contato.
Entre em contato para mais detalhes sobre o servo motor HG-SR52G5 1/33.


