Visão geral
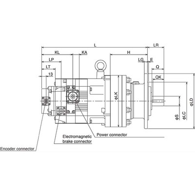
Motor servo AC rotativo com caixa de engrenagens, com eixo estriado e encoder absoluto embutido (26 bits). Faz parte da série MELSERVO J5 da Mitsubishi Electric.
Este modelo possui uma relação de redução de engrenagem padrão de 1/43 e é projetado para operar em uma classe de tensão de 200 Vca. Oferece uma potência nominal de saída de 1000 W (1 kW) e um torque nominal de 4.8 Nm, com velocidade nominal de rotação de 2000 rpm.
O encoder absoluto de 26 bits garante alta precisão na medição da posição, equivalente a 67.108.864 pulsos por revolução. Sua construção atende ao grau de proteção IP67, garantindo resistência a poeira e imersão temporária em água, e opera em temperaturas ambientes de 0 a 60 °C.
Principais recursos
- Motor servo AC rotativo com caixa de engrenagens
- Encoder absoluto embutido de 26 bits
- Eixo estriado
- Estrutura totalmente fechada com resfriamento natural (TENC)
- Classificação de proteção IP67
- Montagem em flange de 130×130 mm
- Encoder absoluto sem bateria
- Conectores de engate rápido (one-touch lock) para encoder, freio eletromagnético e alimentação
Especificações
| Parâmetro | Valor |
|---|---|
| Marca principal | Mitsubishi Electric |
| Função principal | Servo motor AC |
| Série/Nome da família do produto | Série MELSERVO J5 |
| Nome da subgama | Série HK-ST |
| Funções | Motor servo AC rotativo com caixa de engrenagens / motorredutor |
| Projeto | Eixo estriado com encoder absoluto embutido (26 bits) caixa de engrenagens padrão 1/43 Estrutura de resfriamento natural totalmente fechada (TENC) inércia média / capacidade de média potência resfriamento natural |
| Tensão de alimentação (AC) | Classe 200Vca |
| Corrente nominal | 5.3A (com amplificador de 200Vca) |
| Potência ativa nominal (kW) | 1000W / 1kW |
| Velocidade de rotação | 2000rpm 4000rpm (máxima) |
| Torque | 4.8Nm nominal |
| Torque máximo | 14.4Nm |
| Momento de inércia | 0.00109kg.m2 (10.9kg.cm2) |
| Modo de montagem | Montagem em flange de 130×130 mm |
| Resolução | Encoder de 26 bits (equivalente a 67108864ppr) |
| Grau de proteção | IP67 |
| Dimensões | A260mm x L260mm x P397.5mm |
| Altura líquida (mm) | 260 mm |
| Largura líquida (mm) | 260 mm |
| Profundidade líquida (mm) | 397.5 mm |
| Temperatura ambiente para operação | 0…+60 °C |
| Temperatura ambiente para armazenamento | -25°C…+70 °C |
| Carga radial máxima | 6047 N |
| Carga axial máxima | 3920 N |
| Corrente máxima | 18 A |
| Código de pedido / SKU do fabricante | HK-ST102G1 1/43 |
| Status do produto do fabricante | Comercializado |
| Equivalente a | HKST102G1143 |
| Em conformidade com as normas | Marca CE TUV Rheinland UKCA cURus EN60034-1 EN61800-3 EN63000 UL CSA |
| Benefícios | Encoder de posição absoluto sem bateria os cabos do encoder; os freios eletromagnéticos e a alimentação são equipados com trava de um toque |
| Relação de engrenagem | 1/43 (caixa de engrenagens) |
Documentos
Este produto é compatível com os amplificadores das séries MR-J5 e requer cabos de conexão específicos. Consulte a documentação para mais detalhes sobre modelos de amplificadores e comprimentos de cabo recomendados.
Para mais informações ou para solicitar um orçamento, entre em contato conosco.


