Visão geral
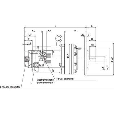
O servo motor rotativo AC com engrenagem, modelo HK-ST102G1 1/29 da linha MELSERVO J5 da Mitsubishi Electric é uma solução robusta para aplicações industriais. Este motor possui um eixo estriado e um encoder absoluto embutido de 26 bits, garantindo alta precisão no feedback de posição.
Equipado com um redutor padrão de relação 1/29, o motor oferece um torque nominal de 4.8 Nm e uma velocidade nominal de 2000 rpm, com uma potência de saída de 1000W (1kW). Sua construção atende ao grau de proteção IP67, o que o torna resistente à poeira e imersão em água, sendo ideal para ambientes operacionais desafiadores. A estrutura totalmente fechada com resfriamento natural (TENC) e a classificação para operação em temperaturas de 0 a 60°C complementam suas características de durabilidade e confiabilidade.
Destaca-se também pelo encoder absoluto sem bateria e pela praticidade na conexão dos cabos de encoder, freios eletromagnéticos e alimentação, que utilizam conectores de encaixe rápido (one-touch lock). A Mitsubishi Electric oferece este modelo com a garantia de qualidade e inovação que caracterizam sua linha MELSERVO.
Principais recursos
- Servo motor rotativo AC com engrenagem
- Encoder absoluto embutido de 26 bits
- Redutor padrão 1/29
- Estrutura totalmente fechada com resfriamento natural (TENC)
- Conectores de encaixe rápido para cabos de encoder, freios e alimentação
Especificações
| Parâmetro | Valor |
|---|---|
| Marca principal | Mitsubishi Electric |
| Função principal | Servo motor AC |
| Série / nome da família de produtos | MELSERVO J5 series |
| Nome da sub-gama | HK-ST series |
| Funções | Servo motor rotativo AC com engrenagem / motorredutor |
| Projeto | Eixo estriado, encoder absoluto embutido (26 bits), redutor padrão 1/29, estrutura totalmente fechada de resfriamento natural (TENC), inércia média / capacidade de potência média, resfriamento natural. |
| Tensão de alimentação (AC) | Classe 200Vca |
| Corrente nominal | 5,3A (com amplificador de 200Vca) |
| Potência ativa nominal (kW) | 1000W / 1kW |
| Velocidade de rotação | 2000rpm (nominal) / 4000rpm (máxima) |
| Torque nominal | 4,8Nm |
| Torque máximo | 14,4Nm |
| Momento de inércia | 0,000965kg.m² (9,65kg.cm²) |
| Modo de montagem | Montagem com flange de 130x130mm |
| Resolução | Feedback de 26 bits (equivalente a 67108864ppr) |
| Grau de proteção | IP67 |
| Dimensões | A210mm x L210mm x P345mm |
| Altura líquida (mm) | 210 mm |
| Largura líquida (mm) | 210 mm |
| Profundidade líquida (mm) | 345 mm |
| Temperatura do ar ambiente para operação | 0…+60 °C |
| Temperatura do ar ambiente para armazenamento | -25°C…+70 °C |
| Carga radial máxima | 4410 N |
| Carga axial máxima | 2940 N |
| Corrente máxima | 18 A |
| Código de pedido / SKU do fabricante | HK-ST102G1 1/29 |
| Status do produto do fabricante | Comercializado |
| Equivalente a | HKST102G1129 |
| Em conformidade com a(s) norma(s) | Marcação CE, TUV Rheinland, UKCA, cURus, EN60034-1, EN61800-3, EN63000, UL, CSA |
| Benefícios | Encoder de posição absoluto sem bateria. Os cabos para o encoder, os freios eletromagnéticos e a alimentação são equipados com trava de um toque. |
| Relação de engrenagem | 1/29 (redutor) |
Documentos
Este produto é compatível com os amplificadores das séries MR-J5, conforme especificado na seção de acessórios recomendados. Para informações detalhadas sobre compatibilidade e instalação, consulte a documentação técnica.
Entre em contato conosco para saber mais.


