Servo Motor AC Rotativo com Redutor MELSERVO J5 5kW Servo Motor AC Rotativo MELSERVO J5 HK-ST502G1 1/11 da Mitsubishi Electric, com 5kW, 2000RPM e feedback absoluto de 26 bits, classe IP67.
Visão geral
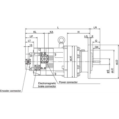
Este é um servomotor AC rotativo com redutor, pertencente à série MELSERVO J5 da Mitsubishi Electric. Ele combina um motor servo AC com um redutor padrão de relação 1/11, apresentando um eixo com chaveta e um codificador absoluto embutido de 26 bits.
Projetado para aplicações de média inércia e média potência, este motor é do tipo totalmente fechado com resfriamento natural (TENC). Sua construção garante robustez e confiabilidade, sendo ideal para sistemas que demandam controle preciso de posição e velocidade em ambientes industriais.
Principais recursos
- Servomotor servo AC rotativo com redutor
- Eixo com chaveta e codificador absoluto de 26 bits
- Redutor padrão 1/11
- Estrutura Totalmente Fechada com Resfriamento Natural (TENC)
- Inércia média e capacidade de potência média
- Grau de proteção IP67
- Encoder absoluto sem bateria
- Conectores de um toque para encoder, freios e alimentação
Especificações
| Parâmetro | Valor |
|---|---|
| Marca principal | Mitsubishi Electric |
| Função principal | Servomotor AC |
| Série/Nome da família do produto | Série MELSERVO J5 |
| Nome do sub-range | Série HK-ST |
| Funções | Servomotor AC rotativo com redutor |
| Design | Eixo com chaveta, codificador absoluto embutido (26 bits), redutor padrão 1/11, estrutura de resfriamento natural totalmente fechada (TENC), inércia média/capacidade de potência média, resfriamento natural. |
| Tensão de alimentação (AC) | Classe 200Vac |
| Corrente nominal | 27A (com amplificador de 200Vac) |
| Potência ativa nominal (kW) | 5000W / 5kW |
| Velocidade de rotação | 2000rpm (nominal), 4000rpm (máxima) |
| Torque nominal | 23.9Nm |
| Torque máximo | 71.7Nm |
| Momento de inércia | 0.00851kg.m² (85.1kg.cm²) |
| Modo de montagem | Montagem em flange de 176x176mm |
| Resolução | Feedback de 26 bits (equivalente a 67108864ppr) |
| Grau de proteção | IP67 |
| Dimensões | A340mm x L340mm x P532mm |
| Altura líquida (mm) | 340 mm |
| Largura líquida (mm) | 340 mm |
| Profundidade líquida (mm) | 532 mm |
| Temperatura do ar ambiente para operação | 0…+60 °C |
| Temperatura do ar ambiente para armazenamento | -25°C…+70 °C |
| Carga radial máxima | 5488 N |
| Carga axial máxima | 6292 N |
| Corrente máxima | 90 A |
| Código de pedido / SKU do fabricante | HK-ST502G1 1/11 |
| Status do produto do fabricante | Comercializado |
| Equivalente a | HKST502G1111 |
| Em conformidade com padrão(ões) | Marca CE, TUV Rheinland, UKCA, cURus, EN60034-1, EN61800-3, EN63000, UL, CSA |
| Benefícios | Codificador de posição absoluto sem bateria; cabos para encoder, freios eletromagnéticos e alimentação equipados com trava de um toque. |
| Relação de engrenagem | 1/11 (redutor) |
Documentos
Este produto é compatível com amplificadores das séries MR-J5. Para recomendações específicas de amplificadores e cabos, consulte a documentação técnica. Entre em contato conosco.



