Servo Motor AC Rotativo com Redutor MELSERVO J5 Mitsubishi HK-ST352G1 1/11 3,5kW 2000RPM 26-bit IP67

Consulte as Condições de Fornecimento

Visão geral

Este é um servomotor rotativo AC com redutor e feedback absoluto integrado de 26 bits. Ele faz parte da série MELSERVO J5 da

SKU: HK-ST352G1 1/11 Categoria: Marca:

Principais recursos

  • Servomotor rotativo AC com redutor
  • Feedback absoluto de 26 bits integrado
  • Caixa de engrenagens padrão com relação 1/11
  • Potência nominal de 3,5kW
  • Velocidade rotacional nominal de 2000rpm
  • Eixo estriado
  • Classificação de proteção IP67
  • Compatível com a série MELSERVO J5 da Mitsubishi Electric

Especificações

Parâmetro Valor
Marca principal Mitsubishi Electric
Função principal Servomotor AC
Série/Nome da família do produto Série MELSERVO J5
Nome do sub-range Série HK-ST
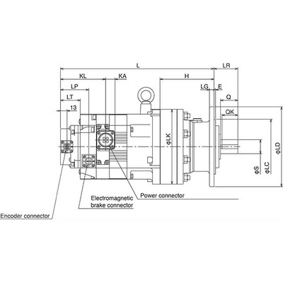
Funções Servomotor rotativo AC com redutor, eixo estriado com feedback absoluto (26 bits), caixa de engrenagens padrão 1/11, estrutura de resfriamento natural totalmente fechada (TENC), inerência média/capacidade de potência média, resfriamento natural.
Tensão de alimentação (AC) Classe 200Vac
Corrente nominal 16A (com amplificador de 200Vac)
Potência ativa nominal (kW) 3500W / 3,5kW
Velocidade rotacional 2000rpm / 3500rpm (máxima)
Torque nominal 16,7Nm
Torque máximo 50,1Nm
Momento de inerência 0,00578kg.m² (57,8kg.cm²)
Modo de montagem Montagem em flange 176x176mm
Resolução Feedback de 26 bits (equivalente a 67108864ppr)
Grau de proteção IP67
Dimensões A260mm x L260mm x P444,5mm
Altura líquida (mm) 260 mm
Largura líquida (mm) 260 mm
Profundidade líquida (mm) 444,5 mm
Temperatura do ar ambiente para operação 0…+60 °C
Temperatura do ar ambiente para armazenamento -25°C…+70 °C
Carga radial máxima 3871 N
Carga axial máxima 3920 N
Corrente máxima 52 A
Código de pedido / SKU do fabricante HK-ST352G1 1/11
Status do produto do fabricante Comercializado
Equivalente a HKST352G1111
Conforme com as normas Marcação CE, TUV Rheinland, UKCA, cURus, EN60034-1, EN61800-3, EN63000, UL, CSA
Benefícios Encoder de posição absoluto sem bateria, cabos para o encoder, freios eletromagnéticos e alimentação equipados com trava de um toque.
Relação de engrenagem 1/11 (redutor)

Documentos

Este produto é parte da série MELSERVO J5 da Mitsubishi Electric e requer amplificadores e cabos compatíveis para operação. Consulte a documentação para recomendações específicas de acessórios.

Entre em contato para mais informações sobre este produto e suas aplicações.

Fale conosco

Documentos

Marca

Mitsubishi Electric