Visão geral
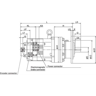
Este é um servomotor AC rotativo com redutor, pertencente à linha MELSERVO J5 da Mitsubishi Electric. Ele possui um eixo com chaveta, freio eletromagnético integrado e um encoder absoluto de 26 bits para feedback de posição.
Projetado para aplicações industriais que exigem precisão e robustez, este servomotor conta com um redutor de engrenagens padrão com relação de 1/59. A unidade oferece uma saída nominal de 3.5kW (3500W) e opera em classe de tensão de 200VCA.
Principais recursos
- Servomotor AC rotativo com redutor
- Eixo com chaveta
- Freio eletromagnético integrado
- Encoder absoluto de 26 bits integrado
- Redutor de engrenagens padrão com relação 1/59
- Estrutura de resfriamento natural totalmente fechada (TENC)
- Inércia média / Capacidade de potência média
- Resfriamento natural
- Codificador absoluto sem bateria
- Conectores de um toque para encoder, freios eletromagnéticos e alimentação
Especificações
| Parâmetro | Valor |
|---|---|
| Marca principal | Mitsubishi Electric |
| Função principal | Servomotor AC |
| Série / Nome da família do produto | Série MELSERVO J5 |
| Nome da sub-gama | Série HK-ST |
| Funções | Servomotor AC rotativo com redutor / Motorredutor |
| Projeto | Eixo com chaveta, freio e/m integrado, encoder absoluto (26 bits) integrado, redutor padrão 1/59, estrutura de resfriamento natural totalmente fechada (TENC), capacidade de inércia média / potência média, resfriamento natural. |
| Tensão de alimentação (CA) | Classe 200VCA |
| Corrente nominal | 16A (com amplificador de 200VCA) |
| Potência ativa nominal (kW) | 3500W / 3.5kW |
| Velocidade de rotação | 2000rpm (nominal), 3500rpm (máxima) |
| Torque nominal | 16.7Nm |
| Torque máximo | 50.1Nm |
| Momento de inércia | 0.0084kg.m² (84kg.cm²) |
| Modo de montagem | Montagem com flange de 176x176mm |
| Resolução | Feedback de 26 bits (equivalente a 67108864ppr) |
| Grau de proteção | IP67 |
| Dimensões | A400mm x L400mm x P606mm |
| Altura líquida (mm) | 400 mm |
| Largura líquida (mm) | 400 mm |
| Profundidade líquida (mm) | 606 mm |
| Temperatura ambiente para operação | 0…+60 °C |
| Temperatura ambiente para armazenamento | -25°C…+70 °C |
| Carga radial máxima | 13132 N |
| Carga axial máxima | 9800 N |
| Corrente máxima | 52 A |
| Código de pedido / SKU do fabricante | HK-ST352BG1 1/59 |
| Status do produto do fabricante | Comercializado |
| Equivalente a | HKST352BG1159 |
| Em conformidade com as normas | Marcação CE, TUV Rheinland, UKCA, cURus, EN60034-1, EN61800-3, EN63000, UL, CSA |
| Benefícios | Codificador de posição absoluto sem bateria, cabos para o codificador, freios eletromagnéticos e alimentação equipados com trava de um toque. |
| Relação de engrenagem | 1/59 (redutor) |
Documentos
Este produto é equivalente ao SKU HKST352BG1159.
Entre em contato para mais informações.



