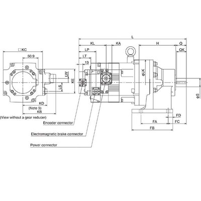
## Visão geral Este é um servomotor AC rotativo com redutor integrado (engrenagem), da série MELSERVO J5 da Mitsubishi Electric. Projetado para aplicações industriais que exigem precisão e confiabilidade, o equipamento possui eixo com chaveta e um encoder absoluto com resolução de 26 bits integrado. O motor conta com uma caixa de engrenagens padrão com relação de transmissão de 1:35. Sua estrutura com proteção IP67 garante resistência contra poeira e imersão temporária em água, sendo adequado para operar em ambientes com temperaturas de 0 a 60°C. — ## Principais recursos * Servomotor AC rotativo com redutor integrado * Encoder absoluto de 26 bits (equivalente a 67108864 pulsos por rotação) * Caixa de engrenagens com relação 1:35 * Estrutura totalmente fechada com refrigeração natural (TENC) * Classificação de proteção IP67 * Montagem em flange de 130x130mm com base para fixação * Codificador absoluto sem bateria * Conectores com trava rápida para encoder, freios eletromagnéticos e alimentação — ## Especificações | Parâmetro | Valor | | :——————————– | :———————————————————————————————— | | Marca principal | Mitsubishi Electric | | Função principal | Servomotor AC | | Série / Nome da família do produto | MELSERVO J5 series | | Nome da sub-gama | HK-ST series | | Funções | Servomotor AC rotativo com redutor / motorredutor | | Projeto | Eixo com chaveta, encoder absoluto integrado (26 bits), caixa de engrenagens 1:35, montagem com base, estrutura totalmente fechada com refrigeração natural (TENC), capacidade de média inércia / média potência. | | Tensão de alimentação (AC) | Classe 200Vac | | Corrente nominal | 5.3A (com amplificador de 200Vac) | | Potência ativa nominal (kW) | 1000W / 1kW | | Velocidade de rotação | 2000rpm (nominal) / 4000rpm (máxima) | | Torque nominal | 4.8Nm | | Torque máximo | 14.4Nm | | Momento de inércia | 0.000965kg.m² (9.65kg.cm²) | | Modo de montagem | Flange de 130x130mm com montagem com base (saída do redutor) | | Resolução | Feedback de 26 bits (equivalente a 67108864ppr) | | Grau de proteção | IP67 | | Dimensões | A252mm x L230mm x P345mm | | Altura líquida (mm) | 252 mm | | Largura líquida (mm) | 230 mm | | Profundidade líquida (mm) | 345 mm | | Temperatura ambiente para operação | 0…+60 °C | | Temperatura ambiente para armazenamento | -25°C…+70 °C | | Carga radial máxima | 5253 N | | Carga axial máxima | 2940 N | | Corrente máxima | 18 A | | Código de pedido / SKU do fabricante | HK-ST102G1H 1/35 | | Status do produto do fabricante | Comercializado | | Equivalente a | HKST102G1H135 | | Conformidade com normas | Marca CE, TUV Rheinland, UKCA, cURus, EN60034-1, EN61800-3, EN63000, UL, CSA | | Relação de engrenagem | 1/35 (caixa de engrenagens) | — ## Documentos * [Mitsubishi Electric – MELSERVO J5 series – Catalogue.pdf](https://cdn.kyklo.co/assets/W1siZiIsIjIwMjIvMDIvMTAvMTQvNTAvMzIvZTdhOWNmMmYtZGMwMy00MmY5LThkYjAtNWJhMDE0NjE1YTBiL01pdHN1YmlzaGklMjBFbGVjdHJpYyUyMC0lMjBNRUxTRVJWTyUyMEo1JTIwc2VyaWVzJTIwLSUyMENhdGFsb2d1ZS5wZGYiXV0?sha=e046f8c1c2704252) — Para mais informações e para discutir suas necessidades, entre em contato conosco. [Entre em contato](https://mokka-sensors.com.br/#contato)
Especificações
| Parâmetro | Valor |
|---|---|
| Primary brand | Mitsubishi Electric |
| Main function | AC servo motor |
| Product series / family name | MELSERVO J5 series |
| Sub-range name | HK-ST series |
| Functions | AC geared rotary servo motor / gearmotor |
| Design | keyed shaft built-in absolute feedback encod. (26-bit) 1/35 standard gearhead foot mounting Totally Enclosed Natural Cooling (TENC) structure medium inertia / medium power capacity natural cooling |
| Supply voltage (AC) | 200Vac class |
| Rated current | 5.3A (with 200Vac amplif.) |
| Rated active power (kW) | 1000W / 1kW |
| Rotational speed | 2000rpm 4000rpm (maximum) |
| Torque | 4.8Nm nominal |
| Maximum torque | 14.4Nm |
| Moment of inertia | 0.000965kg.m2 (9.65kg.cm2) |
| Mounting mode | 130x130mm flange size with foot mounting (grbx. output) |
| Resolution | 26-bit (equivalent to 67108864ppr) feedback |
| Degree of protection | IP67 |
| Dimensions | H252mm x W230mm x D345mm |
| Net Height (mm) | 252 mm |
| Net Width (mm) | 230 mm |
| Net Depth (mm) | 345 mm |
| Ambient air temperature for operation | 0…+60 °C |
| Ambient air temperature for storage | -25°C…+70 °C |
| Maximum radial load | 5253 N |
| Maximum axial load | 2940 N |
| Maximum current | 18 A |
| Order code / Manufacturer SKU | HK-ST102G1H 1/35 |
| Manufacturer product status | Commercialized |
| Equivalent to | HKST102G1H135 |
| Compliant with standard(s) | CE marking TUV Rheinland UKCA cURus EN60034-1 EN61800-3 EN63000 UL CSA |
| Benefits | batteryless absolute position encoder the cables for the encoder; the electromagnetic brakes and the pwr. are equipped with one-touch lock |
| Gear ratio | 1/35 (gearhead) |
| Recommended accessories | for standard torque use amplifiers – MR-J5-100A-RJ – MR-J5-100G-RJ – MR-J5-100G-RJN1 for higher torque use amplifiers – MR-J5-200A-RJ – MR-J5-200G-RJ – MR-J5-200G-RJN1 – MR-J5-350A-RJ – MR-J5-350G-RJ – MR-J5-350G-RJN1 – MR-J5W2-1010G Use amplifier motor cables as follows – Encoder cable for HK-ST — Standard bending life –> 2m ( MR-J3ENSCBL2M-L ) –> 5m ( MR-J3ENSCBL5M-L ) — Long bending life –> 2m ( MR-J3ENSCBL2M-H ) –> 5m ( MR-J3ENSCBL5M-H ) –> 10m ( MR-J3ENSCBL10M-H ) –> 15m ( MR-J3ENSCBL15M-H ) –> 17m ( MR-J3ENSCBL17M-H ) –> 20m ( MR-J3ENSCBL20M-H ) –> 30m ( MR-J3ENSCBL30M-H ) –> 40m ( MR-J3ENSCBL40M-H ) –> 50m ( MR-J3ENSCBL50M-H ) –> 60m ( MR-J3ENSCBL60M-H ) – Encoder cable for connecting a load-side encoder — Standard bending life –> 2m ( MR-EKCBL2M-H ) –> 5m ( MR-EKCBL5M-H ) |



