Visão geral
Servo motor AC rotativo com redutor, modelo MELSERVO J5 da Mitsubishi Electric, equipado com eixo estriado e encoder absoluto integrado de 26 bits. Este equipamento combina a performance de um servo motor AC com a robustez de um redutor padrão 1/29.
Com uma potência nominal de 1000W (1kW) e tensão de alimentação de 200Vac, o servo motor oferece torque nominal de 4.8Nm e rotação nominal de 2000rpm, atingindo até 4000rpm em velocidade máxima. Seu sistema de feedback absoluto de 26 bits garante alta precisão posicional.
Projetado com estrutura de resfriamento natural e classe de proteção IP67, o motor é adequado para operar em ambientes com temperatura entre 0°C e 60°C, apresentando robustez e confiabilidade em aplicações industriais.
Principais recursos
- Servo motor AC rotativo com redutor
- Eixo estriado
- Encoder absoluto integrado de 26 bits (67108864ppr)
- Redutor padrão 1/29
- Potência nominal 1kW
- Tensão de alimentação 200Vac
- Torque nominal 4.8Nm
- Velocidade nominal 2000rpm
- Classe de proteção IP67
- Operação em até 60°C
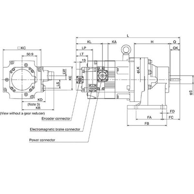
- Conexões de um toque para encoder, freios e alimentação
- Encoder absoluto sem bateria
Especificações
| Parâmetro | Valor |
|---|---|
| Marca principal | Mitsubishi Electric |
| Função principal | Servo motor AC |
| Série / nome da família do produto | Série MELSERVO J5 |
| Nome da sub-gama | Série HK-ST |
| Funções | Servo motor AC com redutor / motorredutor rotativo, eixo estriado, encoder absoluto integrado (26 bits), redutor padrão 1/29, montagem com pés, resfriamento natural (TENC), capacidade de inércia média / potência média, resfriamento natural. |
| Tensão de alimentação (AC) | Classe 200Vac |
| Corrente nominal | 5.3A (com amplificador de 200Vac) |
| Potência ativa nominal (kW) | 1000W / 1kW |
| Velocidade de rotação | 2000rpm, 4000rpm (máxima) |
| Torque | 4.8Nm nominal |
| Torque máximo | 14.4Nm |
| Momento de inércia | 0.000965kg.m² (9.65kg.cm²) |
| Modo de montagem | Flange de 130x130mm com montagem de pés (saída do redutor) |
| Resolução | Feedback de 26 bits (equivalente a 67108864ppr) |
| Grau de proteção | IP67 |
| Dimensões | A252mm x L230mm x P345mm |
| Altura líquida (mm) | 252 mm |
| Largura líquida (mm) | 230 mm |
| Profundidade líquida (mm) | 345 mm |
| Temperatura ambiente para operação | 0…+60 °C |
| Temperatura ambiente para armazenamento | -25°C…+70 °C |
| Carga radial máxima | 4410 N |
| Carga axial máxima | 2940 N |
| Corrente máxima | 18 A |
| Código de pedido / SKU do fabricante | HK-ST102G1H 1/29 |
| Status do produto do fabricante | Comercializado |
| Equivalente a | HKST102G1H129 |
| Conforme com padrões | Marca CE, TUV Rheinland, UKCA, cURus, EN60034-1, EN61800-3, EN63000, UL, CSA |
| Benefícios | Encoder absoluto sem bateria, cabos para encoder, freios eletromagnéticos e fonte de alimentação equipados com trava de um toque. |
| Relação de transmissão | 1/29 (redutor) |
Documentos
Observações: Compatibilidade com amplificadores da série MR-J5. Consulte o manual para seleção correta de cabos de encoder e acessórios recomendados.
Entre em contato para mais informações sobre este produto.



