Visão geral
Este é um motor servo rotativo AC com redutor (engrenagem) da linha MELSERVO J5 da Mitsubishi Electric. Ele possui um eixo com chaveta e um encoder absoluto integrado de 26 bits para feedback de posição preciso.
Projetado para aplicações que requerem alta precisão e torque robusto, este motor servo é classificado com uma potência de saída nominal de 3500W (3,5kW) e um torque nominal de 16,7Nm. Sua relação de redução padrão de engrenagem é de 1/43, operando em uma classe de tensão de alimentação de 200Vac.
Com um grau de proteção IP67, este motor é resistente a poeira e imersão temporária em água, tornando-o adequado para ambientes operacionais rigorosos. A faixa de temperatura ambiente para operação varia de 0 a 60°C.
Principais recursos
- Servo motor rotativo AC com redutor
- Encoder absoluto integrado de 26 bits
- Relação de redução de engrenagem 1/43
- Potência nominal de 3,5kW
- Torque nominal de 16,7Nm
- Velocidade nominal de 2000rpm
- Grau de proteção IP67
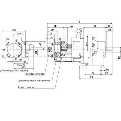
- Montagem em flange de 176x176mm com montagem em pé (saída do redutor)
- Codificador absoluto sem bateria
- Conectores de um toque para encoder, freios eletromagnéticos e energia
Especificações
| Parâmetro | Valor |
|---|---|
| Marca primária | Mitsubishi Electric |
| Função principal | Servomotor AC |
| Série/nome da família do produto | MELSERVO J5 series |
| Nome da sub-gama | Série HK-ST |
| Funções | Servomotor/motor de engrenagem AC rotativo com redutor |
| Design | Eixo com chaveta, codificador absoluto embutido (26 bits), redutor padrão 1/43, montagem em pé, estrutura totalmente fechada com refrigeração natural (TENC), inércia/potência média, refrigeração natural. |
| Tensão de alimentação (AC) | Classe 200Vac |
| Corrente nominal | 16A (com amplificador de 200Vac) |
| Potência ativa nominal (kW) | 3500W / 3,5kW |
| Velocidade de rotação | 2000rpm (nominal), 3500rpm (máxima) |
| Torque | 16,7Nm (nominal) |
| Torque máximo | 50,1Nm |
| Momento de inércia | 0,008kg.m² (80kg.cm²) |
| Modo de montagem | Flange de 176x176mm com montagem em pé (saída do redutor) |
| Resolução | Feedback de 26 bits (equivalente a 67108864ppr) |
| Grau de proteção | IP67 |
| Dimensões | A381mm x L430mm x P556,5mm |
| Altura líquida (mm) | 381 mm |
| Largura líquida (mm) | 430 mm |
| Profundidade líquida (mm) | 556,5 mm |
| Temperatura do ar ambiente para operação | 0…+60 °C |
| Temperatura do ar ambiente para armazenamento | -25°C…+70 °C |
| Carga radial máxima | 11662 N |
| Carga axial máxima | 9800 N |
| Corrente máxima | 52 A |
| Código de pedido / SKU do fabricante | HK-ST352G1H 1/43 |
| Status do produto do fabricante | Comercializado |
| Equivalente a | HKST352G1H143 |
| Em conformidade com norma(s) | Marcação CE, TUV Rheinland, UKCA, cURus, EN60034-1, EN61800-3, EN63000, UL, CSA |
| Benefícios | Codificador absoluto sem bateria; cabos para o codificador, freios eletromagnéticos e energia equipados com trava de um toque. |
| Relação de engrenagem | 1/43 (redutor) |
Documentos
Acessórios recomendados incluem amplificadores MR-J5-350A-RJ, MR-J5-350G-RJ, MR-J5-350G-RJN1 para torque padrão e MR-J5-500A-RJ, MR-J5-500G-RJ, MR-J5-500G-RJN1 para torque mais alto. Consulte os cabos de encoder compatíveis (MR-J3ENSCBL2M-L, MR-J3ENSCBL5M-L, MR-J3ENSCBL2M-H, etc.) e cabos de encoder para conexão do lado da carga (MR-EKCBL2M-H, MR-EKCBL5M-H) na documentação técnica.



