Servo Motor AC Rotativo com Redutor 1/21 MELSERVO J5 Mitsubishi Electric HK-ST352G5 1/21 3,5kW 200Vac 26-bit IP67

Consulte as Condições de Fornecimento

Servo motor AC rotativo com redutor Mitsubishi Electric MELSERVO J5 HK-ST352G5 1/21 (3,5kW, 200Vac, 26-bit IP67) para aplicações industriais. Consulte

SKU: HK-ST352G5 1/21 Categoria: Marca:

Visão geral

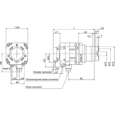
Este é um servomotor rotativo AC com redutor integrado, pertencente à série MELSERVO J5 da Mitsubishi Electric. Projetado com um eixo reto e codificador absoluto embutido de 26 bits, este motor oferece alta precisão em suas operações.

O equipamento conta com um redutor de alta precisão com relação de transmissão de 1/21 e saída flangeada. Com uma potência nominal de 3500W (3,5kW), ele é ideal para aplicações que exigem torque robusto e controle preciso, operando em uma classe de tensão de 200Vac.

O servomotor possui uma estrutura de resfriamento natural totalmente fechada (TENC), garantindo desempenho estável em ambientes operacionais desafiadores. Sua classificação de proteção IP67 o torna resistente à poeira e à imersão temporária em água, amplificando sua aplicabilidade em diversas condições industriais.

Principais recursos

  • Servo motor AC rotativo com redutor
  • Eixo reto com codificador absoluto embutido (26 bits)
  • Redutor de alta precisão com relação 1/21 e saída flangeada
  • Potência nominal de 3.5kW
  • Tensão de alimentação 200Vac
  • Torque nominal de 16.7Nm
  • Velocidade rotacional nominal de 2000rpm
  • Montagem em flange 176x176mm
  • Grau de proteção IP67
  • Estrutura de resfriamento natural totalmente fechada (TENC)
  • Codificador absoluto sem bateria
  • Conectores de um toque para encoder, freios eletromagnéticos e alimentação

Especificações

Parâmetro Valor
Marca principal Mitsubishi Electric
Função principal Servo motor AC
Série/família do produto MELSERVO J5 series
Nome da subgama HK-ST series
Funções Servo motor AC com redutor / motorredutor rotativo
Projeto Eixo reto com codificador absoluto embutido (26 bits) redutor de alta precisão 1/21 (saída flangeada) estrutura TENC (resfriamento natural totalmente fechado) capacidade de inércia média / potência média resfriamento natural
Tensão de alimentação (AC) Classe 200Vac
Corrente nominal 16A (com amplificador de 200Vac)
Potência ativa nominal (kW) 3500W / 3.5kW
Velocidade de rotação 2000rpm 3500rpm (máxima)
Torque 16.7Nm nominal
Torque máximo 50.1Nm
Momento de inércia 0.006kg.m² (60kg.cm²)
Modo de montagem Montagem em flange 176x176mm
Resolução Feedback de 26 bits (equivalente a 67108864ppr)
Grau de proteção IP67
Dimensões A211.2mm x L140.8mm x P360.5mm
Altura líquida (mm) 211.2 mm
Largura líquida (mm) 140.8 mm
Profundidade líquida (mm) 360.5 mm
Temperatura ambiente para operação 0…+60 °C
Temperatura ambiente para armazenamento -25°C…+70 °C
Carga radial máxima 2558 N
Carga axial máxima 8845 N
Corrente máxima 52 A
Código do pedido / SKU do fabricante HK-ST352G5 1/21
Status do produto do fabricante Comercializado
Equivalente a HKST352G5121
Em conformidade com as normas Marcação CE TUV Rheinland UKCA cURus EN60034-1 EN61800-3 EN63000 UL CSA
Benefícios Codificador de posição absoluto sem bateria os cabos para o codificador; os freios eletromagnéticos e a alimentação são equipados com trava de um toque
Relação de engrenagem 1/21 (redutor)

Documentos

Este produto é compatível com os amplificadores MR-J5-350A-RJ, MR-J5-350G-RJ, MR-J5-350G-RJN1, MR-J5-500A-RJ, MR-J5-500G-RJ, MR-J5-500G-RJN1, e utiliza cabos de encoder específicos. Para mais detalhes sobre compatibilidades e acessórios, consulte a documentação técnica.

Para mais informações sobre este produto ou para solicitar um orçamento, entre em contato conosco.

Entre em contato

Marca

Mitsubishi Electric