Visão geral
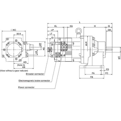
Motor servo rotativo AC com redutor (motorredutor) equipado com eixo com chaveta e feedback absoluto integrado de 26 bits. Este modelo da série MELSERVO J5 da Mitsubishi Electric possui um redutor padrão de relação 1/17.
Oferece uma potência nominal de saída de 1000W (1kW), com uma resolução de feedback de 26 bits (equivalente a 67108864 pulsos por revolução). A classe de tensão de alimentação é de 200VCA e o torque nominal é de 4.8Nm, com velocidade rotacional nominal de 2000rpm. Seu flange de montagem mede 130x130mm com opção de montagem por pés no redutor.
O grau de proteção é IP67, e opera em temperaturas ambientes de 0 a 60°C. O código de pedido é HK-ST102G1H 1/17, sendo este modelo comercializado e equivalente ao código HKST102G1H117.
Principais recursos
- Feedback absoluto de 26 bits sem bateria.
- Conexões rápidas com trava de um toque para encoder, freios eletromagnéticos e alimentação.
- Estrutura TENC (Totalmente Envolvida com Resfriamento Natural).
- Capacidade de inércia média e potência média.
- Eixo com chaveta e montagem com pés no redutor.
Especificações
| Parâmetro | Valor |
|---|---|
| Marca primária | Mitsubishi Electric |
| Função principal | Motor servo AC |
| Série / nome da família do produto | Série MELSERVO J5 |
| Nome da sub-gama | Série HK-ST |
| Funções | Motor servo rotativo AC / motorredutor |
| Projeto | Eixo com chaveta, feedback absoluto integrado de 26 bits, redutor padrão 1/17, montagem por pés, estrutura TENC, inércia média / capacidade de potência média, resfriamento natural. |
| Tensão de alimentação (CA) | Classe 200VCA |
| Corrente nominal | 5.3A (com amplificador de 200VCA) |
| Potência ativa nominal (kW) | 1000W / 1kW |
| Velocidade de rotação | 2000rpm (nominal), 4000rpm (máxima) |
| Torque nominal | 4.8Nm |
| Torque máximo | 14.4Nm |
| Momento de inércia | 0.000995kg.m² (9.95kg.cm²) |
| Modo de montagem | Flange de 130x130mm com montagem por pés (saída do redutor) |
| Resolução | Feedback de 26 bits (equivalente a 67108864ppr) |
| Grau de proteção | IP67 |
| Dimensões | A252mm x L230mm x P345mm |
| Altura líquida (mm) | 252 mm |
| Largura líquida (mm) | 230 mm |
| Profundidade líquida (mm) | 345 mm |
| Temperatura ambiente para operação | 0…+60 °C |
| Temperatura ambiente para armazenamento | -25°C…+70 °C |
| Carga radial máxima | 3646 N |
| Carga axial máxima | 2940 N |
| Corrente máxima | 18 A |
| Código de pedido / SKU do fabricante | HK-ST102G1H 1/17 |
| Status do produto do fabricante | Comercializado |
| Equivalente a | HKST102G1H117 |
| Em conformidade com a(s) norma(s) | Marca CE, TUV Rheinland, UKCA, cURus, EN60034-1, EN61800-3, EN63000, UL, CSA |
| Benefícios | Encoder de posição absoluto sem bateria, cabos para encoder, freios eletromagnéticos e alimentação equipados com trava de um toque. |
| Relação de engrenagem | 1/17 (redutor) |
Documentos
Acessórios recomendados para amplificadores e cabos estão detalhados nas especificações técnicas. Este produto é compatível com a série de amplificadores MR-J5.


