Servo Motor AC Rotativo com Redutor 2kW 2000RPM IP67 Servo Motor AC Mitsubishi Electric HK-ST202G5 1/11 2kW com redutor 1/11, feedback absoluto de 26 bits e proteção IP67. Ideal para aplicações exigentes.
Especificações
| Parâmetro | Valor |
|---|---|
| Primary brand | Mitsubishi Electric |
| Main function | AC servo motor |
| Product series / family name | MELSERVO J5 series |
| Sub-range name | HK-ST series |
| Functions | AC geared rotary servo motor / gearmotor |
| Design | straight shaft built-in absolute feedback encod. (26-bit) 1/11 high-precision gearhead (flange output) Totally Enclosed Natural Cooling (TENC) structure medium inertia / medium power capacity natural cooling |
| Supply voltage (AC) | 200Vac class |
| Rated current | 10A (with 200Vac amplif.) |
| Rated active power (kW) | 2000W / 2kW |
| Rotational speed | 2000rpm 4000rpm (maximum) |
| Torque | 9.5Nm nominal |
| Maximum torque | 28.5Nm |
| Moment of inertia | 0.00408kg.m2 (40.8kg.cm2) |
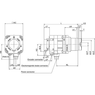
| Mounting mode | 176x176mm flange mounting |
| Resolution | 26-bit (equivalent to 67108864ppr) feedback |
| Degree of protection | IP67 |
| Dimensions | H211.2mm x W140.8mm x D302.5mm |
| Net Height (mm) | 211.2 mm |
| Net Width (mm) | 140.8 mm |
| Net Depth (mm) | 302.5 mm |
| Ambient air temperature for operation | 0…+60 °C |
| Ambient air temperature for storage | -25°C…+70 °C |
| Maximum radial load | 901 N |
| Maximum axial load | 3590 N |
| Maximum current | 32 A |
| Order code / Manufacturer SKU | HK-ST202G5 1/11 |
| Manufacturer product status | Commercialized |
| Equivalent to | HKST202G5111 |
| Compliant with standard(s) | CE marking TUV Rheinland UKCA cURus EN60034-1 EN61800-3 EN63000 UL CSA |
| Benefits | batteryless absolute position encoder the cables for the encoder; the electromagnetic brakes and the pwr. are equipped with one-touch lock |
| Gear ratio | 1/11 (gearhead) |
| Recommended accessories | for standard torque use amplifiers – MR-J5-200A-RJ – MR-J5-200G-RJ – MR-J5-200G-RJN1 for higher torque use amplifiers – MR-J5-350A-RJ – MR-J5-350G-RJ – MR-J5-350G-RJN1 Use amplifier motor cables as follows – Encoder cable for HK-ST — Standard bending life –> 2m ( MR-J3ENSCBL2M-L ) –> 5m ( MR-J3ENSCBL5M-L ) — Long bending life –> 2m ( MR-J3ENSCBL2M-H ) –> 5m ( MR-J3ENSCBL5M-H ) –> 10m ( MR-J3ENSCBL10M-H ) –> 15m ( MR-J3ENSCBL15M-H ) –> 17m ( MR-J3ENSCBL17M-H ) –> 20m ( MR-J3ENSCBL20M-H ) –> 30m ( MR-J3ENSCBL30M-H ) –> 40m ( MR-J3ENSCBL40M-H ) –> 50m ( MR-J3ENSCBL50M-H ) –> 60m ( MR-J3ENSCBL60M-H ) – Encoder cable for connecting a load-side encoder — Standard bending life –> 2m ( MR-EKCBL2M-H ) –> 5m ( MR-EKCBL5M-H ) |


