Servo Motor AC Geared Mitsubishi HK-ST702G1 7kW IP67 Servo Motor AC Geared Mitsubishi MELSERVO J5 HK-ST702G1 1/11 7kW 200Vac 26-bit IP67. Consulte o catálogo completo para mais detalhes.
Visão geral
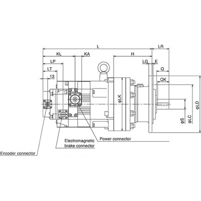
Este é um servomotor rotativo AC com engrenagem (motorredutor) da série MELSERVO J5 da Mitsubishi Electric. Ele possui um eixo com chaveta e um feedback absoluto integrado de 26 bits. Inclui uma caixa de engrenagens padrão com relação de 1/11.
O motor oferece uma potência de saída nominal de 7000W (7kW) e opera com tensão de alimentação na classe de 200Vac. O torque nominal é de 33.4Nm e a velocidade rotacional nominal é de 2000rpm. O design é robusto, com montagem em flange de 176x176mm e classificação de proteção IP67, sendo adequado para ambientes de 0 a 60°C.
Principais recursos
- Servomotor rotativo AC com engrenagem e eixo com chaveta.
- Feedback absoluto integrado de 26 bits (equivalente a 67108864ppr).
- Caixa de engrenagens padrão com relação de 1/11.
- Potência de saída nominal de 7kW.
- Tensão de alimentação na classe de 200Vac.
- Torque nominal de 33.4Nm.
- Velocidade rotacional nominal de 2000rpm.
- Montagem em flange de 176x176mm.
- Classificação de proteção IP67.
- Operação em temperaturas ambientes de 0 a 60°C.
- Codificador absoluto sem bateria.
- Conectores de um toque para cabos do codificador, freios eletromagnéticos e alimentação.
Especificações
| Parâmetro | Valor |
|---|---|
| Marca primária | Mitsubishi Electric |
| Função principal | Servomotor AC |
| Série/Nome da família do produto | MELSERVO J5 series |
| Nome do sub-range | Série HK-ST |
| Funções | Servomotor rotativo AC com engrenagem / motorredutor |
| Design | Eixo com chaveta, feedback absoluto integrado (26 bits), caixa de engrenagens padrão 1/11, estrutura de resfriamento natural totalmente fechada (TENC), capacidade de inércia/potência média, resfriamento natural. |
| Tensão de alimentação (AC) | Classe 200Vac |
| Corrente nominal | 28A (com amplificador de 200Vac) |
| Potência ativa nominal (kW) | 7000W / 7kW |
| Velocidade rotacional | 2000rpm, 3000rpm (máxima) |
| Torque nominal | 33.4Nm |
| Torque máximo | 100.2Nm |
| Momento de inércia | 0.0144kg.m² (144kg.cm²) |
| Modo de montagem | Montagem em flange de 176x176mm |
| Resolução | Feedback de 26 bits (equivalente a 67108864ppr) |
| Grau de proteção | IP67 |
| Dimensões | A400mm x L400mm x P616.5mm |
| Altura líquida (mm) | 400 mm |
| Largura líquida (mm) | 400 mm |
| Profundidade líquida (mm) | 616.5 mm |
| Temperatura do ar ambiente para operação | 0…+60 °C |
| Temperatura do ar ambiente para armazenamento | -25°C…+70 °C |
| Carga radial máxima | 7526 N |
| Carga axial máxima | 8085 N |
| Corrente máxima | 102 A |
| Código de pedido / SKU do fabricante | HK-ST702G1 1/11 |
| Status do produto do fabricante | Comercializado |
| Equivalente a | HKST702G1111 |
| Em conformidade com as normas | Marcação CE, TUV Rheinland, UKCA, cURus, EN60034-1, EN61800-3, EN63000, UL, CSA |
| Benefícios | Codificador de posição absoluto sem bateria, cabos do codificador, freios eletromagnéticos e alimentação equipados com conector de um toque. |
| Relação de engrenagem | 1/11 (caixa de engrenagens) |
| Acessórios recomendados | Para torque padrão, use amplificadores – MR-J5-700A-RJ – MR-J5-700G-RJ – MR-J5-700G-RJN1. Use cabos de amplificador motor conforme a seguir – Cabo do codificador para HK-ST – Vida útil padrão para flexão –> 2m (MR-J3ENSCBL2M-L) –> 5m (MR-J3ENSCBL5M-L) – Vida útil longa para flexão –> 2m (MR-J3ENSCBL2M-H) –> 5m (MR-J3ENSCBL5M-H) –> 10m (MR-J3ENSCBL10M-H) –> 15m (MR-J3ENSCBL15M-H) –> 17m (MR-J3ENSCBL17M-H) –> 20m (MR-J3ENSCBL20M-H) –> 30m (MR-J3ENSCBL30M-H) –> 40m (MR-J3ENSCBL40M-H) –> 50m (MR-J3ENSCBL50M-H) –> 60m (MR-J3ENSCBL60M-H) – Cabo do codificador para conectar um codificador do lado da carga — Vida útil padrão para flexão –> 2m (MR-EKCBL2M-H) –> 5m (MR-EKCBL5M-H) |
Documentos
Este produto é comercializado pela Mitsubishi Electric e é compatível com a série MELSERVO J5. Para obter informações detalhadas sobre compatibilidade com outros sistemas ou produtos, consulte a documentação técnica ou entre em contato.
Entre em contato conosco para mais informações:



