Servo Motor AC Geared Mitsubishi MELSERVO J5 7kW 200Vac 26-bit Freio IP67 Flangeado – HK-ST702BG5 1/5

Consulte as Condições de Fornecimento

Visão geral

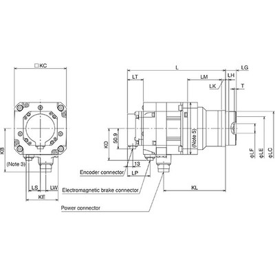
Este é um servomotor AC rotativo com engrenagem, da linha MELSERVO J5 da Mitsubishi Electric, com eixo reto e freio eletromecânico

SKU: HK-ST702BG5 1/5 Categoria: Marca:

Principais recursos

  • Servomotor AC rotativo com engrenagem
  • Eixo reto
  • Freio eletromecânico integrado
  • Feedback absoluto de 26 bits
  • Caixa de engrenagens de alta precisão (relação 1/5)
  • Estrutura com resfriamento natural totalmente fechada (TENC)
  • Inércia média / capacidade de potência média
  • Conexões com trava de um toque para cabos do encoder, freios eletromagnéticos e alimentação

—SEPARATOR—

Especificações

Parâmetro Valor
Marca principal Mitsubishi Electric
Função principal Servomotor AC
Série / nome da família do produto Série MELSERVO J5
Nome do sub-range Série HK-ST
Funções Servomotor AC com engrenagem / motorredutor rotativo
Projeto Eixo reto, freio e/m integrado, encoder absoluto integrado (26 bits), caixa de engrenagens 1/5 de alta precisão (saída flangeada), estrutura com resfriamento natural totalmente fechada (TENC), inércia média / potência média, resfriamento natural.
Tensão de alimentação (AC) Classe 200Vac
Corrente nominal 28A (com amplificador de 200Vac)
Potência ativa nominal (kW) 7000W / 7kW
Velocidade de rotação 2000rpm (nominal), 3000rpm (máxima)
Torque nominal 33.4Nm
Torque máximo 100.2Nm
Momento de inércia 0.012kg.m² (120kg.cm²)
Modo de montagem Montagem com flange de 176x176mm
Resolução Feedback de 26 bits (equivalente a 67108864ppr)
Grau de proteção IP67
Dimensões A211.2mm x L140.8mm x P470mm
Altura líquida (mm) 211.2 mm
Largura líquida (mm) 140.8 mm
Profundidade líquida (mm) 470 mm
Temperatura do ar ambiente para operação 0…+60 °C
Temperatura do ar ambiente para armazenamento -25°C…+70 °C
Carga radial máxima 1663 N
Carga axial máxima 5751 N
Corrente máxima 102 A
Código de pedido / SKU do fabricante HK-ST702BG5 1/5
Status do produto do fabricante Comercializado
Equivalente a HKST702BG515
Em conformidade com a(s) norma(s) Marca CE, TUV Rheinland, UKCA, cURus, EN60034-1, EN61800-3, EN63000, UL, CSA
Benefícios Encoder de posição absoluto sem bateria; os cabos do encoder, os freios eletromagnéticos e a alimentação são equipados com trava de um toque.
Relação de engrenagem 1/5 (caixa de engrenagens)

—SEPARATOR—

Documentos

Este produto é compatível com os amplificadores da série MR-J5 e utiliza cabos de encoder específicos. Consulte a seção de acessórios recomendados para detalhes sobre compatibilidade de cabos.

Entre em contato para mais informações.

Documentos

Marca

Mitsubishi Electric