Servo Motor AC J5 HK-ST702BG1H 1/17 Mitsubishi Servo Motor AC Geared Mitsubishi MELSERVO J5 HK-ST702BG1H 1/17 7kW com freio e encoder absoluto 26-bit IP67.
Visão geral
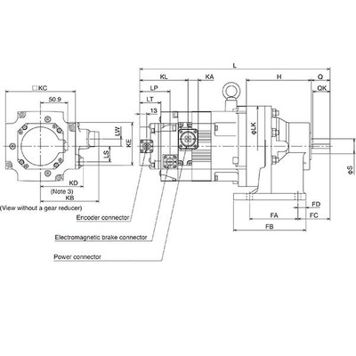
Este é um servomotor rotativo AC acoplado a engrenagens (motorredutor) da série MELSERVO J5 da Mitsubishi Electric. Ele possui um eixo estriado, freio eletromagnético e feedback absoluto de 26 bits integrado, além de uma caixa de engrenagens padrão com relação de 1/17.
O motor oferece uma potência de saída nominal de 7000W (7kW) e opera em uma classe de tensão de 200Vca. O feedback absoluto de 26 bits equivale a 67.108.864 pulsos por revolução, garantindo alta precisão na detecção de posição.
Este equipamento é projetado com um tamanho de flange de 176x176mm, montagem com pés e proteção contra poeira e água com classificação IP67. A operação é garantida em temperaturas ambientes de 0 a 60°C.
Principais recursos
- Motor servomotor rotativo AC acoplado a engrenagens com eixo estriado
- Freio eletromagnético e encoder absoluto (26 bits) integrados
- Caixa de engrenagens padrão 1/17
- Potência de saída nominal de 7000W / 7kW
- Tensão de alimentação classe 200Vca
- Velocidade rotacional nominal de 2000rpm
- Torque nominal de 33.4Nm
- Proteção IP67
- Montagem com pés
- Encoder absoluto sem bateria
- Conectores de um toque para encoder, freios e alimentação
Especificações
| Parâmetro | Valor |
|---|---|
| Marca principal | Mitsubishi Electric |
| Função principal | Servomotor AC |
| Série / nome da família do produto | Série MELSERVO J5 |
| Nome do sub-range | Série HK-ST |
| Funções | Servomotor rotativo AC acoplado a engrenagens / motorredutor |
| Projeto | Eixo estriado, freio e/m integrado, encoder absoluto integrado (26 bits), caixa de engrenagens padrão 1/17, montagem com pés, estrutura de resfriamento natural totalmente fechada (TENC), capacidade de inércia/potência média, resfriamento natural. |
| Tensão de alimentação (AC) | Classe 200Vca |
| Corrente nominal | 28A (com amplificador de 200Vca) |
| Potência ativa nominal (kW) | 7000W / 7kW |
| Velocidade rotacional | 2000rpm, 3000rpm (máxima) |
| Torque | 33.4Nm nominal |
| Torque máximo | 100.2Nm |
| Momento de inércia | 0.0141kg.m² (141kg.cm²) |
| Modo de montagem | Tamanho da flange de 176x176mm com montagem com pés (saída da caixa de engrenagens) |
| Resolução | Feedback de 26 bits (equivalente a 67108864ppr) |
| Grau de proteção | IP67 |
| Dimensões | A381mm x L430mm x P666mm |
| Altura líquida (mm) | 381 mm |
| Largura líquida (mm) | 430 mm |
| Profundidade líquida (mm) | 666 mm |
| Temperatura do ar ambiente para operação | 0…+60 °C |
| Temperatura do ar ambiente para armazenamento | -25°C…+70 °C |
| Carga radial máxima | 8683 N |
| Carga axial máxima | 9673 N |
| Corrente máxima | 102 A |
| Código de pedido / SKU do fabricante | HK-ST702BG1H 1/17 |
| Status do produto do fabricante | Comercializado |
| Equivalente a | HKST702BG1H117 |
| Em conformidade com normas | Marca CE, TUV Rheinland, UKCA, cURus, EN60034-1, EN61800-3, EN63000, UL, CSA |
| Benefícios | Encoder de posição absoluto sem bateria, cabos para o encoder, freios eletromagnéticos e alimentação equipados com trava de um toque. |
| Relação de engrenagem | 1/17 (caixa de engrenagens) |
Documentos
Acessórios recomendados incluem amplificadores série MR-J5 e cabos específicos para encoder e motores.



