Servo Motor AC Geared Mitsubishi MELSERVO J5 500W 200Vac 26-bit 2000rpm IP67 com Redutor 1/11 – HK-ST52G1H 1/11

Consulte as Condições de Fornecimento

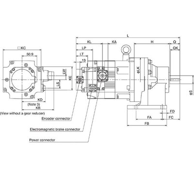
Visão geral

Este é um servomotor rotativo CA com engrenagem e eixo chavetado. Possui um codificador absoluto integrado de 26 bits para

SKU: HK-ST52G1H 1/11 Categoria: Marca:

Principais recursos

  • Servomotor rotativo CA com engrenagem
  • Eixo chavetado
  • Codificador absoluto integrado de 26 bits
  • Caixa de engrenagens padrão 1/11
  • Potência nominal de 500W
  • Tensão de alimentação 200Vac
  • Velocidade nominal de 2000rpm
  • Torque nominal de 2,4Nm
  • Flange de 130x130mm com montagem por pés
  • Grau de proteção IP67
  • Operação em ambiente de 0 a 60°C
  • Codificador de posição absoluto sem bateria
  • Conectores com travamento rápido para cabos do codificador, freios eletromagnéticos e alimentação

—SEPARATOR—

Especificações

Parâmetro Valor
Marca principal Mitsubishi Electric
Função principal Servomotor CA
Série/nome da família do produto Série MELSERVO J5
Nome da subgama Série HK-ST
Funções Servomotor/motor de engrenagem rotativo CA
Design Eixo chavetado, codificador absoluto integrado (26 bits), caixa de engrenagens padrão 1/11, montagem por pés, estrutura TENC (Totalmente Fechado com Resfriamento Natural), capacidade de inércia média/potência média, resfriamento natural.
Tensão de alimentação (CA) Classe 200Vac
Corrente nominal 3A (com amplificação de 200Vac)
Potência ativa nominal (kW) 500W / 0,5kW
Velocidade de rotação 2000rpm / 4000rpm (máxima)
Torque 2,4Nm nominal
Torque máximo 7,2Nm
Momento de inércia 0,000629kg.m² (6,29kg.cm²)
Modo de montagem Flange de 130x130mm com montagem por pés (saída da caixa de engrenagens)
Resolução Codificação de 26 bits (equivalente a 67108864ppr)
Grau de proteção IP67
Dimensões A219mm x L180mm x P320,5mm
Altura líquida (mm) 219 mm
Largura líquida (mm) 180 mm
Profundidade líquida (mm) 320,5 mm
Temperatura do ar ambiente para operação 0…+60 °C
Temperatura do ar ambiente para armazenamento -25°C…+70 °C
Carga radial máxima 2391 N
Carga axial máxima 1470 N
Corrente máxima 11 A
Código de pedido / SKU do fabricante HK-ST52G1H 1/11
Status do produto do fabricante Comercializado
Equivalente a HKST52G1H111
Conforme com norma(s) Marcação CE, TUV Rheinland, UKCA, cURus, EN60034-1, EN61800-3, EN63000, UL, CSA
Benefícios Codificador absoluto sem bateria, cabos do codificador, freios eletromagnéticos e alimentação equipados com trava de um toque.
Relação de engrenagem 1/11 (caixa de engrenagens)
Acessórios recomendados Para torque padrão: amplificadores MR-J5-60A-RJ, MR-J5-60G-RJ, MR-J5-60G-RJN1. Para torque superior: amplificadores MR-J5-70A-RJ, MR-J5-70G-RJ, MR-J5-70G-RJN1, MR-J5-100A-RJ, MR-J5-100G-RJ, MR-J5-100G-RJN1. Para torque superior, usar amplificadores multi-eixo: MR-J5W2-77G, MR-J5W2-1010G. Usar cabos amplificador motor conforme: Cabos de encoder para HK-ST — Vida útil padrão em dobras –> 2m (MR-J3ENSCBL2M-L) –> 5m (MR-J3ENSCBL5M-L). — Vida útil longa em dobras –> 2m (MR-J3ENSCBL2M-H) –> 5m (MR-J3ENSCBL5M-H) –> 10m (MR-J3ENSCBL10M-H) –> 15m (MR-J3ENSCBL15M-H) –> 17m (MR-J3ENSCBL17M-H) –> 20m (MR-J3ENSCBL20M-H) –> 30m (MR-J3ENSCBL30M-H) –> 40m (MR-J3ENSCBL40M-H) –> 50m (MR-J3ENSCBL50M-H) –> 60m (MR-J3ENSCBL60M-H). Cabo do encoder para conexão de encoder do lado da carga — Vida útil padrão em dobras –> 2m (MR-EKCBL2M-H) –> 5m (MR-EKCBL5M-H).

—SEPARATOR—

Documentos

Este produto é um componente da linha MELSERVO J5 da Mitsubishi Electric. Para obter mais informações ou para verificar compatibilidades específicas com outros componentes ou sistemas, por favor, consulte a documentação técnica ou entre em contato.

Para mais informações e para discutir suas necessidades, entre em contato conosco.

Marca

Mitsubishi Electric