Servo Motor AC Geared Mitsubishi MELSERVO J5 HK-ST52BG1H 1/17 500W 200Vac 2000rpm Freio Encoder 26-bit IP67

Consulte as Condições de Fornecimento

Servo Motor AC Geared Mitsubishi HK-ST52BG1H 1/17 Servo Motor AC Geared Mitsubishi MELSERVO J5 HK-ST52BG1H 1/17 de 500W, 200V, 2000rpm, com freio, encoder

SKU: HK-ST52BG1H 1/17 Categoria: Marca:

Visão geral

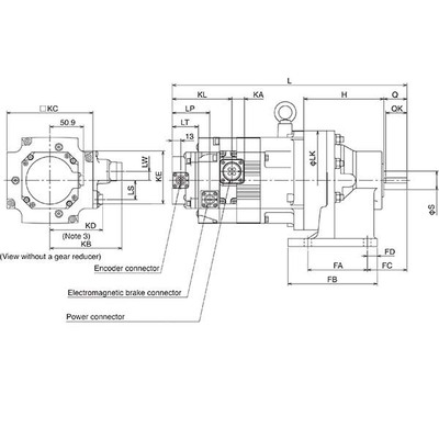
Trata-se de um servomotor rotativo AC acoplado a redutor, com eixo chavetado. Inclui freio eletromagnético embutido e feedback absoluto de alta resolução (encoder 26-bit).

O motor faz parte da série MELSERVO J5 da Mitsubishi Electric, oferecendo uma solução robusta para aplicações que demandam controle preciso de posição e torque. Sua estrutura com resfriamento natural e capacidade de média inércia e potência o tornam versátil.

Com uma relação de redução de 1/17, este modelo fornece 500W (0.5kW) de potência nominal e opera com tensão de alimentação de 200Vac, apresentando torque nominal de 2.4Nm e velocidade nominal de 2000rpm.

Principais recursos

  • Servomotor rotativo AC acoplado a redutor
  • Eixo chavetado
  • Freio eletromagnético embutido
  • Feedback absoluto com encoder de 26 bits
  • Redutor padrão 1/17
  • Estrutura Totally Enclosed Natural Cooling (TENC)
  • Estrutura de média inércia e média potência
  • Resfriamento natural
  • Encoder absoluto sem bateria
  • Conexões de um toque para encoder, freios e alimentação

Especificações

Parâmetro Valor
Marca principal Mitsubishi Electric
Função principal Servomotor AC
Série / nome da família do produto MELSERVO J5 series
Nome do sub-range HK-ST series
Funções Servomotor rotativo AC acoplado a redutor
Projeto Eixo chavetado, freio e/m embutido, encoder de feedback absoluto (26 bits) embutido, redutor padrão 1/17, montagem com pés, estrutura Totally Enclosed Natural Cooling (TENC), capacidade de média inércia/média potência, resfriamento natural.
Tensão de alimentação (AC) Classe 200Vac
Corrente nominal 3A (com amplificador de 200Vac)
Potência ativa nominal (kW) 500W / 0.5kW
Velocidade rotacional 2000rpm (nominal) / 4000rpm (máxima)
Torque nominal 2.4Nm
Torque máximo 7.2Nm
Inércia 0.000842kg.m² (8.42kg.cm²)
Modo de montagem Flange de 130x130mm com montagem com pés (saída do redutor)
Resolução Feedback de 26 bits (equivalente a 67108864ppr)
Grau de proteção IP67
Dimensões A219mm x L180mm x P355mm
Altura líquida (mm) 219 mm
Largura líquida (mm) 180 mm
Profundidade líquida (mm) 355 mm
Temperatura do ar ambiente para operação 0…+60 °C
Temperatura do ar ambiente para armazenamento -25°C…+70 °C
Carga radial máxima 2832 N
Carga axial máxima 1470 N
Corrente máxima 11 A
Código de pedido / SKU do fabricante HK-ST52BG1H 1/17
Status do produto do fabricante Comercializado
Equivalente a HKST52BG1H117
Conforme com norma(s) Marcação CE, TUV Rheinland, UKCA, cURus, EN60034-1, EN61800-3, EN63000, UL, CSA
Benefícios Encoder de posição absoluto sem bateria, cabos para encoder, freios eletromagnéticos e alimentação equipados com trava de um toque.
Relação de engrenagem 1/17 (redutor)

Documentos

Este produto é compatível com amplificadores das séries MR-J5. Para detalhes sobre cabos de encoder e amplificadores recomendados, consulte a documentação técnica.

Entre em contato conosco para mais informações.

Saiba mais

Marca

Mitsubishi Electric