Servo Motor Mitsubishi HK-ST502BG1H 5kW J5 Freio IP67 Servo Motor AC Geared Mitsubishi MELSERVO J5 HK-ST502BG1H 5kW, com freio, encoder absoluto 26-bit e IP67.
Visão geral
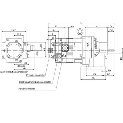
Este é um servomotor rotativo AC acoplado a engrenagem com chave, freio eletromagnético integrado e encoder absoluto de 26 bits. Faz parte da série MELSERVO J5 da Mitsubishi Electric.
Oferece uma potência nominal de 5000W (5kW) e opera em uma classe de tensão de 200Vac, com uma corrente nominal de 27A. O motor possui um eixo com chaveta e um redutor de engrenagem padrão com relação de 1/17.
O grau de proteção é IP67, garantindo resistência contra poeira e imersão temporária em água. A temperatura ambiente para operação é de 0 a 60°C.
Principais recursos
- Servomotor rotativo AC acoplado a engrenagem
- Eixo com chaveta
- Freio eletromagnético integrado
- Encoder absoluto de 26 bits integrado
- Redutor de engrenagem padrão 1/17
- Montagem com flange de 176x176mm e pés
- Estrutura de resfriamento natural totalmente fechada (TENC)
- Capacidade de inércia média / potência média
- Resfriamento natural
- Encoder absoluto sem bateria
- Conectores de um toque para encoder, freios eletromagnéticos e alimentação
Especificações
| Parâmetro | Valor |
|---|---|
| Marca principal | Mitsubishi Electric |
| Função principal | Servomotor AC |
| Série/família de produto | Série MELSERVO J5 |
| Nome do sub-alcance | Série HK-ST |
| Funções | Servomotor rotativo AC acoplado a engrenagem / motorredutor |
| Projeto | Eixo com chaveta, freio eletromagnético integrado, encoder absoluto (26 bits) integrado, redutor de engrenagem padrão 1/17, montagem com pés, estrutura de resfriamento natural totalmente fechada (TENC), capacidade de inércia média / potência média, resfriamento natural. |
| Tensão de alimentação (AC) | Classe 200Vac |
| Corrente nominal | 27A (com amplificador de 200Vac) |
| Potência ativa nominal (kW) | 5000W / 5kW |
| Velocidade de rotação | 2000rpm, 4000rpm (máxima) |
| Torque nominal | 23.9Nm |
| Torque máximo | 71.7Nm |
| Momento de inércia | 0.00861kg.m² (86.1kg.cm²) |
| Modo de montagem | Flange de 176x176mm com montagem de pés (saída do redutor) |
| Resolução | Encoder de 26 bits (equivalente a 67108864ppr) |
| Grau de proteção | IP67 |
| Dimensões | A341mm x L410mm x P581.5mm |
| Altura líquida (mm) | 341 mm |
| Largura líquida (mm) | 410 mm |
| Profundidade líquida (mm) | 581.5 mm |
| Temperatura do ar ambiente para operação | 0…+60 °C |
| Temperatura do ar ambiente para armazenamento | -25°C…+70 °C |
| Carga radial máxima | 6468 N |
| Carga axial máxima | 6860 N |
| Corrente máxima | 90 A |
| Código de pedido / SKU do fabricante | HK-ST502BG1H 1/17 |
| Status do produto do fabricante | Comercializado |
| Equivalente a | HKST502BG1H117 |
| Em conformidade com as normas | Marcação CE, TUV Rheinland, UKCA, cURus, EN60034-1, EN61800-3, EN63000, UL, CSA |
| Benefícios | Encoder de posição absoluto sem bateria, cabos para o encoder, freios eletromagnéticos e alimentação equipados com trava de um toque. |
| Relação de engrenagem | 1/17 (redutor) |
Documentos
O fabricante recomenda acessórios específicos, como amplificadores (MR-J5-500A-RJ, MR-J5-500G-RJ, MR-J5-500G-RJN1, MR-J5-700A-RJ, MR-J5-700G-RJ, MR-J5-700G-RJN1) e cabos para encoder (MR-J3ENSCBL2M-L, MR-J3ENSCBL5M-L, MR-J3ENSCBL2M-H, MR-J3ENSCBL5M-H, MR-J3ENSCBL10M-H, MR-J3ENSCBL15M-H, MR-J3ENSCBL17M-H, MR-J3ENSCBL20M-H, MR-J3ENSCBL30M-H, MR-J3ENSCBL40M-H, MR-J3ENSCBL50M-H, MR-J3ENSCBL60M-H, MR-EKCBL2M-H, MR-EKCBL5M-H).



