Visão geral
Este é um servo motor AC rotativo com engrenagem da Mitsubishi Electric, pertencente à série MELSERVO J5. Equipado com um eixo chavetado e feedback absoluto integrado de 26 bits, este modelo oferece alta precisão de posicionamento.
O servo motor conta com uma caixa de engrenagens padrão com relação de redução de 1/6, o que o torna adequado para aplicações que demandam torque elevado em velocidades reduzidas. A potência nominal de saída é de 3500W (3.5kW) e opera na classe de tensão de alimentação de 200Vac.
Com uma corrente nominal de 16A (em amplificador de 200Vac), torque nominal de 16.7Nm e velocidade rotacional nominal de 2000rpm, este equipamento atende a rigorosos padrões de desempenho. Possui flange de montagem de 176x176mm e classificação de proteção IP67, garantindo robustez em ambientes industriais.
Principais recursos
- Servo motor AC com engrenagem rotativo
- Eixo com chaveta
- Feedback absoluto integrado de 26 bits
- Caixa de engrenagens padrão com redução de 1/6
- Classificação de proteção IP67
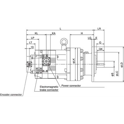
- Codificador absoluto sem bateria
- Conectores de engate rápido para cabos do codificador e freios eletromagnéticos
Especificações
| Parâmetro | Valor |
|---|---|
| Marca principal | Mitsubishi Electric |
| Função principal | Servo motor AC |
| Série / nome da família do produto | Série MELSERVO J5 |
| Nome da sub-gama | Série HK-ST |
| Funções | Servo motor AC com engrenagem rotativo / motorredutor |
| Projeto | Eixo com chaveta, codificador absoluto integrado (26 bits), caixa de engrenagens padrão 1/6, estrutura de resfriamento natural totalmente fechada (TENC), capacidade de inércia média / potência média, resfriamento natural. |
| Tensão de alimentação (CA) | Classe 200Vac |
| Corrente nominal | 16A (com amplificador de 200Vac) |
| Potência ativa nominal (kW) | 3500W / 3.5kW |
| Velocidade de rotação | 2000rpm, 3500rpm (máxima) |
| Torque | 16.7Nm nominal |
| Torque máximo | 50.1Nm |
| Momento de inércia | 0.00621kg.m² (62.1kg.cm²) |
| Modo de montagem | Montagem em flange 176x176mm |
| Resolução | Feedback de 26 bits (equivalente a 67108864ppr) |
| Grau de proteção | IP67 |
| Dimensões | A260mm x L260mm x P444.5mm |
| Altura líquida (mm) | 260 mm |
| Largura líquida (mm) | 260 mm |
| Profundidade líquida (mm) | 444.5 mm |
| Temperatura do ar ambiente para operação | 0…+60 °C |
| Temperatura do ar ambiente para armazenamento | -25°C…+70 °C |
| Carga radial máxima | 3332 N |
| Carga axial máxima | 3920 N |
| Corrente máxima | 52 A |
| Código de pedido / SKU do fabricante | HK-ST352G1 1/6 |
| Status do produto do fabricante | Comercializado |
| Equivalente a | HKST352G116 |
| Em conformidade com as normas | Marca CE, TUV Rheinland, UKCA, cURus, EN60034-1, EN61800-3, EN63000, UL, CSA |
| Benefícios | Codificador de posição absoluto sem bateria, cabos para o codificador, freios eletromagnéticos e energia equipados com trava de um toque. |
| Relação de engrenagem | 1/6 (caixa de engrenagens) |
Documentos
Observações: A Mitsubishi Electric recomenda o uso dos amplificadores e cabos especificados para garantir o desempenho e a compatibilidade ideais deste servo motor. Verifique a documentação para detalhes sobre os modelos de amplificadores e cabos de encoder compatíveis.
Entre em contato para mais informações.



