Principais recursos
- Servomotor rotativo AC com engrenagem
- Codificador absoluto embutido de 26 bits
- Caixa de engrenagens padrão com relação 1/29
- Potência nominal de 1500W (1.5kW)
- Tensão de alimentação 200Vac
- Torque nominal de 8.4Nm
- Velocidade rotacional nominal de 2000rpm
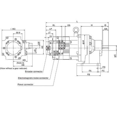
- Montagem em flange de 130x130mm com pés
- Grau de proteção IP67
- Estrutura TENC (Totalmente Fechada com Resfriamento Natural)
- Codificador absoluto sem bateria
- Conexões rápidas (one-touch lock) para cabos do codificador, freios eletromagnéticos e alimentação
Especificações
| Parâmetro | Valor |
|---|---|
| Marca Principal | Mitsubishi Electric |
| Função Principal | Servomotor AC |
| Série do Produto / Nome da Família | Série MELSERVO J5 |
| Nome da Subgama | Série HK-ST |
| Funções | Servomotor AC rotativo com engrenagem / gearmotor |
| Projeto | Eixo com chaveta, codificador absoluto embutido (26 bits), caixa de engrenagens 1/29, montagem por pés, estrutura de resfriamento natural totalmente fechada (TENC), capacidade de inércia/potência média, resfriamento natural |
| Tensão de Alimentação (AC) | Classe 200Vac |
| Corrente Nominal | 9.3A |
| Potência Ativa Nominal (kW) | 1500W / 1.5kW |
| Velocidade de Rotação | 2000rpm (nominal), 3000rpm (máxima) |
| Torque | 8.4Nm (nominal) |
| Torque Máximo | 25.1Nm |
| Momento de Inércia | 0.00138kg.m² (13.8kg.cm²) |
| Modo de Montagem | Flange de 130x130mm com montagem por pés (saída da caixa de engrenagens) |
| Resolução | Feedback de 26 bits (equivalente a 67108864ppr) |
| Grau de Proteção | IP67 |
| Dimensões | A295mm x L330mm x P408.5mm |
| Altura Líquida (mm) | 295 mm |
| Largura Líquida (mm) | 330 mm |
| Profundidade Líquida (mm) | 408.5 mm |
| Temperatura do Ar Ambiente para Operação | 0…+60 °C |
| Temperatura do Ar Ambiente para Armazenamento | -25°C…+70 °C |
| Carga Radial Máxima | 5135 N |
| Carga Axial Máxima | 3920 N |
| Corrente Máxima | 32 A |
| Código de Pedido / SKU do Fabricante | HK-ST152G1H 1/29 |
| Status do Produto do Fabricante | Comercializado |
| Equivalente a | HKST152G1H129 |
| Conforme com Padrão(ões) | Marcação CE, TUV Rheinland, UKCA, cURus, EN60034-1, EN61800-3, EN63000, UL, CSA |
| Benefícios | Codificador absoluto sem bateria; os cabos para o codificador, os freios eletromagnéticos e a alimentação vêm equipados com conexão rápida (one-touch lock) |
| Relação de Engrenagem | 1/29 (caixa de engrenagens) |
Documentos
Este produto é recomendado para uso com os amplificadores da série MR-J5. Para a conexão de cabos do codificador, consulte as opções de cabos com vida útil padrão e longa de acordo com a distância necessária.
Entre em contato conosco para mais informações.


