Servo Motor AC Mitsubishi HK-ST102BG1H 1/29 1kW IP67 Servo Motor AC com Freio Mitsubishi Electric HK-ST102BG1H 1/29 – Potência 1kW, 200Vac, IP67.
Visão geral
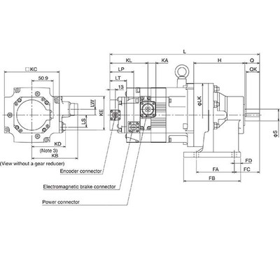
Servomotor rotativo CA com engrenagem / motorredutor da linha MELSERVO J5 da Mitsubishi Electric, modelo HK-ST102BG1H 1/29. Possui eixo com chaveta, freio eletromagnético e encoder absoluto integrado de 26 bits, oferecendo alta precisão na posição.
Este motorredutor tem uma potência nominal de 1000W (1kW) e uma relação de redução de 1/29. É alimentado por uma classe de tensão de 200 VCA e dispõe de um freio integrado para segurança e retenção em caso de falha. Sua construção robusta, com proteção IP67, garante operação confiável em ambientes industriais desafiadores.
Principais recursos
- Servomotor rotativo CA com engrenagem / motorredutor
- Eixo com chaveta
- Freio eletromagnético integrado
- Encoder absoluto integrado de 26 bits (67108864ppr)
- Redução padrão de 1/29
- Estrutura de refrigeração natural (TENC)
- Montagem com flange de 130x130mm e pés
- Proteção IP67
- Encoder absoluto sem bateria
- Conectores de engate rápido para encoder, freio e alimentação
Especificações
| Parâmetro | Valor |
|---|---|
| Marca principal | Mitsubishi Electric |
| Função principal | Servomotor CA |
| Série / Família do produto | MELSERVO J5 series |
| Nome do sub-range | HK-ST series |
| Funções | Servomotor rotativo CA com engrenagem / motorredutor |
| Design | Eixo com chaveta, freio e/m integrado, encoder absoluto integrado (26 bits), redutor padrão 1/29, montagem com pés, estrutura de refrigeração natural (TENC), capacidade de inércia/potência média, refrigeração natural. |
| Tensão de alimentação (CA) | 200Vac class |
| Corrente nominal | 5.3A (com amplificador de 200Vac) |
| Potência ativa nominal (kW) | 1000W / 1kW |
| Velocidade de rotação | 2000rpm, 4000rpm (máxima) |
| Torque nominal | 4.8Nm |
| Torque máximo | 14.4Nm |
| Momento de inércia | 0.00119kg.m² (11.9kg.cm²) |
| Modo de montagem | Flange de 130x130mm com montagem com pés (saída do redutor) |
| Resolução | Encoder de 26 bits (equivalente a 67108864ppr) |
| Grau de proteção | IP67 |
| Dimensões | A252mm x L230mm x P379.5mm |
| Altura líquida (mm) | 252 mm |
| Largura líquida (mm) | 230 mm |
| Profundidade líquida (mm) | 379.5 mm |
| Temperatura ambiente para operação | 0…+60 °C |
| Temperatura ambiente para armazenamento | -25°C…+70 °C |
| Carga radial máxima | 4410 N |
| Carga axial máxima | 2940 N |
| Corrente máxima | 18 A |
| Código de pedido / SKU do fabricante | HK-ST102BG1H 1/29 |
| Status do produto do fabricante | Comercializado |
| Equivalente a | HKST102BG1H129 |
| Em conformidade com norma(s) | Marca CE, TUV Rheinland, UKCA, cURus, EN60034-1, EN61800-3, EN63000, UL, CSA |
| Benefícios | Encoder de posição absoluto sem bateria; cabos do encoder, freios eletromagnéticos e alimentação equipados com conexão de um toque. |
| Relação de engrenagem | 1/29 (redutor) |
Documentos
Este produto é compatível com os amplificadores e cabos listados na seção de especificações. Consulte a documentação para informações detalhadas sobre as conexões e recomendações de acessórios.
Entre em contato conosco para mais informações.



