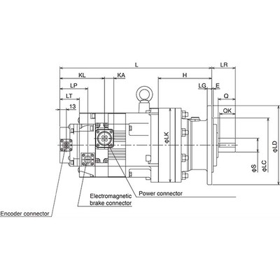
## Principais recursos * Servomotor rotativo AC com engrenagem * Eixo com chaveta * Freio eletromagnético integrado * Encoder absoluto de 26 bits integrado * Redutor padrão com relação 1/6 * Estrutura Totalmente Fechada com Refrigeração Natural (TENC) * Classificação de proteção IP67 * Tecnologia de encoder absoluto sem bateria—SEPARATOR—## Especificações | Parâmetro | Valor | | :——————————- | :——————————————————————————————————————————- | | **Marca principal** | Mitsubishi Electric | | **Função principal** | Servomotor AC | | **Série/nome da família do produto** | MELSERVO J5 series | | **Nome da sub-gama** | HK-ST series | | **Funções** | Servomotor AC rotativo com engrenagem / motorredutor | | **Design** | Eixo com chaveta, freio e/m embutido, encoder absoluto (26 bits) embutido, redutor padrão 1/6, estrutura TENC, inércia média/potência média, refrigeração natural | | **Tensão de alimentação (AC)** | Classe 200Vac | | **Corrente nominal** | 5.3A (com amplificador de 200Vac) | | **Potência ativa nominal (kW)** | 1000W / 1kW | | **Velocidade de rotação** | 2000rpm, 4000rpm (máxima) | | **Torque nominal** | 4.8Nm | | **Torque máximo** | 14.4Nm | | **Momento de inércia** | 0.00141kg.m² (14.1kg.cm²) | | **Modo de montagem** | Montagem em flange de 130x130mm | | **Resolução** | Feedback de 26 bits (equivalente a 67108864ppr) | | **Grau de proteção** | IP67 | | **Dimensões** | A210mm x L210mm x P379.5mm | | **Altura líquida (mm)** | 210 mm | | **Largura líquida (mm)** | 210 mm | | **Profundidade líquida (mm)** | 379.5 mm | | **Temperatura do ar ambiente para operação** | 0…+60 °C | | **Temperatura do ar ambiente para armazenamento** | -25°C…+70 °C | | **Carga radial máxima** | 2842 N | | **Carga axial máxima** | 2352 N | | **Corrente máxima** | 18 A | | **Código de pedido / SKU do fabricante** | HK-ST102BG1 1/6 | | **Status do produto do fabricante** | Comercializado | | **Equivalente a** | HKST102BG116 | | **Em conformidade com as normas** | Marcação CE, TUV Rheinland, UKCA, cURus, EN60034-1, EN61800-3, EN63000, UL, CSA | | **Benefícios** | Encoder de posição absoluto sem bateria, cabos para encoder, freios eletromagnéticos e alimentação equipados com trava de um toque. | | **Relação de engrenagem** | 1/6 (redutor) |—SEPARATOR—## Documentos * [Mitsubishi Electric – MELSERVO J5 series – Catalogue.pdf](https://cdn.kyklo.co/assets/W1siZiIsIjIwMjIvMDIvMTAvMTQvNTAvMzIvZTdhOWNmMmYtZGMwMy00MmY5LThkYjAtNWJhMDE0NjE1YTBiL01pdHN1YmlzaGklMjBFbGVjdHJpYyUyMC0lMjBNRUxTRVJWTyUyMEo1JTIwc2VyaWVzJTIwLSUyMENhdGFsb2d1ZS5wZGYiXV0?sha=e046f8c1c2704252) O servomotor HK-ST102BG1 1/6 é compatível com amplificadores da série MR-J5, conforme especificado na seção de acessórios recomendados, utilizando os cabos de motor e encoder adequados. Entre em contato para mais informações.
Especificações
| Parâmetro | Valor |
|---|---|
| Primary brand | Mitsubishi Electric |
| Main function | AC servo motor |
| Product series / family name | MELSERVO J5 series |
| Sub-range name | HK-ST series |
| Functions | AC geared rotary servo motor / gearmotor |
| Design | keyed shaft built-in e/m brake built-in absolute feedback encod. (26-bit) 1/6 standard gearhead Totally Enclosed Natural Cooling (TENC) structure medium inertia / medium power capacity natural cooling |
| Supply voltage (AC) | 200Vac class |
| Rated current | 5.3A (with 200Vac amplif.) |
| Rated active power (kW) | 1000W / 1kW |
| Rotational speed | 2000rpm 4000rpm (maximum) |
| Torque | 4.8Nm nominal |
| Maximum torque | 14.4Nm |
| Moment of inertia | 0.00141kg.m2 (14.1kg.cm2) |
| Mounting mode | 130x130mm flange mounting |
| Resolution | 26-bit (equivalent to 67108864ppr) feedback |
| Degree of protection | IP67 |
| Dimensions | H210mm x W210mm x D379.5mm |
| Net Height (mm) | 210 mm |
| Net Width (mm) | 210 mm |
| Net Depth (mm) | 379.5 mm |
| Ambient air temperature for operation | 0…+60 °C |
| Ambient air temperature for storage | -25°C…+70 °C |
| Maximum radial load | 2842 N |
| Maximum axial load | 2352 N |
| Maximum current | 18 A |
| Order code / Manufacturer SKU | HK-ST102BG1 1/6 |
| Manufacturer product status | Commercialized |
| Equivalent to | HKST102BG116 |
| Compliant with standard(s) | CE marking TUV Rheinland UKCA cURus EN60034-1 EN61800-3 EN63000 UL CSA |
| Benefits | batteryless absolute position encoder the cables for the encoder; the electromagnetic brakes and the pwr. are equipped with one-touch lock |
| Gear ratio | 1/6 (gearhead) |
| Recommended accessories | for standard torque use amplifiers – MR-J5-100A-RJ – MR-J5-100G-RJ – MR-J5-100G-RJN1 for higher torque use amplifiers – MR-J5-200A-RJ – MR-J5-200G-RJ – MR-J5-200G-RJN1 – MR-J5-350A-RJ – MR-J5-350G-RJ – MR-J5-350G-RJN1 – MR-J5W2-1010G Use amplifier motor cables as follows – Encoder cable for HK-ST — Standard bending life –> 2m ( MR-J3ENSCBL2M-L ) –> 5m ( MR-J3ENSCBL5M-L ) — Long bending life –> 2m ( MR-J3ENSCBL2M-H ) –> 5m ( MR-J3ENSCBL5M-H ) –> 10m ( MR-J3ENSCBL10M-H ) –> 15m ( MR-J3ENSCBL15M-H ) –> 17m ( MR-J3ENSCBL17M-H ) –> 20m ( MR-J3ENSCBL20M-H ) –> 30m ( MR-J3ENSCBL30M-H ) –> 40m ( MR-J3ENSCBL40M-H ) –> 50m ( MR-J3ENSCBL50M-H ) –> 60m ( MR-J3ENSCBL60M-H ) – Encoder cable for connecting a load-side encoder — Standard bending life –> 2m ( MR-EKCBL2M-H ) –> 5m ( MR-EKCBL5M-H ) |


