Servo Motor AC Geared Mitsubishi MELSERVO J4 7kW 200Vac 22-bit com Redutor 1/5 e Eixo Reto – HG-SR702G5 1/5

Consulte as Condições de Fornecimento

Servo Motor AC Geared Mitsubishi HG-SR702G5 1/5 7kW Servo Motor AC Geared Mitsubishi Electric MELSERVO J4 HG-SR702G5 1/5 7kW 200Vac 22-bit com Redutor

SKU: HG-SR702G5 1/5 Categoria: Marca:

Visão geral

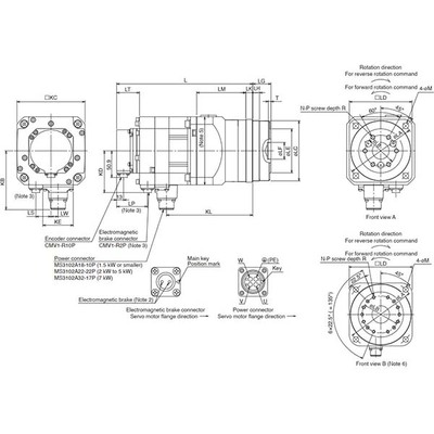
Servo motor rotativo AC com engrenagem e eixo reto, da série MELSERVO J4 da Mitsubishi Electric. Possui feedback absoluto integrado de 22 bits e redutor de alta precisão com relação de transmissão de 1/5, resultando em um redutor com saída flangeada.

Este motor oferece uma potência nominal de 7000W (7kW) e torque nominal de 33.4Nm, operando em uma classe de tensão de 200Vac. A resolução do feedback de 22 bits equivale a 4194304 pulsos por rotação (ppr), garantindo alta precisão no controle.

Com classe de proteção IP44 e montagem em flange de 170x170mm, este modelo é adequado para aplicações que exigem desempenho robusto e confiabilidade. Inclui 2 conectores tipo MS e opera em temperatura ambiente de 0 a 40°C.

Principais recursos

  • Servo motor AC com engrenagem e redutor integrado
  • Feedback absoluto de 22 bits
  • Redutor de alta precisão com relação 1/5
  • Potência nominal de 7000W (7kW)
  • Torque nominal de 33.4Nm
  • Velocidade rotacional de 2000rpm (nominal) / 3000rpm (máxima)
  • Tensão de alimentação 200Vac
  • Montagem em flange 170x170mm
  • Folga máxima de 3 minutos de arco (0.05°)
  • Grau de proteção IP44
  • Conectores tipo MS

Especificações

Parâmetro Valor
Marca principal Mitsubishi Electric
Função principal Servo motor AC
Série / Nome da família do produto MELSERVO J4 series
Nome da subgama HG-SR series
Funções Servo motor rotativo AC com engrenagem / motorredutor
Design Eixo reto com codificador de feedback absoluto integrado (22 bits), redutor de alta precisão 1/5 (saída flangeada), inércia média / capacidade de potência média, refrigeração natural
Tensão de alimentação (AC) Classe 200Vac
Corrente nominal 26A
Potência ativa nominal (kW) 7000W / 7kW
Velocidade de rotação 2000rpm / 3000rpm (máxima)
Torque 33.4Nm nominal
Torque máximo 100Nm
Momento de inércia 0.0161kg.m² (161kg.cm²)
Tipo de conexão 2 x conectores tipo MS
Eficiência 77-92%
Modo de montagem Montagem em flange 170x170mm (saída do redutor)
Resolução Feedback de 22 bits (equivalente a 4194304ppr)
Grau de proteção IP44
Dimensões A228.9mm x L176mm x P420.5mm
Altura líquida (mm) 228.9 mm
Largura líquida (mm) 176 mm
Profundidade líquida (mm) 420.5 mm
Temperatura do ar ambiente para operação 0…+40 °C
Temperatura do ar ambiente para armazenamento -15°C…+70 °C
Carga radial máxima 2058 N
Carga axial máxima 980 N
Corrente máxima 83 A
Código de pedido / SKU do fabricante HG-SR702G5 1/5
Status do produto do fabricante Comercializado
Equivalente a HGSR702G515
Conforme com normas Marca CE, TUV Rheinland, cULus, UL, KC, EN61800-3, EN60034-1, EN62061 SILCL3, EN50581, UL1004-1, UL1004-6, CSA, KC, EAC
Relação de engrenagem 1/5 (redutor)
Folga Máxima de 3 minutos de arco (0.05°)

Documentos

Acessórios recomendados incluem amplificadores para uso em um único eixo (por exemplo, MR-J4-700GF, MR-J4-700GF-RJ, MR-J4-700B, MR-J4-700B-RJ, MR-J4-700A, MR-J4-700A-RJ) e cabos de comunicação (encoder e alimentação) específicos para a série. Verifique as especificações detalhadas dos cabos para compatibilidade e vida útil de flexão.

Entre em contato para mais informações.

Marca

Mitsubishi Electric