Servo Motor Mitsubishi HG-SR352BG5 1/21: Potência e Precisão
Visão geral
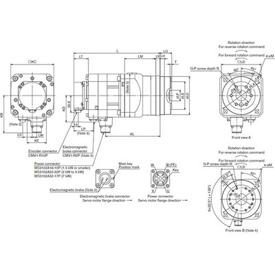
O servo motor rotativo CA com engrenagem HG-SR352BG5 1/21 da Mitsubishi Electric (série MELSERVO J4) oferece uma solução de alta performance para automação industrial. Este modelo combina um motor de engrenagem de precisão com eixo reto, um freio eletromagnético integrado e um feedback absoluto de encoder de 22 bits.
Com uma potência nominal de 3.5kW (3500W) e uma relação de transmissão de 1/21, este servo motor é projetado para aplicações que demandam alto torque e velocidade controlada. Seu design incorpora resfriamento natural e um cabeçote de engrenagem de alta precisão com saída de flange, garantindo confiabilidade e durabilidade.
Principais recursos
- Servo motor rotativo CA com engrenagem
- Eixo reto
- Freio eletromagnético integrado
- Encoder absoluto de 22 bits
- Cabeçote de engrenagem de alta precisão (relação 1/21)
- Saída de flange
- Classe de tensão de alimentação 200VCA
- Resfriamento natural
Especificações
| Parâmetro | Valor |
|---|---|
| Marca principal | Mitsubishi Electric |
| Função principal | Motor de servo CA |
| Série / nome da família do produto | Série MELSERVO J4 |
| Nome da sub-gama | Série HG-SR |
| Funções | Servo motor rotativo CA com engrenagem / motor de engrenagem |
| Projeto | Eixo reto com freio e/m integrado, codificador de feedback absoluto (22 bits), cabeçote de engrenagem de alta precisão 1/21 (saída de flange), inércia média / capacidade de potência média, resfriamento natural |
| Tensão de alimentação (CA) | Classe 200VCA |
| Corrente nominal | 14A |
| Potência ativa nominal (kW) | 3500W / 3.5kW |
| Velocidade de rotação | 2000rpm nominal; 3000rpm (máxima) |
| Torque nominal | 16.7Nm |
| Torque máximo | 50.1Nm |
| Momento de inércia | 0.00946kg.m² (94.6kg.cm²) |
| Tipo de conexão | 2 conectores tipo MS |
| Eficiência | 77-92% |
| Modo de montagem | Montagem em flange 170x170mm (saída de engrenagem) |
| Resolução | Feedback de 22 bits (equivalente a 4194304ppr) |
| Grau de proteção | IP44 |
| Dimensões | A228.9mm x L176mm x P414mm |
| Altura líquida (mm) | 228.9 mm |
| Largura líquida (mm) | 176 mm |
| Profundidade líquida (mm) | 414 mm |
| Temperatura ambiente para operação | 0…+40 °C |
| Temperatura ambiente para armazenamento | -15°C…+70 °C |
| Carga radial máxima | 2058 N |
| Carga axial máxima | 980 N |
| Corrente máxima | 45 A |
| Código de pedido / SKU do fabricante | HG-SR352BG5 1/21 |
| Status do produto do fabricante | Comercializado |
| Equivalente a | HGSR352BG5121 |
| Em conformidade com a(s) norma(s) | Marcação CE, TUV Rheinland, cULus, UL, KC, EN61800-3, EN60034-1, EN62061 SILCL3, EN50581, UL1004-1, UL1004-6, CSA, KC, EAC |
| Relação de engrenagem | 1/21 (cabeçote de engrenagem) |
| Folga (backlash) | Máximo de 3 minutos de arco (0.05°) |
Documentos
Este produto é um servo motor AC com engrenagem da série MELSERVO J4 da Mitsubishi Electric. Para funcionamento ideal, consulte a documentação fornecida para compatibilidade com amplificadores e cabos recomendados. Entre em contato para mais informações sobre este equipamento. Saiba mais.


