Visão geral
O servo motor rotativo AC com engrenagem é um servomotor com acoplamento de engrenagem, projetado para aplicações de alta precisão. Ele integra freio eletromagnético e um encoder absoluto de 22 bits para feedback de posição detalhado, oferecendo 4.194.304 pulsos por revolução.
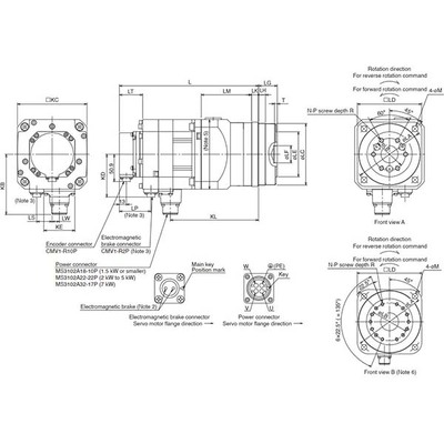
Este modelo da série MELSERVO J4 da Mitsubishi Electric possui um redutor de precisão com relação de transmissão de 1/11 e eixo de saída flangeado. Sua capacidade de potência nominal é de 3500W (3,5kW), com torque nominal de 16,7Nm e velocidade de rotação nominal de 2000rpm. O design de carcaça com aletas garante resfriamento natural.
O servo motor é adequado para montagem em flange de 170x170mm, apresenta baixa folga máxima de 3 minutos de arco (0,05°) e grau de proteção IP44. Ele é equipado com dois conectores tipo MS e opera em temperaturas ambientes de 0 a 40°C.
Principais recursos
- Servomotor AC com engrenagem
- Eixo reto com freio eletromagnético integrado
- Encoder absoluto de 22 bits
- Redutor de alta precisão com relação 1/11
- Potência nominal de 3,5kW
- Torque nominal de 16,7Nm
- Velocidade nominal de 2000rpm
- Montagem em flange 170x170mm
- Folga máxima de 3 minutos de arco (0,05°)
- Grau de proteção IP44
- 2 conectores tipo MS
- Resfriamento natural
Especificações
| Parâmetro | Valor |
|---|---|
| Marca principal | Mitsubishi Electric |
| Função principal | Servomotor AC |
| Série / nome da família do produto | Série MELSERVO J4 |
| Nome do sub-range | Série HG-SR |
| Funções | Servomotor rotativo AC com engrenagem / Motorredutor |
| Projeto | Eixo reto, freio E/M integrado, encoder absoluto de feedback (22 bits) integrado, redutor de alta precisão 1/11 (saída flangeada), inércia média / capacidade de potência média, resfriamento natural |
| Tensão de alimentação (AC) | Classe 400Vca |
| Corrente nominal | 7A |
| Potência ativa nominal (kW) | 3500W / 3,5kW |
| Velocidade de rotação | 2000rpm, 3000rpm (máxima) |
| Torque | 16,7Nm nominal |
| Torque máximo | 50,1Nm |
| Momento de inércia | 0,00963kg.m² (96,3kg.cm²) |
| Tipo de conexão | 2 conectores tipo MS |
| Eficiência | 77-92% |
| Modo de montagem | Montagem em flange 170x170mm (saída de caixa de engrenagens) |
| Resolução | Feedback de 22 bits (equivalente a 4194304ppr) |
| Grau de proteção | IP44 |
| Dimensões | A228,9mm x L176mm x P414mm |
| Altura líquida (mm) | 228,9 mm |
| Largura líquida (mm) | 176 mm |
| Profundidade líquida (mm) | 414 mm |
| Temperatura do ar ambiente para operação | 0…+40 °C |
| Temperatura do ar ambiente para armazenamento | -15°C…+70 °C |
| Carga radial máxima | 2058 N |
| Carga axial máxima | 980 N |
| Corrente máxima | 27 A |
| Código de pedido / SKU do fabricante | HG-SR3524BG5 1/11 |
| Status do produto do fabricante | Comercializado |
| Equivalente a | HGSR3524BG5111 |
| Em conformidade com a(s) norma(s) | Marcação CE, TUV Rheinland, cULus, UL, KC, EN61800-3, EN60034-1, EN62061 SILCL3, EN50581, UL1004-1, UL1004-6, CSA, KC, EAC |
| Relação de engrenagem | 1/11 (redutor) |
| Folga | Máximo de 3 minutos de arco (0,05°) |
Documentos
Este produto é equivalente ao HGSR3524BG5111.
Para mais informações sobre este produto ou para discutir suas necessidades, entre em contato conosco.



