Servo Motor AC com Freio Mitsubishi HG-SR152BG5 1/11 Conheça o servo motor AC com freio Mitsubishi HG-SR152BG5 1/11, ideal para aplicações industriais. SKU: HG-SR152BG5 1/11. “`html
Visão geral
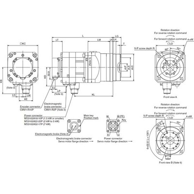
Servo motor rotativo AC com engrenagem e eixo reto, equipado com freio eletromagnético integrado e encoder absoluto de 22 bits. Projetado para alta precisão, este motor da série MELSERVO J4 da Mitsubishi Electric oferece uma relação de redução de 1/11.
Com potência nominal de 1.5kW e torque nominal de 7.2Nm, é adequado para diversas aplicações industriais que exigem controle preciso de movimento. A classe de tensão de alimentação é de 200Vac, e o encoder absoluto de 22 bits proporciona uma resolução equivalente a 4194304 pulsos por rotação.
O design inclui uma caixa de engrenagens de alta precisão com saída flangeada, montagem de 120x120mm e grau de proteção IP44, garantindo durabilidade e confiabilidade em ambientes operacionais variados. Possui dois conectores tipo MS para as conexões.
Principais recursos
- Servo motor AC com engrenagem e freio integrado
- Encoder absoluto de 22 bits
- Relação de engrenagem de alta precisão 1/11
- Potência nominal de 1.5kW
- Torque nominal de 7.2Nm
- Tensão de alimentação de 200Vac
- Montagem em flange 120x120mm
- Grau de proteção IP44
- Conectores tipo MS
Especificações
| Parâmetro | Valor |
|---|---|
| Marca principal | Mitsubishi Electric |
| Função principal | Servo motor AC |
| Série/família do produto | Série MELSERVO J4 |
| Nome da sub-gama | Série HG-SR |
| Funções | Servo motor AC rotativo com engrenagem / Motorredutor |
| Projeto | Eixo reto, freio e/m integrado, encoder absoluto (22 bits) integrado, engrenagem de alta precisão 1/11 (saída flangeada), inércia média / capacidade de potência média, resfriamento natural |
| Tensão de alimentação (AC) | Classe 200Vac |
| Corrente nominal | 9.4A |
| Potência ativa nominal (kW) | 1500W / 1.5kW |
| Velocidade de rotação | 2000rpm, 3000rpm (máxima) |
| Torque | 7.2Nm nominal |
| Torque máximo | 21.5Nm |
| Momento de inércia | 0.00215kg.m² (21.5kg.cm²) |
| Tipo de conexão | 2 conectores tipo MS |
| Eficiência | 77-92% |
| Modo de montagem | Montagem em flange 120x120mm (saída do redutor) |
| Resolução | Feedback de 22 bits (equivalente a 4194304ppr) |
| Grau de proteção | IP44 |
| Dimensões | A177.5mm x L130mm x P323mm |
| Altura líquida (mm) | 177.5 mm |
| Largura líquida (mm) | 130 mm |
| Profundidade líquida (mm) | 323 mm |
| Temperatura ambiente para operação | 0…+40 °C |
| Temperatura ambiente para armazenamento | -15°C…+70 °C |
| Carga radial máxima | 980 N |
| Carga axial máxima | 490 N |
| Corrente máxima | 29 A |
| Código de pedido / SKU do fabricante | HG-SR152BG5 1/11 |
| Status do produto do fabricante | Comercializado |
| Equivalente a | HGSR152BG5111 |
| Em conformidade com as normas | Marca CE, TUV Rheinland, cULus, UL, KC, EN61800-3, EN60034-1, EN62061 SILCL3, EN50581, UL1004-1, UL1004-6, CSA, KC, EAC |
| Relação de engrenagem | 1/11 (engrenagem) |
| Folga (backlash) | Máximo de 3 minutos de arco (0.05°) |
Documentos
O servo motor HG-SR152BG5 1/11 é projetado para uso com amplificadores da série MR-J4. A lista detalhada de cabos recomendados para conexão e acessórios está disponível nas especificações técnicas.
Entre em contato conosco para mais informações sobre este produto.




