Visão geral
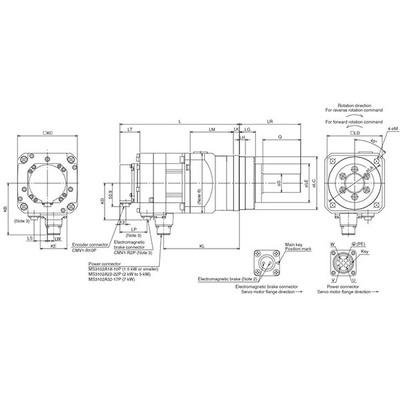
O servo motor rotativo AC com redutor HG-SR102G7K 1/5 da Mitsubishi Electric, pertencente à série MELSERVO J4, é um motor de engrenagem projetado para aplicações que demandam alta precisão e confiabilidade. Ele integra um eixo com chaveta, feedback absoluto de 22 bits e um redutor de precisão com relação de 1/5, resultando em uma saída de eixo robusta.
Com uma potência nominal de 1000W (1kW), este motor opera em uma classe de tensão de 200Vac, fornecendo torque nominal de 4.8Nm e atingindo velocidades de até 2000rpm. A resolução de feedback de 22 bits, equivalente a 4.194.304 pulsos por revolução, garante um controle de movimento extremamente preciso, enquanto a classe de proteção IP44 oferece resistência contra poeira e respingos d’água.
Este modelo é equipado com dois conectores tipo MS e é dimensionado para montagem em flange de 90x90mm no lado da saída do redutor. O servo motor foi projetado para operar em temperaturas ambientes de 0 a 40°C, apresentando um baixo nível de oscilação e vibração, o que o torna adequado para diversas aplicações industriais que exigem desempenho consistente e acuracidade.
Principais recursos
- Servo motor AC rotativo com redutor
- Feedback absoluto de alta resolução (22 bits)
- Redutor de precisão com relação 1/5
- Potência nominal de 1kW
- Torque nominal de 4.8Nm
- Velocidade nominal de 2000rpm
- Montagem em flange 90x90mm
- Proteção IP44
- Conectores tipo MS
Especificações
| Parâmetro | Valor |
|---|---|
| Marca principal | Mitsubishi Electric |
| Função principal | Servo motor AC |
| Série/nome da família do produto | MELSERVO J4 series |
| Nome da subgama | HG-SR series |
| Funções | Servo motor AC rotativo / motor de engrenagem |
| Projeto | Eixo com chaveta, feedback absoluto integrado (22 bits), redutor de alta precisão 1/5 (saída de eixo), inércia média / capacidade de potência média, refrigeração natural |
| Tensão de alimentação (AC) | Classe 200Vac |
| Corrente nominal | 5.6A |
| Potência ativa nominal (kW) | 1000W / 1kW |
| Velocidade de rotação | 2000rpm / 3000rpm (máxima) |
| Torque | 4.8Nm nominal |
| Torque máximo | 14.3Nm |
| Momento de inércia | 0.00123kg.m² (12.3kg.cm²) |
| Tipo de conexão | 2 conectores tipo MS |
| Eficiência | 77-92% |
| Modo de montagem | Montagem em flange 90x90mm (saída do redutor) |
| Resolução | Feedback de 22 bits (equivalente a 4194304ppr) |
| Grau de proteção | IP44 |
| Dimensões | A177.5mm x L130mm x P307.5mm |
| Altura líquida (mm) | 177.5 mm |
| Largura líquida (mm) | 130 mm |
| Profundidade líquida (mm) | 307.5 mm |
| Temperatura do ar ambiente para operação | 0…+40 °C |
| Temperatura do ar ambiente para armazenamento | -15°C…+70 °C |
| Carga radial máxima | 980 N |
| Carga axial máxima | 490 N |
| Corrente máxima | 17 A |
| Código de pedido / SKU do fabricante | HG-SR102G7K 1/5 |
| Status do produto do fabricante | Comercializado |
| Equivalente a | HGSR102G7K15 |
| Em conformidade com as normas | Marcação CE, TUV Rheinland, cULus, UL, KC, EN61800-3, EN60034-1, EN62061 SILCL3, EN50581, UL1004-1, UL1004-6, CSA, KC, EAC |
| Relação de engrenagem | 1/5 (redutor) |
| Folga (backlash) | Máximo de 3 minutos de arco (0.05°) |
Documentos
Para operação padrão de eixo único, são recomendados os amplificadores MR-J4-100GF, MR-J4-100GF-RJ, MR-J4-100B, MR-J4-100B-RJ, MR-J4-100A, MR-J4-100A-RJ. Cabos para o motor e amplificador, bem como cabos de encoder e de alimentação, estão disponíveis em diversas especificações e comprimentos, com opções para vida útil padrão e longa em dobragem. Verifique as compatibilidades exatas nos catálogos de acessórios.
Entre em contato conosco para mais informações.



