Motor de Servo AC Geared Mitsubishi HG-SR102BG5 1/5 Servo motor AC geared rotativo com freio eletromagnético integrado, feedback absoluto de 22 bits e redutor de alta precisão 1/5. O código SKU é HG-SR102BG5 1/5.
Visão geral
Este é um servo motor AC geared rotativo, parte da série MELSERVO J4 da Mitsubishi Electric. Ele combina a funcionalidade de um motor de alta performance com um redutor de precisão, proporcionando uma solução compacta para aplicações que exigem controle de torque e velocidade.
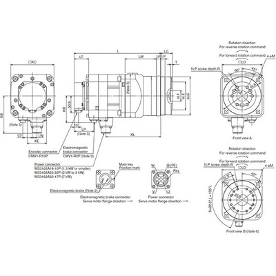
O equipamento dispõe de um eixo reto, um freio eletromagnético integrado para retenção segura e um encoder absoluto de 22 bits para feedback de posição preciso. A caixa de engrenagens de alta precisão com relação de 1/5 garante um desempenho confiável e repetitivo.
Com uma capacidade de potência nominal de 1000W (1kW), este servo motor é projetado para operar em classes de tensão de 200Vac, oferecendo um torque nominal de 4.8Nm e atingindo até 3000rpm em velocidade máxima. Seu grau de proteção IP44 o torna adequado para ambientes com exposição moderada a poeira e respingos.
Principais recursos
- Servo motor AC geared rotativo
- Eixo reto
- Freio eletromagnético integrado
- Encoder absoluto de 22 bits
- Redutor de alta precisão com relação 1/5
- Potência nominal de 1000W (1kW)
- Velocidade rotacional nominal de 2000rpm
- Torque nominal de 4.8Nm
- Tensão de alimentação de 200Vac
- Montagem em flange 90x90mm
- Folga máxima de 3 minutos de arco (0.05°)
- Grau de proteção IP44
- Conectores tipo MS
- Faixa de temperatura ambiente de operação: 0…+40 °C
Especificações
| Parâmetro | Valor |
|---|---|
| Marca principal | Mitsubishi Electric |
| Função principal | Servo motor AC |
| Série / Família do produto | Série MELSERVO J4 |
| Nome da subgama | Série HG-SR |
| Funções | Servo motor AC geared rotativo / motorredutor |
| Projeto | Eixo reto, freio e/m integrado, encoder absoluto integrado (22 bits), redutor de alta precisão 1/5 (saída flangeada), inércia média / capacidade de potência média, refrigeração natural |
| Tensão de alimentação (AC) | Classe 200Vac |
| Corrente nominal | 5.6A |
| Potência ativa nominal (kW) | 1000W / 1kW |
| Velocidade de rotação | 2000rpm (nominal), 3000rpm (máxima) |
| Torque | 4.8Nm (nominal) |
| Torque máximo | 14.3Nm |
| Momento de inércia | 0.00145kg.m² (14.5kg.cm²) |
| Tipo de conexão | 2 conectores tipo MS |
| Eficiência | 77-92% |
| Modo de montagem | Montagem em flange 90x90mm (saída do redutor) |
| Resolução | Feedback de 22 bits (equivalente a 4194304ppr) |
| Grau de proteção | IP44 |
| Dimensões | A177.5mm x L130mm x P289mm |
| Altura líquida (mm) | 177.5 mm |
| Largura líquida (mm) | 130 mm |
| Profundidade líquida (mm) | 289 mm |
| Temperatura do ar ambiente para operação | 0…+40 °C |
| Temperatura do ar ambiente para armazenamento | -15°C…+70 °C |
| Carga radial máxima | 980 N |
| Carga axial máxima | 490 N |
| Corrente máxima | 17 A |
| Código de pedido / SKU do fabricante | HG-SR102BG5 1/5 |
| Status do produto do fabricante | Comercializado |
| Equivalente a | HGSR102BG515 |
| Em conformidade com norma(s) | Marca CE, TUV Rheinland, cULus, UL, KC, EN61800-3, EN60034-1, EN62061 SILCL3, EN50581, UL1004-1, UL1004-6, CSA, KC, EAC |
| Relação de engrenagem | 1/5 (redutor) |
| Folga | Máxima de 3 minutos de arco (0.05°) |
Documentos
Este equipamento é recomendado para uso padrão de 1 eixo com os seguintes amplificadores e cabos. Consulte o catálogo para obter a lista completa de acessórios e especificações detalhadas de cabos. Entre em contato conosco para mais informações.



